Добавить в корзинуПозвонить
Найти в Дзене
Электроника, ESP32, Arduino

Фото-тест датчика влажности почвы c помощью ESP32-CAM и Arduino

Насколько полезен датчик влажности почвы? Тест будет проводиться на базе самодельной платформы системы фотонаблюдения, которая при срабатывании датчика движения записывала фото на карту памяти и отправляла на e-mail. Датчик движения в этом проекте не используется. Для подключения датчика влажности, я смонтировал отдельный разъем. Значения выходного напряжения будут считываться на аналоговом входе Arduino A6. В качестве источника опорного напряжения, будет использоваться встроенный в ATMega328P источник со значением 1.1V, поэтому используется делитель напряжения. Можно подключать датчик и писать код для Arduino. Сухой датчик выдает значение 378, датчик полностью погруженный вводу значение 244. Δ = 134. Перенесем это значение в некие "условные попугаи" единиц влажности с помощью функции map() где 0 сухо 100 в воде. Как это работает? Каждые 60 секунд, плата Arduino читает значение влажности и отправляет данные плате ESP32-CAM в виде одного байта данных. Получив этот байт, плата ESP32-CAM:
Оглавление

Насколько полезен датчик влажности почвы? Тест будет проводиться на базе самодельной платформы системы фотонаблюдения, которая при срабатывании датчика движения записывала фото на карту памяти и отправляла на e-mail.

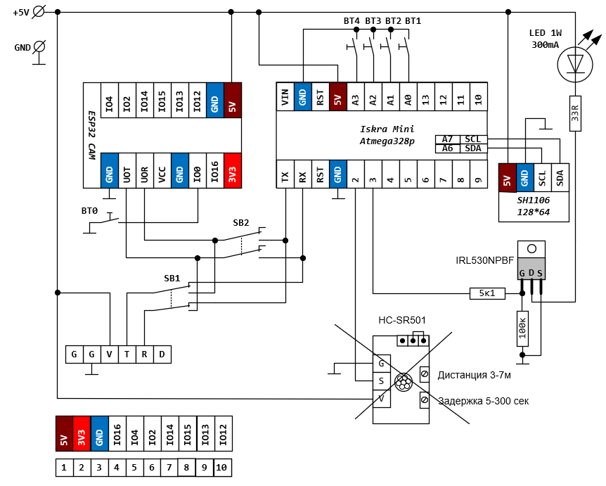
Схема самодельной системы фотонаблюдения
Схема самодельной системы фотонаблюдения

Датчик движения в этом проекте не используется.

Для подключения датчика влажности, я смонтировал отдельный разъем. Значения выходного напряжения будут считываться на аналоговом входе Arduino A6.

Схема подключения емкостного датчика влажности к Arduino
Схема подключения емкостного датчика влажности к Arduino

В качестве источника опорного напряжения, будет использоваться встроенный в ATMega328P источник со значением 1.1V, поэтому используется делитель напряжения.

Разъем для подключения датчика влажности
Разъем для подключения датчика влажности

Можно подключать датчик и писать код для Arduino.

Калибровка датчика влажности
Калибровка датчика влажности

Сухой датчик выдает значение 378, датчик полностью погруженный вводу значение 244. Δ = 134. Перенесем это значение в некие "условные попугаи" единиц влажности с помощью функции map() где 0 сухо 100 в воде.

Калибровка датчика влажности
Калибровка датчика влажности

Как это работает?

Каждые 60 секунд, плата Arduino читает значение влажности и отправляет данные плате ESP32-CAM в виде одного байта данных.

Получив этот байт, плата ESP32-CAM:

  • делает фото;
  • запрашивает в Интернет по протоколу NTP дату и время;
  • сохраняет фотографию на карту памяти, а в качестве имени файла используется дата + время + значение влажности полученное от платы Arduino.

В начале каждого часа 1 (одна) фотография отсылается на e-mail.

-6

Открыв почту, можно убедиться, что система выполняет мониторинг и работает без сбоев. Также фото на e-mail можно попросить в любое время, нажав кнопку BT1. Этот функционал будет востребован для настройки ракурса фото-камеры.

Нажатие кнопки устанавливает старший бит в байте данных значения влажности.

Байт с помощью которого производится управление платой ESP32
Байт с помощью которого производится управление платой ESP32

Получив от Arduino такую посылку, ESP32-CAM понимает, что необходимо не просто записать фото на карту памяти, но и сразу отравить его на электронную почту.

Размер фото которая делает ESP32 САМ составляет всего 110Кбайт.

Расчет времени записи
Расчет времени записи

Карты памяти объемом 2Гб хватит на непрерывную запись в течении чуть больше 11 суток.

Втыкаем датчик влажности почвы в землю, ставим плату с камерой на штатив и ждем пока растение подаст знак, что его необходимо полить. (как правило любое растение при недостатке влаге начинает опускать листья).

Система фотонаблюдения готова к работе
Система фотонаблюдения готова к работе

Обработка данных с карты.

Фотки с карты памяти переписываем на ПК. Имя файла наносим на фото.

Фото с нанесенным значением даты, времени влажности
Фото с нанесенным значением даты, времени влажности

Из полученных фото клеим Timelapse видео с помощью любого видео редактора. Я пользуюсь специализированным профессиональным инструментом:

Создайте таймлапс видео в пару щелчков мыши!

хотя для этих целей сойдёт даже старинный Windows movie maker (Киностудия).

В настройка видео ставим 24 кадра в секунду.

  • за 1 час было снято 60 фото;
  • 2.5 секунды видео = 1 час реального времени;
  • 60 секунд видео = 1 сутки реального времени;

Жизнь растения за неделю, будет в ролике продолжительностью ровно 7 минут, и при этом на видео у нас будут показания датчика влажности в течении всего этого периода времени.

Результаты работы можно посмотреть в этом видео:

В готовую конструкцию пойдет некое пороговое значение (именно оно и было вычислено в этом видео), которое будет присылать сообщение в телеграмм с напоминанием "полей цветок".

Статья про самодельную плату расширения для ESP32-CAM:

Код проекта доступен по этой ссылке:

Фото-тест датчика влажности почвы.zip

Полный список всех статей канала доступен по этой ссылке:

Друзья! Если вы хотите видеть больше примеров работы с платой ESP32 CAM, не забывайте ставить лайки, оставлять комментарии и подписываться на канал. (без этого алгоритмы Дзена очень быстро перестают показывать статью другим пользователям, а писать в пустоту не очень интересно).

Всем удачи!