Найти в Дзене
RADIO INFO

Собираем универсальный FM радио модуль на микросхемах RDA5807FP и CKE8002A, для переделки старых советских радиоприемников.

Добрый день дорогие друзья. Наконец я решил закончить переделку радиоприемника Сокол на FM диапазон. У меня на канале подробно описаны модули на микросхемах KT0936MB9 и BK1198 для переделки старых советских радиоприемников на FM диапазон. А на микросхемах KT0936MB9 и CKE8002A я переделал радиоприемник Selga на FM диапазон, и при желании Вы все это найдете на моем канале. В комментариях к этим публикациям мои читатели мне писали о дороговизне и сложности приобретения, ввиду большого количества брака и фальсификации микросхем KT0936MB9 и BK1198 на AliExpress, об этом тоже есть публикации у меня на канале. Поэтому я решил разработать и собрать максимально простой универсальный FM радио модуль на доступных и недорогих микросхемах RDA5807FP и CKE8002A, для переделки и реставрации старых советских радиоприемников. Для этого нам понадобятся такие вот детали Почти все конденсаторы, резисторы, стабилизатор TL431и кнопки я применил от разбора старо

Добрый день дорогие друзья.

Наконец я решил закончить переделку радиоприемника Сокол на FM диапазон. У меня на канале подробно описаны модули на микросхемах KT0936MB9 и BK1198 для переделки старых советских радиоприемников на FM диапазон. А на микросхемах KT0936MB9 и CKE8002A я переделал радиоприемник Selga на FM диапазон, и при желании Вы все это найдете на моем канале. В комментариях к этим публикациям мои читатели мне писали о дороговизне и сложности приобретения, ввиду большого количества брака и фальсификации микросхем KT0936MB9 и BK1198 на AliExpress, об этом тоже есть публикации у меня на канале. Поэтому я решил разработать и собрать максимально простой универсальный FM радио модуль на доступных и недорогих микросхемах RDA5807FP и CKE8002A, для переделки и реставрации старых советских радиоприемников.

Для этого нам понадобятся такие вот детали

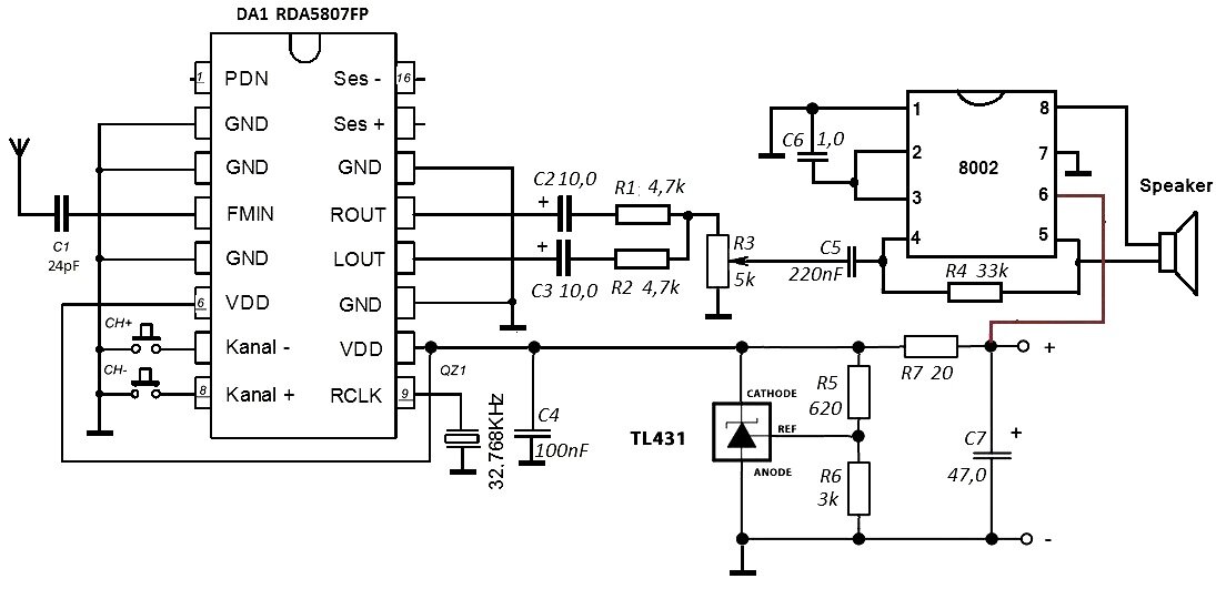
Почти все конденсаторы, резисторы, стабилизатор TL431и кнопки я применил от разбора старой аппаратуры. Микросхемы на плату установлены через платки-адаптеры. Все номиналы деталей обозначены на схеме

-2

Так как в основной массе радиоприемников, регулировка громкости осуществляется переменным резистором совмещенным с выключателем громкости , то я решил отказаться от кнопочного управления громкости и межу микросхемами RDA5807FP и CKE8002A поставил регулятор громкости на 5 кОм, как радиоприемнике Сокол. При включении питания в микросхеме RDA5807FP устанавливается средняя громкость. Мне кажется , что у меня недостаточная громкость и чтобы ее увеличить нужно уменьшить сопротивление резисторов R1 и R2, или вообще их закоротить. Окончательно я подберу эти резисторы при подключении динамика, который у меня будет в приемнике Сокол.

Питается модуль от аккумулятора 18650 напряжением 3,7В, на микросхему RDA5807FP подается 3В через стабилизатор на TL431. Применять в качестве стабилизаторы микросхемы типа LM317 не рекомендую, у них для нормальной работы разница между входным и выходным напряжением должна быть не менее 2В. А если в качестве источника питания применить два элемента АА, то стабилизатор на TL431не нужен.

При желании наш модуль можно сделать с кнопочной регулировкой громкости, для этого нужно подключить кнопки к выводам 15 и 16 микросхемы RDA5807FP, резисторы R1 и R2 увеличить до 12 кОм и подсоединить их к конденсатору С5.

Схема будет выглядеть так.

-3

Собирается наш модуль на кусочке от гетина́ксовой макетной платы размером 5х2 см. Наш модуль в собранном виде.

-4

А это с обратной стороны

-5

Ближайшее время расскажу и покажу, как я инсталлировал этот модуль в корпус от радиоприемника Сокол. Для окончательной сборки чтобы получить качественный прием, мне нужно приобрести телескопическую антенну. Сегодня на барахолке постараюсь найти какой—нибудь китайский приемник в качестве донора антенны.

И в заключении предлагаю посмотреть видеоролик с демонстрацией работы этого радиомодуля

На этом у меня сегодня все.

Подписывайтесь и следите за новыми публикациям на моем канале.

Важная информация
На дзене отключили рекомендательную ленту. Это значит, что публикации канала будут видны в ленте только подписчикам. Если Вы еще не подписаны, то обязательно подпишитесь на мой
канал, чтобы не пропустить самую важную и нужную информацию для радиолюбителей, и всех тех, кто интересуется техникой и самоделками.

Рекомендую также посмотреть Каталог публикаций моего канала, где Вы найдете статьи по рассмотренной выше теме и множество других материалов, которые могут быть Вам интересны и полезны. Ставьте лайки, комментируйте, подписывайтесь и заходите на мой канал, есть много интересной и нужной информации для радиолюбителей