Представляю вашему вниманию просто импульсный блок питания на базе микросхемы IR2153.
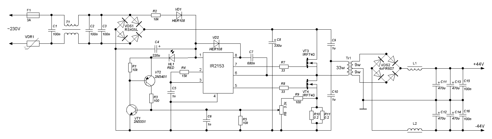
Схема импульсного блока питания представляет собой стандартную схему из даташита. Отличие схемы от "даташитной" схемы лишь в оригинальном способе запитки микросхемы и простой, но эффективной защите от короткого замыкания и перегрузок.
Микросхема IR2153 запитывается непосредственно от сети, через диод и гасящий резистор, а не как это обычно делают - после основного выпрямителя, от шины +310 В. Используемый автором способ запитки имеет сразу несколько преимуществ:
- Ниже рассеиваемая мощность на гасящем резисторе, что снижает выделение тепла и повышает общий КПД схемы;
- Обеспечивает более низкий уровень пульсаций напряжения питания микросхемы IR2153 (в сравнении с питание от шины +310 В).
Защита от перегрузок и короткого замыкания выполнена на паре транзисторов 2N5551/5401 (допускается использование любой другой пары биполярных транзисторов). В качестве датчика тока в данной схеме используются резисторы, включенные в исток нижнего плеча преобразователя. С помощью R6 настраивается порог срабатывания защиты.
При коротком замыкании или перегрузке, когда падение напряжения на резисторах R10 и R11 достигает заданной величины (такой величины при котором на базе VT1 напряжение станет больше 0,6 - 0,7 В), сработает защита и питание микросхемы шунтируется на землю. Что в свою очередь отключает IR2153 и весь ИИП в целом. Как только перегрузка или короткое замыкание устранено, питание микросхемы автоматически возобновляется и блок питания продолжает работу в штатном режиме. Светодиод HL1 сигнализирует о срабатывании защиты.
Защита настраивается следующим образом. К выходу каждого плеча блока питания подключаются 10 Ом'ные резисторы. Блок питания включается в сеть. Вращением движка подстроечного резистора R6 добиваемся того, чтобы HL1 погас, а затем выставляем движок в такое положение, чтобы HL1 еще не горел, но при минимальном угле поворота движка в сторону уменьшения тока срабатывания защиты, светодиод загорался. При такой настройке защиты, она будет срабатывать при выходной мощности приблизительно 300 Вт (при авторском значении выходного напряжения).
Трансформатор намотан на магнитопроводе типоразмера ER35/21/11. Первичная обмотка намотана в два провода 0,63 мм2 и содержит 33 витка. Вторичная обмотка состоит из двух половин, намотанных в три провода 0,63 мм2 и каждая половина обмотки содержит 9 витков.
Внимание! При покупке IRF740 необходимо быть крайне внимательным, чтобы не нарваться на подделку, которые встречаются очень часто, особенно на Aliexpress, для этого важно знать как выглядит поддельный IRF740.
Внешний вид оригинальных и поддельных транзисторов IRF740
На иллюстрации сверху, показаны два вида оригинальных IRF740 производства Vishay и производства IR, а также типичная подделка, которая часто встречается на Aliexpress и в других магазинах.
Кроме внешнего вида, подделку от оригинала легко отличить с помощью транзистор-тестера:
Оригинальные и поддельные транзисторы IRF740, установленные в транзистор-тестер
Если установить в панельку транзистор-тестера оригинальный транзистор, то отображаемое значение емкость будет: C=2,6...2,7 нФ. Подделки имеют гораздо меньший кристалл, чем оригинальный транзистор и поэтому транзистор-тестер, в случае установки в него поддельного транзистора, выдаст другое - меньшее значение емкости: C=0,9...1,5 нФ.
Постойте, но ведь в даташите IRF740 указана емкость 1,4 нФ, почему тогда оригинал должен иметь емкость около 2,7 нФ? Подобный вопрос обязательно должен у кого-нибудь возникнуть. Отвечаю. Емкость, указанная в даташите измерена при совершенно других условиях (напряжение затвор-исток = 0 В, напряжение сток-исток = 25 В, частота = 1 МГц), отличных от тех, при которых измеряет емкость транзистор-тестер, поэтому сравнивать значение емкостей из транзистор-тестера и даташита - просто бессмысленно.
И последнее. Кто-то наверняка сказал: ну и что, что не оригинал, зато дешевле, какая разница?! Хорошо, если бы разница была только в цене, но нет! Оригинальный транзистор - это транзистор, который соответствует всем заявленным производителем параметрам из даташита. Поддельный транзистор - это транзистор, который не соответствует никаким параметрам. По сути, подделка - это другой транзистор. Подделка, на которой написано "IRF740", по своим параметрам может являться чем угодно, но только не IRF740. Часто подделка - это другой, более дешевый и маломощный транзистор, перемаркированный под другой, более дорогой транзистор. Другими словами, по-простому, если собрав ИИП на оригинальных IRF740 вы сможете легко и непринужденно, долговременно снять 300 Вт мощности, а кратковременно и того больше, то собрав тот же ИИП на поддельных "IRF740", вы можете получить фейерверк при попытке снять более 100 Вт, а иногда даже при первом же включении.
Перечень используемых радиоэлементов:
Ссылки:
Место первой публикации - сайт "Паяльник" -
https://cxem.net/pitanie/5-268.php
Версия статьи в сообществе Nem0 в ВК -
https://vk.com/@nem0_audio-ir2153
Файлы:
Авторская печатная плата - https://disk.yandex.by/d/MSVkMkFT777M1w
Дата первой публикации: 30 марта 2013
Дата изменения: 5 мая 2022
