Добавить в корзинуПозвонить
Найти в Дзене
ООО Подряд

Способы передачи сигнала автоматической пожарной сигнализации (АПС) без проводов

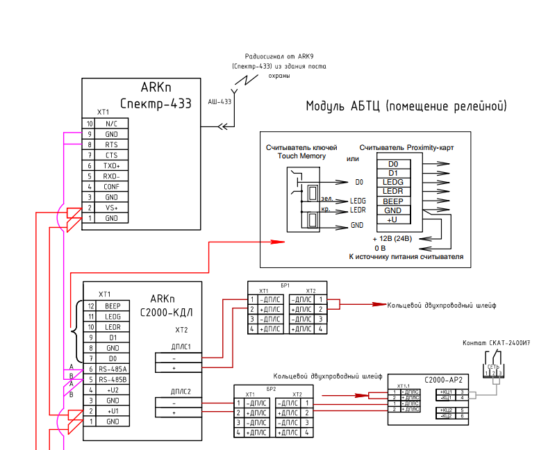
В случае, если есть необходимость соединить в единую систему два отдельно стоящих здания, а прокладывать кабель не хочется или экономически не целесообразно, или физически невозможно, есть несколько вариантов: 1. Вариант сделать радиомост. Сделать это можно с помощью радиомодема Спектр-433, он подключается в линию интерфейса RS485 и передает информацию через антенну АШ-433. Вот так выглядит этот модем: Как мы видим, к нему подключается питание, линия интерфейса RS485 и антенна. Так же этот модем устанавливается на DIN-рейку. Антенну можно установить как на стену: Так и на крышу: Вот так выглядит антенна: Эта антенна кругового действия, бывают так же направленные антенны, антенны кругового действия хороши тем, что они ловят и отправляют сигнал во все стороны, но иногда это плохо (например в городской среде), они могут ловить помехи, но практика показала, что эти антенны и этот радиомодем хорошо работают. 2. Вариант. Способ передачи данных, с помощью LAN сети. К примеру, у вас стоит рядо

В случае, если есть необходимость соединить в единую систему два отдельно стоящих здания, а прокладывать кабель не хочется или экономически не целесообразно, или физически невозможно, есть несколько вариантов:

1. Вариант сделать радиомост. Сделать это можно с помощью радиомодема Спектр-433, он подключается в линию интерфейса RS485 и передает информацию через антенну АШ-433.

схема электрических соединений
схема электрических соединений

Вот так выглядит этот модем:

Радиомодем Ратеос Спектр 433
Радиомодем Ратеос Спектр 433

Как мы видим, к нему подключается питание, линия интерфейса RS485 и антенна. Так же этот модем устанавливается на DIN-рейку.

Антенну можно установить как на стену:

-3

Так и на крышу:

Добавьте описание
Добавьте описание

Вот так выглядит антенна:

Добавьте описание
Добавьте описание

Эта антенна кругового действия, бывают так же направленные антенны, антенны кругового действия хороши тем, что они ловят и отправляют сигнал во все стороны, но иногда это плохо (например в городской среде), они могут ловить помехи, но практика показала, что эти антенны и этот радиомодем хорошо работают.

2. Вариант. Способ передачи данных, с помощью LAN сети. К примеру, у вас стоит рядом свитч, который с помощью кабеля UTP объединён в одну локальную сеть с другим свичем. Мы можем поставить рядом прибор С2000 Ethernet:

С2000-Ethernet
С2000-Ethernet

Этот прибор может преобразовывать интерфейс RS-232 и RS-485, и передавать их по кабелю UTP. Проще говоря, вы можете подключить С2000М (или любой другой прибор) к С2000Ethernet, от С2000Ethernetпроложить кабельную линию кабелем UTPв свитч, и в любой точке LANсети, подключить кабелем UTPвторой С2000Etnhernet, от которого забрать линию интерфейса (RS232/RS485). Получается такой-же мост как и у антенн, только:

Прибор-С2000Etnhernet- свитч-свитч-С2000Etnhernet-прибор

Вот схема электрических соединений:

Добавьте описание
Добавьте описание

3. Вариант. Передача информации с помощью сим-карты.

У болида есть два прибора

С2000-PGE и УО-4С

Если вкратце, то разница между этими двумя приборами следующая:

УО-4С можно использовать как самостоятельный ППКОП, у него есть 4 неадресных шлейфа. В данный прибор вставляется сим карта, можно настроить оповещения о пожаре. Если в шлейфы подключены охранные извещатели, можно настроить оповещения о тревоге (проникновении в охраняемые помещения). А прибор С2000-PGE может передавать через сим карту все данные, которые проходят через линию интерфейса. Получается что УО-4С может в виде смс сообщений передавать данные на телефон, типа «пожар», «тревога», «неисправность», без детализации, а С2000-PGE может передавать полноценно всю информацию, передаваемую по линии интерфейса. Ниже представлены схемы на эти приборы. Более детально можете ознакомиться с паспортами на эти приборы.

УО-4С
УО-4С
C2000-PGE
C2000-PGE

Если хотите узнать больше, советую прочитать учебник по слаботочным системам:

Зарабатывай от 70 000 рублей!