Добавить в корзинуПозвонить
Найти в Дзене
RapidCad486

Практическая работа - расчёт линейных параметров оптического датчика и конструирование стенда

Источник излучения и приемник расположены в отдельных корпусах. Любой предмет, прерывающий прямой световой луч от источника к приемнику, вызывает изменение электрического сигнала на выходе приемника. Расстояние воздействия таких выключателей не зависит от материала управляющего объекта. Максимальная дистанция переключения определяется как расстояние между источником излучения и приемником и составляет 16м. Устройство Оптические бесконтактные выключатели состоят из 2-х функционально законченных блоков - источника излучения и приемника этого излучения, источник излучения (передатчик);
1. Генератор вырабатывает последовательность электрических импульсов поступающих на излучатель.
2. Излучатель светодиод инфракрасного или оптического (красного) диапазона, создающий излучение.
3. Индикатор показывает наличие напряжения питания на излучателе. Приемник:
4. Фотоприемник (фототранзистор) - воспринимает излучение и преобразует его в электрический сигнал,
5. Триггер обеспечивает необходимую к

  • Общие сведения

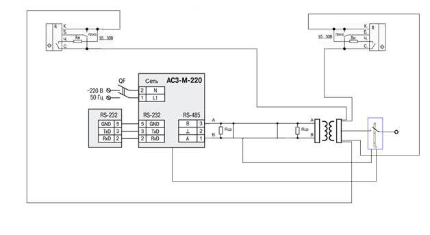
    Дан оптический датчик, состоящий из оптического выключателя СТРАУС-ВБЗ.18М.65.R 16000.2П.1К., модуля дисткретного ввода/вывода ОВЕН-МДВВ, преобразователя интерфейса ОВЕН-АС3-М, блока питания MODEL: DR-30-24 и автоматического выключателя IEK BA47-29 С10.
  • Принципиальная схема стенда.
Принципиальная схема стенда.
Принципиальная схема стенда.

Электрическая схема стенда.
Электрическая схема стенда.

Вид стенда
Вид стенда
  • Принцип работы датчика.

Источник излучения и приемник расположены в отдельных корпусах. Любой предмет, прерывающий прямой световой луч от источника к приемнику, вызывает изменение электрического сигнала на выходе приемника. Расстояние воздействия таких выключателей не зависит от материала управляющего объекта. Максимальная дистанция переключения определяется как расстояние между источником излучения и приемником и составляет 16м.

Схема из открытого источника
Схема из открытого источника
  • Конструкция выбранного датчика.
    Оптический выключатель
Схема из открытого источника
Схема из открытого источника

Устройство

Оптические бесконтактные выключатели состоят из 2-х функционально законченных блоков - источника излучения и приемника этого излучения, источник излучения (передатчик);
1. Генератор вырабатывает последовательность электрических импульсов поступающих на излучатель.
2. Излучатель светодиод инфракрасного или оптического (красного) диапазона, создающий излучение.
3. Индикатор показывает наличие напряжения питания на излучателе. Приемник:
4. Фотоприемник (фототранзистор) - воспринимает излучение и преобразует его в электрический сигнал,
5. Триггер обеспечивает необходимую крутизну фронта сигнала переключения и значение гистерезиса.

Изображение из открытых источников
Изображение из открытых источников

6. Усилитель увеличивает амплитуду выходного сигнала до необходимого значения, В качестве коммутационных элементов используются мощные транзисторы.
7. Светодиодный индикатор показывает включенное/выключенное состояние выключателя, обеспечивает контроль работоспособности, оперативность настройки и ремонта оборудования.
8. Компаунд обеспечивает необходимую степень защиты от проникновения твердых частиц и воды. Ж Корпус обеспечивает монтаж выключателя, защищает от механических воздействий. Выполняется из полиамида, комплектуется метизными изделиями.

Линейные параметры оптического выключателя.

Наружная часть резьбы – 18мм;
Рабочая температура - - 20°С+65°С;
Дистанция срабатывания – 16000мм;
Падение напряжения на открытом ключе не превышает 0,2 В.

Модуль дискретного ввода/вывода.

Изображение из открытых источников
Изображение из открытых источников

Модуль дискретных входов и выходов ОВЕН МДВВ для распределенных систем в сети RS-485 (протоколы ОВЕН, Modbus, DCON) может использоваться совместно с программируемыми контроллерами ОВЕН ПЛК или др. ОВЕН МДВВ работает в сети RS-485 при наличии в ней «мастера», при этом сам ОВЕН МДВВ не является «мастером» сети.

Модуль выпускается в корпусе типа Д9 для крепления на DIN-рейку.

Технические характеристики прибора ОВЕН МДВВ.

- Напряжение питания: 90…264 В переём. Тока частотой 47…63 Гц
- Потребляемая мощность: не более 12 ВАТ
- Количество дискретных входов: 12
- Тип датчика, подключаемого к дискретному входу: «сухой» контакт, транзисторный ключ n-p-n типа
- Максимальная частота входного сигнала: 1 кГц
- Количество выходов: 8
- Тип интерфейса: RS-485
- Скорость передачи данных (кбит/с):2.4, 4.8, 9.6, 14.4, 19.2, 28.8, 38.4, 57.6, 115.2
- Максимальная длина линии связи:1000 м
- Протоколы передачи данных: ОВЕН, Modbus ASCII, Modbus RTU, DCON
- Максимальное количество модулей в сети:
при длине сетевого адреса 8 бит: 32
при длине сетевого адреса 11 бит:256
- Тип корпуса: на DIN-рейку Д9
- Габаритные размеры корпуса:157х86х58 мм
- Степень защиты корпуса: IP20
- Условия эксплуатации ОВЕН МДВВ:
Температура окружающего воздуха:+1...+50 °С
Атмосферное давление: 86...106,7 кПа
Относительная влажность воздуха (при 25 °С и ниже без конденсации влаги): не более 80 %

  • Модификации прибора ОВЕН МДВВ.

МДВВ-Р (Стандартная модификация) или МДВВ-X X X X X X X X ("Заказная" модификация)
X - Типы выходных элементов 1…8:
Р - реле электромагнитное
К - транзисторная оптопара
С - симисторная оптопара
Т - для управления твердотельным реле

  • Функциональные возможности прибора ОВЕН МДВВ.

- 12 дискретных входов для подключения контактных датчиков и транзисторных ключей n-p-n типа;
- Возможность использования любого дискретного входа в режиме счётчика (максимальная частота сигнала – 1 кГц);
- 8 встроенных дискретных выходных элементов в различных комбинациях:
э/м реле 8 А 220 В;
оптотранзисторный ключ 400 мА 60 В;
оптосимистор 0,5 А 300 В;
для управления твердотельным реле.
Возможность генерации шим-сигнала любым из выходов;
- Автоматический перевод выходного элемента в заранее заданное аварийное состояние при нарушении сетевого обмена;
- Поддержка распространенных протоколов Modbus (ASCII, RTU), DCON, ОВЕН;
Бесплатная программа «КОНФИГУРАТОР МДВВ»:
конфигурирование прибора на ПК;
регистрация состояния дискретных входов и выходных элементов (скважности ШИМ)
- Помехоустойчивость благодаря:
встроенному импульсному источнику питания 90...264 В 47...63 Гц;
гальванической развязке в цепях выходов, питания и интерфейса RS-485;
применению защитных элементов в цепях дискретных входов

  • Преобразователь интерфейса ОВЕН-АС3-М.
Изображение из открытых источников
Изображение из открытых источников
  • Назначение

Предназначен для взаимного преобразования сигналов интерфейсов RS-232 и RS-485. Позволяет подключать к промышленной информационной сети RS-485 устройство с интерфейсом RS-232 (персональный компьютер, считыватель штрих-кодов, электронные весы и т. д.).

  • Основные функции

- Взаимное преобразование сигналов интерфейсов RS-485 и RS-232
- Автоматическое определение направления передачи данных
- Гальваническая изоляция входов между собой и от питающей сети
- Напряжение питания =24 В или ~220 В
- Встроенные согласующие резисторы

  • Технические характеристики.
  • Питание.

Номинальное напряжение питания
- переменное (для АС3-М-220) 85...245 В, 47…60 Гц
- постоянное (для АС3-М-024) 9...30 В
Потребляемая мощность не более 0,5 ВА
Допустимое напряжение гальванической изоляции входов не менее 1500 В.

  • Интерфейс RS-232

Диапазон напряжения входного сигнала ±5…15 В
Диапазон напряжения выходного сигнала ±9…11 В
Длина линии связи с внешним устройством не более 10 м
Скорость обмена данными до 115200 бит/с
Используемые линии передачи данных TxD, RxD, GND.

  • Интерфейс R2-485

Диапазон напряжения входного сигнала 0,2…5 В
Диапазон напряжения выходного сигнала 1,5…5 В
Длина линии связи с внешним устройством не более 1200 м
Количество приборов в сети:
– без использования усилителя сигнала не более 32
– с использованием усилителя сигнала не более 256
Используемые линии передачи данных А (D+), В (D–).

  • Корпус.

Габаритные размеры 54х95х57 мм
Степень защиты IP20
Крепление на DIN-рейку.

  • Условия эксплуатации.

Температура окружающего воздуха –25...+65°С
Атмосферное давление 84...106,7 кПа
Относительная влажность воздуха (при +25°С и ниже) не более 80 %.

  • Блок питания MODEL: DR-30-24.
Изображение из открытых источников
Изображение из открытых источников
  • Характеристики.

· Входное напряжение.............................. 85-264В
· Выходное напряжение............................. 24В/1.5А(30Вт)
· Частота преобразования.......................... 23000 Гц
· Напряжение изоляции............................. 3 000 В
· Сопротивление изоляции....................... 100 МОм
· Рабочая температура............................. -10/+71
· Температура корпуса............................. +70
· Температура хранения............................ -10/+85
· Среднее время между отказами.................... 130.000 ч
· Класс изоляции.................................. II
· КПД............................................. 76-82%
· Размеры......................................... 78х93х56мм
· Охлаждение...................................... Воздушное
· Корпус.......................................... пластик
· Крепление ...................................... Din-рейка

  • Автоматический выключатель IEK BA47-29 С10.

Предназначены для защиты датчика от токов перегрузки и при токах короткого замыкания. Они могут также использоваться для защиты линий питания электродвигателей и другого оборудования.

  • Подключение стенда к компьютеру.

Модуль дискретного вывода осуществляет связь с ПК через преобразователь интерфейса АС3 – М, который в свою очередь подключается к компьютеру через СОМ порт.
Перед началом работы следует задать конфигурацию МДВВ. Конфигурирование МДВВ производится с ПК через адаптер RS-485 с помощью программы «Конфигуратор МДВВ».
Для установки программы «Конфигуратор МДВВ» следует запустить на выполнение файл инсталлятора программы (
MDVV_setup.exe) и следовать инструкциям, отображаемым в окнах инсталлятора.

-10

Для запуска программы нужно зайти в меню «пуск» и из списка программ выбрать папку «owen» и в ней выбрать «конфигуратор МДВВ».

-11

Затем программа требует установить связь с прибором.

-12

Чтобы установить связь необходимо, либо в ручную выбрать правильные параметры порта, либо автоматически найти нужный параметр порта, нажав на кнопку «сканирование сети». В этом случае программа начитает сама по очереди подставлять параметр «скорость обмена» и осуществлять связь прибора с ПК.

-13

Если прибор подключен правильно высвечивается уведомление, что связь с прибором установлена, и запускается программа. После того, как конфигурация заданна, можно преступать к работе.

-14
-15

В конфигураторе, так же отображаются сетевые параметры прибора МДВВ, где их можно редактировать.

Связь с прибором МДВВ поддерживается с помощью программного обеспечения

«SCADA-система OWEN PROCESS MANAGER».Для установки программного обеспечения, необходимо открыть файл «opm1setup» и следовать инструкциям, отображаемых в окнах.

-16

Чтобы запустить программу, необходимо, в меню «пуск», открыть программы и в папке «Owen System» выбрать «Owen Process Manuger». Далее запускается данная программа, в окне программы отображаются активные СОМ порты.

-17

Нужно выбрать порт, к которому подключён стенд, нашем случае это Com2.

-18

Далее необходимо добавить интерфейс. Нажимаем правой кнопкой мыши по нужному порту и в появившемся меню выбираем «добавить интерфейс».

В появившемся окне мы выбираем тип интерфейса, в меню «тип» и «режим» выбираем нужные нам пункты.

-19

В нашем случае:
Тип – Адаптер интерфейса RS-485
Режим – Автоматический (АС3-М,АС4).
Нажимаем «ОК» и в окне программы, радом с нашим портом появляется изображение интерфейса.

-20

Затем необходимо добавить прибор. Для этого по окуну программы нажимаем правой кнопкой мыши и в появившимся меню выбираем «добавить прибор».

-21

Выбрав пункт «добавить прибор» появляется окно «определение прибора», где задаются параметры связи и выбор типа подключаемого устройства.

-22

Параметры связи определяются в конфигураторе МДВВ, нашем случае они следующие:
Скорость – 115200
Биты данных – 8
Стоп-биты – 1
Длина адреса – 8
Базовый адрес – 16.
Выбор типа подключаемого прибора следующий:
Изготовитель – Овен
Тип прибора - МДВВ Дискретный модуль ввода.

Далее следует вкладка «параметры опроса». Программа периодически опрашивает прибор МДВВ, о возникших событиях, которые потом отображаются в окне программы.

По умолчанию периодический опрос производится через каждые 30 секунд, при необходимости можно вместо периодического опроса выбрать постоянный опрос, при этом опрос будет проводится с максимальной быстротой, на которую способен компьютер.

-23

Если поставить галочку «не опрашивать» то программа считает прибор отключённым.

После простановки всех параметров нажимаем ОК и в окне программы, рядом с обозначением интерфейса, появляется обозначение прибора.

-24

Если параметры заданны правильно, можно нажать на кнопку «запустить процесс». Перед тем как начать процесс программа требует сохранить новый процесс.

-25

При правильном задаче параметров и выборе прибора, нажав на кнопку «запустить процесс» производится опрос прибора на изменение событий, с последующим ожиданием, до тех пор пока программа вновь не опросит прибор.

-26

При неправильном подключении или выборе прибора, окно программы выглядит так:

-27

Если прибор отключен или не опрашивается, то окно программы выглядит так:

-28

Обозначение МДВВ в данной программе эмитирует 12 выводов МДВВ. При пересечении, каким – либо объектом светового луча, между передатчиком и приёмником, вызывает изменение электрического сигнала на выходе приемника. У одного из выводов МДВВ, загорается красный индикатор. Если всё сделано правильно, то тот индикатор, который соответствует индикатору МВДД, должен загореться и на обозначении МДВВ в данной программе.

Нам необходимо точно определить положение объекта. Для точного определения положения объекта бесконтактным способом используются оптические датчики. Если для индуктивных датчиков имеет значение, из какого материала состоит объект измерения, то оптические датчики регистрируют предметы из любого материала. Дополнительным преимуществом является так же то, что по сравнению с другими датчиками приближения, к примеру, емкостными или индуктивными датчиками, оптические датчики имеют, гораздо большее расстояния срабатывания (до 16 метров). Исходя, из этого мы выбрали оптический датчик.

Когда предмет прерывает прямой световой луч от источника к приемнику, он вызывает изменение электрического сигнала на выходе приемника. Изменение этого сигнала осуществляется при помощи продукции ОВЕН (АС3-М, МДВВ). При помощи преобразователя интерфейса АС3-М стенд подключается к ПК, это позволяет следить за перемещением объекта на большом расстоянии. Связь между приборами ОВЕН и ПК производится при помощи программ. Конфигуратор МДВВ позволяет установить связь с прибором МДВВ и ПК, а также показывает параметры прибора. Программа Owen System позволяет считывать показания прибора и передавать их на ПК. Так же данная программа может предоставить таблицу и график событий, прошедших во время процесса. Кроме того Owen System не только может просто передавать информацию, но и сохранять её в архиве.

Оптические бесконтактные датчики обладают большей дальностью действия по сравнению с другими бесконтактными датчиками. Датчики имеют регулятор чувствительности, позволяющий производить настройку по фактической контрастности объекта на фоне окружающих предметов. Оптические датчики применяются в различных отраслях промышленности и промышленном оборудовании и предназначены для контроля положения и расстояния, определения контрастных и цветовых меток и этикеток. Благодаря этому свойству, оптические бесконтактные датчики нашли широкое применение в автоматике.

Печатная версия практической работы

Мой rutube

Мой канал на youtube