Добавить в корзинуПозвонить
Найти в Дзене
Уголок технаря

Параллельное, последовательное или раздельное подключение шаговых двигателей на оси Z 3д принтера, какое лучше?

Привет друзья! Статьи писать я не мастер, однако раз популярный сервис Дзен предлагает такую возможность, почему бы ею не воспользоваться. А сделать это отвечая на вопросы подписчиков еще и полезнее, а раз со своим стажем в 3д печати в 3 года вопрос повторяется не в первый раз, думаю ответ на него будет еще кому-то полезен. Такой вопрос получил от подписчика Максима Р: Доброго дня. Подскажите пожалуйста по 3д принтеру. У меня обычный дрыгостол с двумя моторами на оси Z.Моторы подключены последовательно к одному драйверу 4988. Правильно ли я понимаю, что нужно выставить Vref в два раза больше чем при подключении одного шаговика, заранее Благодарю. Что ж, по порядку... Речь идет о двух винтах поднимающих балку по оси Z. Чаще такое решение применяется на прюшаподобных принтерах с директ экструдером, так как он тяжеловат в отличии от боуден экструдера и балку немного может перекашивать: Почему же речь идет не про параллельное подключение, которое частенько практикуется китайцами на пла
Оглавление

Привет друзья! Статьи писать я не мастер, однако раз популярный сервис Дзен предлагает такую возможность, почему бы ею не воспользоваться.

А сделать это отвечая на вопросы подписчиков еще и полезнее, а раз со своим стажем в 3д печати в 3 года вопрос повторяется не в первый раз, думаю ответ на него будет еще кому-то полезен.

Такой вопрос получил от подписчика Максима Р:

Доброго дня. Подскажите пожалуйста по 3д принтеру. У меня обычный дрыгостол с двумя моторами на оси Z.Моторы подключены последовательно к одному драйверу 4988. Правильно ли я понимаю, что нужно выставить Vref в два раза больше чем при подключении одного шаговика, заранее Благодарю.

Что ж, по порядку... Речь идет о двух винтах поднимающих балку по оси Z. Чаще такое решение применяется на прюшаподобных принтерах с директ экструдером, так как он тяжеловат в отличии от боуден экструдера и балку немного может перекашивать:

Два мотора на ось Z без синхронизации
Два мотора на ось Z без синхронизации

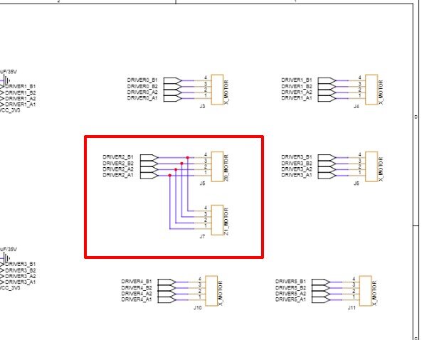
Почему же речь идет не про параллельное подключение, которое частенько практикуется китайцами на платах управления для 3д принтеров, что можно увидеть на схемах:

-2

С чем я и некоторые участники в нашей группе телеграмм не согласны и обосновывали это неким синхронизмом, который теряется. По типу, пропуск шагов, вызванный упором сопла в стол, если например не сработает концевик, заставит пропустить шаги на моторах одинаково и параллельность балки относительно платформе стола не потеряется. Я в это с трудом верю да и нет возможности проверить, прошу прощения - ленюсь лезть менять схему в рабочих принтерах.

На вопрос дать ответ просто логически рассудив как все будет работать. Шаговые двигатели 3д принтеров работают на 2-х обмотках. Подключая параллельно их обмотки как это практикуют китайские инженеры, ток между ними делится равно пропорционально, конечно если используются одинаковые моторы. С этим понижаются паспортные характеристики. А в месте с тем, повышается вероятность словить пропуск шагов. Поэтому в прошивках производители значительно занижают ускорения, рывки и скорость перемещения для данной оси, а это пусть и не значительная, но лишняя трата времени при парковке в начале печати.

При параллельном подключении ток необходимо увеличить, что увеличит нагрев драйвера и добавит вероятность его ухода в аварию.

Поэтому верное решение, это последовательное подключение моторов по данной схеме:

Последовательное подключение шаговых двигателей 3д принтера (источник 3d-diy.ru)
Последовательное подключение шаговых двигателей 3д принтера (источник 3d-diy.ru)

Ни в одном из случаев такого подключения не приходилось увеличивать ток на драйвере регулировкой опорного напряжения Vref. Работает все на рекомендуемом из источников в зависимости от драйвера и мотора значении для ОДНОГО МОТОРА, так как драйвер автоматически повышает напряжение до необходимого тока!

Но я сторонник подключения моторов по оси Z отдельно от каждого драйвера, если установлен датчик калибровки. Чем это лучше, привожу обоснования в данном пояснительном видео:

А в месте с ответом на вопрос пару советов по теме от технаря)

Если при вышеуказанном подключении планируется модернизация 3д принтера и моторы придется вешать на отдельные драйвера, как например для функции автовыравнивания платформы (балки) по каждой стороне отдельно, подключайте моторы через дополнительный разъем XH2.54-папу, который, думаю найдется у каждого энтузиаста модернизирующего свои 3д "станки". Думаю на данном фото смысл будет понятен:

Использование разъема "Папа XH2.54" для последовательного подключения
Использование разъема "Папа XH2.54" для последовательного подключения

И еще совет по теме:

Вполне не плохо работает и один мотор с двумя винтами, с синхронизацией их замкнутым ремне м GT2 6мм, коих на сегодня найдется наверное на любую окружность, по крайней мере в рамках 3д принтеростроения.

Синхронизация замкнутым ремнем
Синхронизация замкнутым ремнем

Подробнее про применённый вариант в этом видео.

Тут получаете экономию на одном моторе. Но есть и минусы. Один винт крепится в двух точках, а если он кривой, будет воблинг, хотя и от этой проблемы решения есть. Но что мешает установить ремень рядом с моторами... если только увеличение размеров 3д принтера.

Так же возможна синхронизация ремнем благодаря установке специальных моторов, пример реализации можно посмотреть на 3д принтере Kywoo Tycoon.

А на этом мои рассуждения по теме иссякли)). Рад если данная статья была полезна для Вас. Всем удачи и хорошего настроения).

#уголок технаря #3д печать #3д принтер #настройка 3д принтера #шаговый двигатель