Добавить в корзинуПозвонить
Найти в Дзене
Электроника, ESP32, Arduino

ЕГЭшная задача для тех, кто не "жертва"

Несмотря на то, что платформа Дзен упорно хочет избавиться от думающей и читающей аудитории, Дзен всё больше - видео-платформа. 60% времени в 2021 году наша аудитория провела в видео-контенте (40% - в текстовых форматах). В этом году самым быстрорастущим форматом стали короткие вертикальные ролики. а основной курс теперь взят на молодую аудиторию до 35, думающих и читающих людей на моем канале еще достаточно много. Пока "старую гвардию" окончательно не разогнали, предлагаю решить реальную задачку из ЕГЭ, сброшенную знакомым преподавателем физики. Условия: Определите, какая мощность выделяется на сопротивлении R3 участка цепи, показанного на рисунке, а) при подключении ЭДС Е=15 В положительным полюсом к точке A, отрицательным к полюсом - к точке B; б) при подключении ЭДС Е=15 В положительным полюсом к точке B, отрицательным к полюсом - к точке A; Сопротивления R1 = 6 Ом, R2 = 4 Ом, R3 = 10 Ом. Внутренним сопротивлением источника пренебречь, сопротивление диода в прямом направлении прен

Несмотря на то, что платформа Дзен упорно хочет избавиться от думающей и читающей аудитории,

Дзен всё больше - видео-платформа. 60% времени в 2021 году наша аудитория провела в видео-контенте (40% - в текстовых форматах). В этом году самым быстрорастущим форматом стали короткие вертикальные ролики.

а основной курс теперь взят на молодую аудиторию до 35,

Отчет по аналитике с моего канала. Кто интересно меня читать то будет?
Отчет по аналитике с моего канала. Кто интересно меня читать то будет?

думающих и читающих людей на моем канале еще достаточно много. Пока "старую гвардию" окончательно не разогнали, предлагаю решить реальную задачку из ЕГЭ, сброшенную знакомым преподавателем физики.

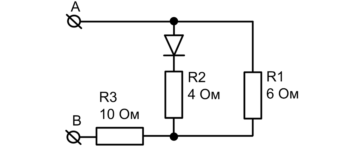
Условия:

Рисунок.
Рисунок.

Определите, какая мощность выделяется на сопротивлении R3 участка цепи, показанного на рисунке,

а) при подключении ЭДС Е=15 В положительным полюсом к точке A, отрицательным к полюсом - к точке B;

б) при подключении ЭДС Е=15 В положительным полюсом к точке B, отрицательным к полюсом - к точке A;

Сопротивления R1 = 6 Ом, R2 = 4 Ом, R3 = 10 Ом. Внутренним сопротивлением источника пренебречь, сопротивление диода в прямом направлении пренебрежимо мало, в обратном направлении очень велико.

Оригинальный скриншот задачи из ЕГЭ

Задача на ЕГЭ по физике 11 класс
Задача на ЕГЭ по физике 11 класс

Я думаю, что вы без проблем справитесь с данным заданием. Жду ваши ответы в комментариях.

Всем удачи!