Найти в Дзене
Старый радиолюбитель

Формирователь для частотомера.

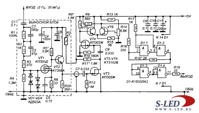
Возвращаюсь к теме частотомера на Ардуино. Для того, чтобы частотомер хорошо работал, на вход Ардуино нужно подавать прямоугольные импульсы, лучше в форме меандра. Таким образом, нужно сделать устройство, которое в диапазоне частот 100 кГц - 30 МГц могло бы формировать TTL меандр из синусоидального сигнала амплитудой 250 мВ. Также необходимо учитывать, что на вход Ардуино нужно подавать сигнал с частотой не более 6 МГц, т.е. для частот выше 6 МГц нужно использовать делитель частоты. Я для опыта решил сделать формирователь, на выходе которого присутствовали бы сигналы с частотой сигнала F, а так же F/2 и F/4. В сети схем полно, но они или сложноваты, или не обеспечивают достаточно крутые фронты импульсов, которые желательно иметь на цифровом входе Ардуино. Очень неплохая схема на рис. 1: высокое входное сопротивление, высокая чувствительность (порядка 1 мВ), широкая полоса (2 Гц - 35 МГц), но для проведения экспериментов слишком сложная. Поэтому я решил делать формирователь на триггер

Возвращаюсь к теме частотомера на Ардуино. Для того, чтобы частотомер хорошо работал, на вход Ардуино нужно подавать прямоугольные импульсы, лучше в форме меандра. Таким образом, нужно сделать устройство, которое в диапазоне частот 100 кГц - 30 МГц могло бы формировать TTL меандр из синусоидального сигнала амплитудой 250 мВ. Также необходимо учитывать, что на вход Ардуино нужно подавать сигнал с частотой не более 6 МГц, т.е. для частот выше 6 МГц нужно использовать делитель частоты.

Я для опыта решил сделать формирователь, на выходе которого присутствовали бы сигналы с частотой сигнала F, а так же F/2 и F/4. В сети схем полно, но они или сложноваты, или не обеспечивают достаточно крутые фронты импульсов, которые желательно иметь на цифровом входе Ардуино.

Рис. 1. Пример формирователя для частотомера (http://www.s-led.ru/962-shirokopolsnoy-formirovatel-chast.html).
Рис. 1. Пример формирователя для частотомера (http://www.s-led.ru/962-shirokopolsnoy-formirovatel-chast.html).

Очень неплохая схема на рис. 1: высокое входное сопротивление, высокая чувствительность (порядка 1 мВ), широкая полоса (2 Гц - 35 МГц), но для проведения экспериментов слишком сложная.

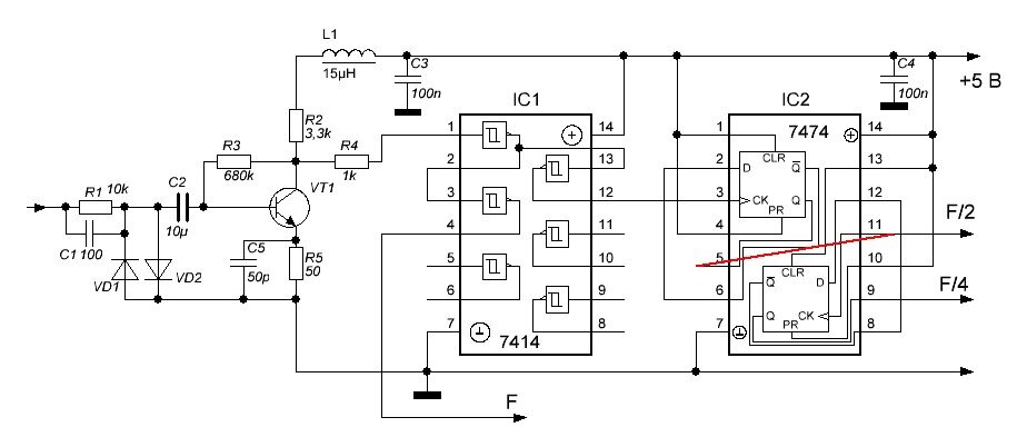
Поэтому я решил делать формирователь на триггере Шмитта 74HC14 и делитель на 74НС74. Эти микросхемы у меня были в наличии и на частотах до 20 МГц они будут работать нормально. Ну а перед формирователем сделаю простейший усилитель на КТ315. Вот какая получилась схема.

Рис. 2. Схема моего формирователя.
Рис. 2. Схема моего формирователя.

Входной усилитель имеет равномерную АЧХ в диапазоне от 100 кГц до 20 МГц. Коррекция АЧХ на высоких частотах осуществляется подбором емкости С5 и индуктивности L1. Я прогнал эту схему в LTspice и вот что получилось:

Рис. 3. АЧХ предварительного усилителя. про входном напряжении 250 мВ.
Рис. 3. АЧХ предварительного усилителя. про входном напряжении 250 мВ.

Собрал все на макетной платке.

Рис. 4.Плата формирователя.
Рис. 4.Плата формирователя.

Вначале проверил АЧХ предварительного усилителя с помощью NanoVNA Она оказалась практически как теоретическая, с завалом на частотах ниже 200 кГц. Затем проверил усиление на частоте 8 МГц.

Рис. 5. Осциллограммы сигнала на входе (вверху) и выходе предварительного усилителя.
Рис. 5. Осциллограммы сигнала на входе (вверху) и выходе предварительного усилителя.

При входном сигнале 100 мВ на выходе было около 1,3 В. Затем проверил порог срабатывания триггера Шмитта. Оказалось, что триггер срабатывает при подаче на вход предварительного усилителя напряжения сигнала 0,1 В.

Рис. 6. Осциллограммы на выходе усилителя (внизу) и выходе триггера (вверху).
Рис. 6. Осциллограммы на выходе усилителя (внизу) и выходе триггера (вверху).

Затем подключил к выходу триггера Шмитта D-триггеры микросхемы 74НС74.

Рис 7. Осциллограммы на входе (вверху) и выходе (внизу) первого D-триггера.
Рис 7. Осциллограммы на входе (вверху) и выходе (внизу) первого D-триггера.

При частоте на входе усилителя 1 МГц фронты импульсов на выходе триггера Шмитта достаточно крутые.

Рис. 8. Тоже, что и на рис. 7, но при входной частоте 19 МГц.
Рис. 8. Тоже, что и на рис. 7, но при входной частоте 19 МГц.

А вот на частоте 19 МГц фронты стали более пологими.

Рис. 9. Осциллограммы сигнала на выходе триггера Шмитта (вверху) и на выходе второго D-триггера.
Рис. 9. Осциллограммы сигнала на выходе триггера Шмитта (вверху) и на выходе второго D-триггера.

Подключил еще один D-триггер, на выходе которого получил частоту в четыре раза меньше, чем частота на входе предварительного усилителя (рис. 9.)

Рис. 10. То же, что на рис. 9, но при входной частоте 19 МГц
Рис. 10. То же, что на рис. 9, но при входной частоте 19 МГц

Таким образом, формирователь для частотомера работает на частоте до 19 МГц (выше мой генератор не тянет). Теперь дело за Ардуино.

Всем здоровья и успехов!