Добавить в корзинуПозвонить
Найти в Дзене
Хаус-Нова

Адаптация фундамента. Строим зимой.

Под адаптацией фундамента подразумевают изменение типа и/или параметров фундамента, заложенного в готовом проекте, под конкретный участок застройки. Зачем это надо? Готовые проекты коттеджей содержат типовые решения фундаментов, не учитывающие специфические особенности конкретного земельного участка. Типовой проект дома создается под определенные средние параметры грунта. Но очень часто геологические параметры реального участка застройки от них отличаются: деформируемость грунта, его несущая способность, промерзаемость, глубина залегания грунтовых вод — это очень важные характеристики, которые определяют параметры будущего фундамента, — и, навряд ли, они совпадают с теми, которые заложены в типовом проекте. А значит, фундамент необходимо адаптировать на основании данных инженерно-геологических изысканий. Адаптировав фундамент, вы получаете следующие преимущества: Услуга адаптации фундамента включает: Перед началом проектных работ специалисты нашей компании обсуждают с заказчиком все де
Оглавление

Под адаптацией фундамента подразумевают изменение типа и/или параметров фундамента, заложенного в готовом проекте, под конкретный участок застройки. Зачем это надо? Готовые проекты коттеджей содержат типовые решения фундаментов, не учитывающие специфические особенности конкретного земельного участка.

Типовой проект дома создается под определенные средние параметры грунта. Но очень часто геологические параметры реального участка застройки от них отличаются: деформируемость грунта, его несущая способность, промерзаемость, глубина залегания грунтовых вод — это очень важные характеристики, которые определяют параметры будущего фундамента, — и, навряд ли, они совпадают с теми, которые заложены в типовом проекте.

А значит, фундамент необходимо адаптировать на основании данных инженерно-геологических изысканий.

Адаптировав фундамент, вы получаете следующие преимущества:

  • Вы будете полностью уверены в НАДЕЖНОСТИ ФУНДАМЕНТА, а значит и в надежности всего дома;
  • закладка адаптированного фундамента может оказаться дешевле, чем предложенного в проекте изначально. ВЫ СМОЖЕТЕ СЭКОНОМИТЬ немалую сумму на закладке более экономного, но не менее надежного фундамента.

Услуга адаптации фундамента включает:

  • выбор типа фундаментных конструкций;
  • расчет всех технических показателей фундаментных конструкций (глубины заложения подошвы фундаментов, несущей способности, предельного напряжения грунта под подошвой фундамента, площади сечения рабочей арматуры, проч.);
  • создание детальных чертежей нулевого цикла;
  • создание ведомости затрат строительных материалов.

Перед началом проектных работ специалисты нашей компании обсуждают с заказчиком все детали и особенности будущего фундамента, принимают во внимание его пожелания, вместе находят оптимальное решение.

Стоимость адаптации фундамента зависит от его типа:

  • ленточный, плитный тип фундамента до 250 м2— 14000 руб.
  • свайный фундамент для дома до 250 м2 — 17000 руб.
  • УШП (с учетом теплого пола в плите) для дома до 250 м2 — 21000 руб

Примеры адаптации фундамента

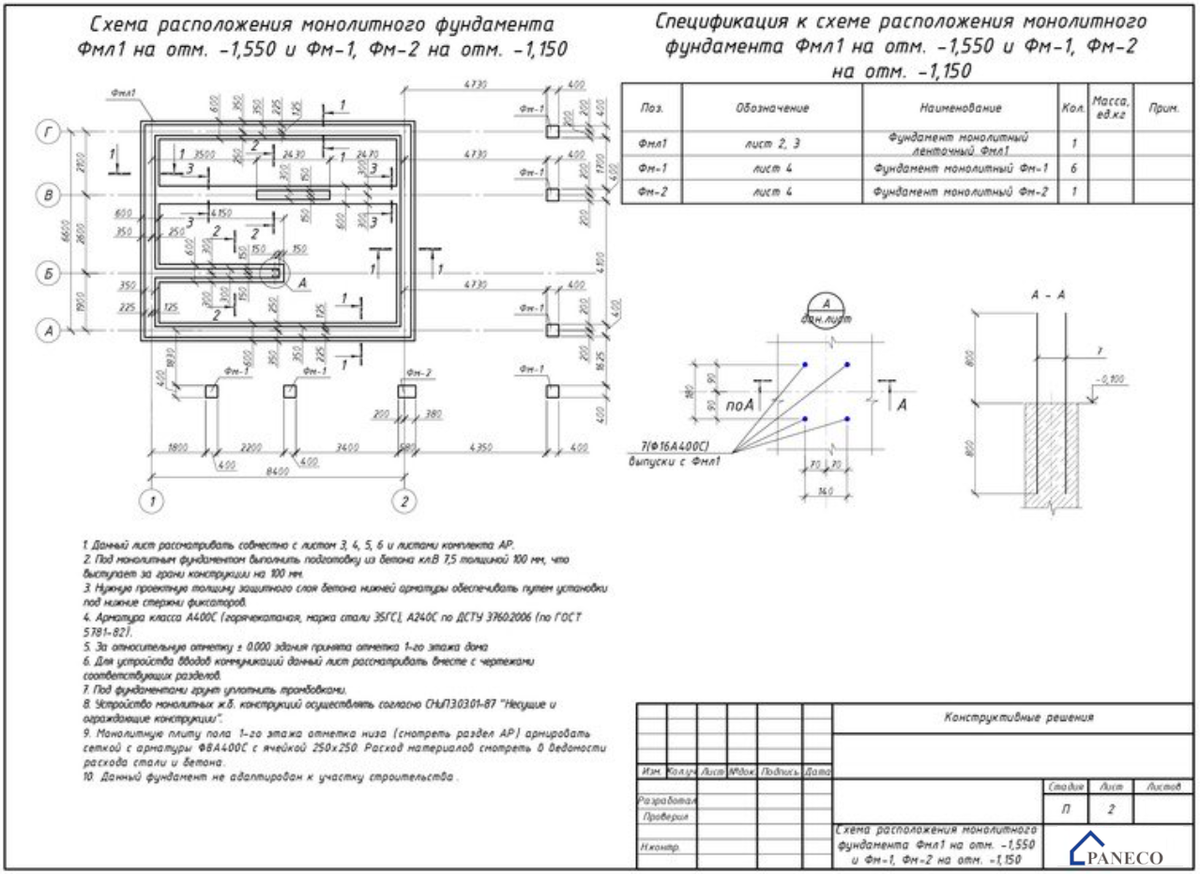
Ленточный - монолитный:

-2

Ленточный - монолитный фундамент читать...

Монолитная фундаментная плита:

-3

Монолитная фундаментная плита читать...

Сборно-монолитный фундамент с монолитным поясом:

-4

Сборно-монолитный фундамент с монолитным поясом читать...

Материал подготовлен ООО ПАНЭКО