Найти в Дзене
Grace Audio

YAMAHA NS-1000M миссия невыполнима (часть 3)

Приветствую Вас, уважаемые читатели! Причиной для изготовления нового кроссовера для YAMAHA NS-1000M и написание статьи послужила прослушка нескольких сетапов с активным разделением полос с применением DSP, прослушаные мной ранее пассивные варианты кроссоверов значительно уступали активному варианту. Чисто теоретический не чего не мешало снять передаточные характеристики активного варианта, проанализировать их и внедрить их в пассивный кроссовер. Не буду растягивать статью и описывать все варианты пассивных кроссоверов которые я собрал и испытал в деле (пять вариантов), перейду сразу к описанию финального варианта и аргументированию применяемых решений. Начну с фильтра НЧ, применяемый в НЧ звене динамик JA-3058A имеет значительный рост чувствительности с повышением частоты плюс к этому большая индуктивность и соответственно рост импеданса от частоты сильно уменьшает эффективность спада фильтра второго порядка в добавок к этому переход динамика из поршневого режима в зональный создаёт з

Приветствую Вас, уважаемые читатели! Причиной для изготовления нового кроссовера для YAMAHA NS-1000M и написание статьи послужила прослушка нескольких сетапов с активным разделением полос с применением DSP, прослушаные мной ранее пассивные варианты кроссоверов значительно уступали активному варианту. Чисто теоретический не чего не мешало снять передаточные характеристики активного варианта, проанализировать их и внедрить их в пассивный кроссовер. Не буду растягивать статью и описывать все варианты пассивных кроссоверов которые я собрал и испытал в деле (пять вариантов), перейду сразу к описанию финального варианта и аргументированию применяемых решений.

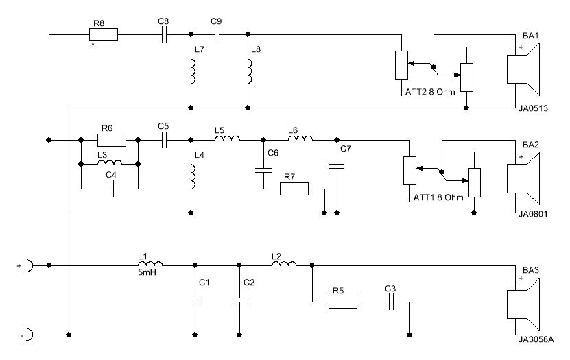
Начну с фильтра НЧ, применяемый в НЧ звене динамик JA-3058A имеет значительный рост чувствительности с повышением частоты плюс к этому большая индуктивность и соответственно рост импеданса от частоты сильно уменьшает эффективность спада фильтра второго порядка в добавок к этому переход динамика из поршневого режима в зональный создаёт значительный неравномерность АЧХ на частотах выше 1200 Гц, что в купе с малой эффективностью спада создаёт дополнительные проблемы в формировании раздела. Решением данной проблемы кажется очевидным повышаем порядок фильтра и от проблемы не остаётся и следа как реализовано в решении от Troels Gravesen, но все оказалось не так просто. Все фильтры с более высокого порядка чем второй имеют выраженную полку АЧХ, что с нашим динамиком, а вернее с ростом чувствительности от частоты плохо согласуется, то-есть мы можем создать эффективный спад в ущерб результирующей АЧХ. Решением данной проблемы было выбрано применение последовательного фильтра 2го и 1го порядка с цепью Цобеля. Казалось бы, союз фильтров 2го и 1го порядка создаёт фильтр 3го порядка, но в нашем случае рассмотреть его как фильтр 3го порядка будет не правильно, так как частоты среза у данных фильтров разные, до частоты сшивки фильтр ведет себя как фильтр 2го порядка (L1, С1, С2), а далее с ростом частоты дополнительно включается в работу фильтр 1го порядка (L2), а цепь Цобеля (R5, С3) компенсирует рост импеданса. Применение всех этих мер позволило получить желаемый спад характеристики с требуемой АЧХ с выраженой результирующей полкой (без плавного спада вниз от частоты раздела как у стокового фильтра) и небольшим расширением нижней граничной частоты за счет уменьшения чувствительности на 2 дБ.

Схема альтернативного кроссовера.
Схема альтернативного кроссовера.

Немного отойдя от темы хочется пролить свет на тему демпфирования которая много раз обсуждалась в различных источниках. Существует мнение, что внутренний объём имеет излишнее заполнение демпфирующим материалом, что в своё время плохо отражается на воспроизведение низких частот и если удалить нижний мат под низкочастотным динамиком то отдача на низких частотах увеличиться. Ниже привожу АЧХ измеренную с нижним матом и без него.

Синяя кривая с матом, красная без (в ближнем поле).
Синяя кривая с матом, красная без (в ближнем поле).

Как видим без мата наибольший прирост приходится на частоту порядка 80 Гц, но расширения воспроизводимого диапазона вниз не происходит, напротив из за подъёма на 80 Гц мы получаем негативный результат и склонность к гудению на низких частотах.

СЧ фильтр состоит из НЧ фильтра второго порядка (C5, L4) и ВЧ фильтра четвертого (L5, C6, R7, L6, C7), а так же применена цепь коррекции АЧХ (R6, L3, C4). Передаточная характеристика данного кроссовера создает требуемый подъём АЧХ СЧ звена в диапазоне от 2 кГц до 5 кГц, а цепь (R6, L3, C4) позволяет линеаризировать АЧХ ниже 2 кГц. В результате получена результирующая АЧХ с очень низкой неравномерностью и спадом 4 го порядка сверху, данное решение позволило уменьшить зону совместного излучения головок до минимума, что при столь высокой частоте раздела порядка 5,5 кГц является очень актуальной темой, в то же время НЧ фильтр СЧ звена второго порядка в купе с естественным спадом АЧХ СЧ головки создаёт достаточный спад характеристики по звуковому давлению и делает применение фильтра более высокого порядка не целесообразным.

Перед переходом к описанию фильтра ВЧ звена хотелось поделится той ситуацией которая поставила меня в тупик на некоторое время, в моменте я даже хотел признать поражение и сделать вывод, что достичь качество полученное с применением активного разделения не возможно и находил в оправдание данного предположения кучу мало влияющих факторов. Я полностью повторил передаточную характеристику и результирующую АЧХ активного кроссовера, но при прямом сравнении пассивный вариант уступал по качеству, а именно по формированию стереокартины и локализации при практический равной АЧХ. Было собрано несколько вариаций кроссовера, но проблема выражалась постоянно в том же самом, а именно в формировании стереокартины она была весьма широкой, но в то же время сильно "расфокусированой" с плохой локализацией, с другой стороны разницы в тональном балансе не наблюдалось от слова совсем. И тут меня посетила мысль, что я двигаюсь не в том направлении и постоянно повторяю одну и ту же ошибку которую не замечаю раз за разом. Как всегда решение оказалось в простом, дело в том что заводской вариант имеет противофазное включение ВЧ головки это решение проникло и в новый кроссовер и долгое время оставалось не замеченным, в то время активный вариант имел синфазное включение всех головок. Теперь о противофазном включении головок в многополосных системах подробнее, такое включение даёт возможность получить приемлемую АЧХ, за счет искажения ФЧХ, что очень критично для нормального восприятия стереокартины и понимания замысла звукорежиссера, это решение в какой то мере может работать как расширитель стереобазы в глубину который напрочь стирает естественную локализацию и создаёт одно большое бесформенное звуковое пятно. Возвращаясь к теме фазовых сдвигов применяемых к УМ считается плохим показателем сдвиг на высоких частотах более 20 градусов и довольно многие люди это слышат, конечно же это очень слышно в АС с сдвигом в 180 градусов в случае противофазного включения головок, но данный параметр как правило остаётся без огласки, не смотря на это маркетинг будет требовать использования фазолинейного усилителя с кривыми АС. Резюмируя все это могу сделать такой вывод, что противофазное включение кроме экономической выгоды в виде более простого кроссовера не имеет не какого смысла и может быть применимо в аппаратуре классом ниже чем HI-FI, я уже не говорю о студийных мониторах, хотя хороший звукорежиссер услышит это сразу, кроме этого работать на таких мониторах будет крайне сложно, так как эффект расширения стереобазы сделает работу невозможной или не правильной. Теперь о самом кроссовере о котором много не сказать, кроссовер 4 го порядка (C8, L7, C9, L8) в виду большой крутизне спада негативный момент на АЧХ связанный с выплеском импеданса в районе 2,5 кГц проявляет себя слабо и применения компенсирующей цепи не требует. Кроме того передаточная характеристика несколько компенсирует спад АЧХ ВЧ головки выше 16 кГц.

АЧХ 1м
АЧХ 1м
АЧХ ближнее поле раздельно
АЧХ ближнее поле раздельно
Импеданс
Импеданс
Кроссовер в сборе
Кроссовер в сборе

Подводя итог можно считать потенциал АС полностью раскрытым и признать поставленную задачу выполненной, а качество звучания и технические характеристики в плотную приблизились к варианту с активным разделением. В конце концов далеко не каждый пойдет на шаг с построением активного сетапа и причин для этого не мало, начиная от цены и сложностей в настройке и заканчивая не универсальности АС как отдельной единицы.

В сравнением же с заводским кроссовером можно отметить следующие преимущества:

1. Расширение нижней границы воспроизводимого диапазона вниз за счет лианеризации полки в частотном диапазоне от 50...250 Гц (стоковый вариант имеет рост чувствительности от частоты)

2. Использование НЧ динамика преимущественно в поршневом режиме, зональный диапазон ослаблен дополнительным фильтром и цепью Цобеля.

3. Уменьшение взаимного излучение головок за счет увеличения крутизны спада.

4. Синфазное включение всех головок позволило получить реалистичную стереокартину с точной локализацией.

5. Уменьшение спада в области ВЧ на частотах выше 15 кГц.

6. Уменьшение общей неравномерности АЧХ до +/-2 дБ в диапазоне 100 Гц...16000 Гц.

К недостаткам можно отнести всего лишь один факт уменьшение чувствительности на 2 дБ.

Ознакомительное сравнение кроссоверов тут, помните что запись не может передать всех нюансов звучания той или иной АС.

Новый кроссовер создавался исключительно для передачи точного звуковой картины без прекрас и жанровой зависимости, для тех людей которые слушают музыку без эквализации, в новом кроссовере частотная характеристика не требует не какой коррекции и звучит сразу ровно, сцена направлена к центру, а не по сторонам как у заводского варианта. Для любителей ямаховской окраски звука, есть вариант стокового кроссовера с новыми плёночными конденсаторами и кроссовер версии 2 который имеет на борту режекторный фильтр который убирает излишнюю ядовитость на верхней средине, но оставляя тональный баланс неизменным от стока. Тема с NS-1000m мной изучена очень подробно и все предпочтения учтены для любых вкусов.

В заключении желаю всем новых открытий и качественного звука!

По техническим вопросам и вопросам сотрудничества обращайтесь: graceaudio@yandex.ru

ЧАСТЬ1 ЧАСТЬ2 ЧАСТЬ3