Найти в Дзене
Лампа Электрика

Очередная сумасшедшая схема управления нагрузкой одной кнопкой

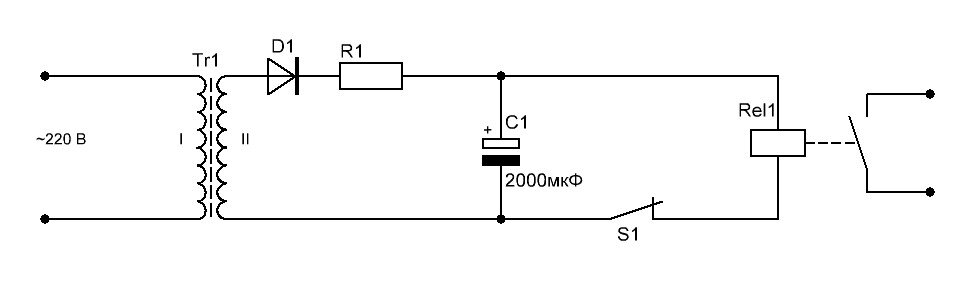
Есть блогеры в русских селеньях… Горящую избу остановят, в коня на скаку войдут. Не будем показывать пальцем, почти все знают человеков, заряжающих аккумуляторы энергией молнии и легким движением руки превращающих лопату в УКВ передатчик не вставая с кресла. К таким не отношусь, но под шумок хочу поделиться схемой управления нагрузкой при помощи одной кнопки, собранной из трех деталей, одной из которых является сама кнопка. Схема Возьмем простейший блок питания – трансформатор, выпрямитель, сглаживающий конденсатор. Для простоты выбираем простейший однополупериодный, собранный на одном диоде. Добавляем в схему резистор, кнопку на размыкание (можно вырвать из чужого манипулятора «мышь») и электромагнитное реле. С первого взгляда ничего нового и странного. Включили в сеть – реле сработало. Нажали на кнопку – реле отпустило. Отпустили кнопку – реле снова сработало. Но не все так просто. Как это работает При включении устройства в сеть через резистор R1 начинает заряжаться конденсатор С1.
Оглавление

Есть блогеры в русских селеньях… Горящую избу остановят, в коня на скаку войдут. Не будем показывать пальцем, почти все знают человеков, заряжающих аккумуляторы энергией молнии и легким движением руки превращающих лопату в УКВ передатчик не вставая с кресла. К таким не отношусь, но под шумок хочу поделиться схемой управления нагрузкой при помощи одной кнопки, собранной из трех деталей, одной из которых является сама кнопка.

Схема

Возьмем простейший блок питания – трансформатор, выпрямитель, сглаживающий конденсатор. Для простоты выбираем простейший однополупериодный, собранный на одном диоде. Добавляем в схему резистор, кнопку на размыкание (можно вырвать из чужого манипулятора «мышь») и электромагнитное реле.

Схема управления нагрузкой одной кнопкой
Схема управления нагрузкой одной кнопкой

С первого взгляда ничего нового и странного. Включили в сеть – реле сработало. Нажали на кнопку – реле отпустило. Отпустили кнопку – реле снова сработало. Но не все так просто.

Как это работает

При включении устройства в сеть через резистор R1 начинает заряжаться конденсатор С1. Поскольку параллельно конденсатору подключена обмотка электромагнитного реле, конденсатор заряжается не до напряжения источника питания, а до некоторого определенного значения. Выше этого значения он зарядиться не может из-за токоограничивающего резистора и постоянного тока разряда через обмотку. Этого напряжения недостаточно для срабатывания реле.

Нажимаем на кнопку S1. Нагрузка отключается и конденсатор заряжается до напряжения источника питания. Емкость его относительно велика и из-за сопротивления резистора R1 конденсатор заряжается медленно. Ждем несколько секунд и отпускаем кнопку. Теперь напряжения достаточно для срабатывания реле. Оно срабатывает, а конденсатор разряжается до первоначального значения.

Этого напряжения недостаточно для включения реле, но достаточно для его удержания. Оно остается включенным. Снова нажимаем на кнопку, реле отключается. Тут же отпускаем кнопку. Конденсатор за это время не успевает зарядиться до напряжения срабатывания реле и оно, естественно, не срабатывает. Мы отключили нагрузку, которая коммутируется контактами К1.1. Таким образом, мы имеем следующий алгоритм работы схемы:

  • Кратковременное нажатие – нагрузка отключается.
  • Длительное нажатие – нагрузка включается.

Для правильной работы такой схемы придется повозиться с подбором номинала резистора R1 и, возможно, с емкостью конденсатора С1. Казалось бы – какой там разброс между напряжением срабатывания и отпускания у электромагнитных реле? Но если заглянуть в справочник, можно увидеть, что разница существенная. Вот, к примеру, характеристики реле РЭС6 (паспорт РФ0.452.110):

  • ток срабатывания – 15 мА;
  • ток отпускания – 2 мА;
  • сопротивление обмотки – 2 500 Ом.

Исходя из этого рассчитываем напряжение срабатывания и отпускания.

  • U срабатывания = 0.015*2 500 = 37 В;
  • U отпускания = 0.002*2 500 = 5 В.

Разница существенная и на ней можно сыграть. Главное правильно подобрать номинал резистора, чтобы при отпущенной кнопке S1 напряжения на обмотке реле было недостаточно для его срабатывания, но достаточно для удержания. К примеру, 15 В будет недостаточно для срабатывания, даже если при кратковременном нажатии на кнопку S1 оно поднимется до 20 В, но для удержания этого более. Чем достаточно. Нельзя назвать эту схему устойчивой и надежной, но, тем не менее, она работает  ничуть не хуже зарядного устройства из рашпиля.

Полезно! В этой схеме лучше использовать стабилизированный блок питания, поскольку при уходе сетевого напряжения схема может выйти из рабочего режима.

Доработанная схема управления нагрузкой одной кнопкой
Доработанная схема управления нагрузкой одной кнопкой

Вот так из трех деталей мы скочевряжили очередную очумелую поделку, которая едва ли найдет практическое применение и представляет собой скорее чисто академический интерес.