Добавить в корзинуПозвонить
Найти в Дзене

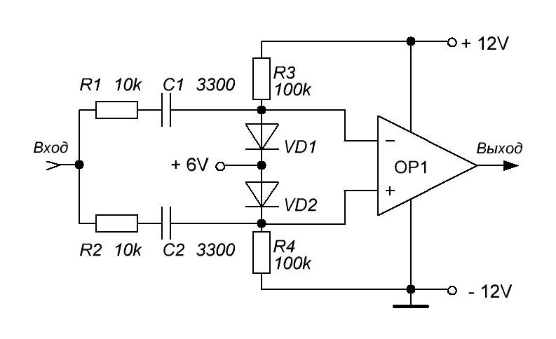
Удвоитель частоты на аналоговой микросхеме ОУ. Простая схема

Эта схема позволяет формировать на выходе последовательность импульсов с постоянной частотой и длительностью, при этом частота повторения импульсов будет в два раза больше, чем частота входных прямоугольных импульсов: Здесь операционный усилитель (ОУ) работает в качестве компаратора. В исходном состоянии напряжение между входами ОУ равно сумме падения напряжений на диодах VD1, VD2, а при данной полярности включения напряжение на выходе ОУ равно нулю. Положительный импульс поступает на прямой вход ОУ через цепь R2C2 практически без ослабления, так как диод VD2 находится в закрытом состоянии. На инвертирующий же вход положительные импульсы практически не проходят, так как прямое сопротивление открытого диода VD1 намного меньше, чем сопротивление резистора R1. При этом на выходе ОУ формируется импульс положительной полярности, длительность которого зависит от напряжения питания ОУ и амплитуды входного сигнала. При поступлении на Вход отрицательного импульса происходит аналогичный проц
Оглавление

Эта схема позволяет формировать на выходе последовательность импульсов с постоянной частотой и длительностью, при этом частота повторения импульсов будет в два раза больше, чем частота входных прямоугольных импульсов:

Схема - рисунок автора
Схема - рисунок автора

Здесь операционный усилитель (ОУ) работает в качестве компаратора. В исходном состоянии напряжение между входами ОУ равно сумме падения напряжений на диодах VD1, VD2, а при данной полярности включения напряжение на выходе ОУ равно нулю. Положительный импульс поступает на прямой вход ОУ через цепь R2C2 практически без ослабления, так как диод VD2 находится в закрытом состоянии. На инвертирующий же вход положительные импульсы практически не проходят, так как прямое сопротивление открытого диода VD1 намного меньше, чем сопротивление резистора R1. При этом на выходе ОУ формируется импульс положительной полярности, длительность которого зависит от напряжения питания ОУ и амплитуды входного сигнала. При поступлении на Вход отрицательного импульса происходит аналогичный процесс, но теперь диод VD1 будет закрыт. При указанных на схеме номиналах элементов R и С длительность импульсов на выходе ОУ одинакова и составляет около 0,3 мс.

Диоды в схеме можно использовать любые маломощные кремниевые, например КД503, КД521, 522 или аналогичные импортные, в качестве микросхемы могут работать как интегральные компараторы (например серии 521), так и операционные усилители типа К140УД7, К153УД2 и подобные.

/Информация для статьи взята из источника: “Радио”, №3, 1984г, стр.60/

Описание схемы в этом журнале очень краткое, честно говоря, я лично не собирал такую схему и у самого есть некоторые вопросы. Статью делал в качестве чисто информационной, общего плана. Однако если кто-то реально заинтересуется, есть ссылка на первоисточник: журнал “Electronics”, 1983, May, №10, p.141. Там должно быть более подробное описание. Схема довольно специфичная и я не уверен, что она будет интересна большому количеству читателей. Вполне возможно, что статья вообще не вызовет интереса. Но всю имеющуюся у меня информацию на данный момент я предоставил...

Благодарю за внимание!

Также, Вам может быть интересно: