Добавить в корзинуПозвонить
Найти в Дзене
Стив Май

Разбор ЕГЭ. Физика. Задание 14

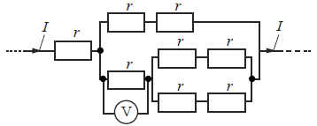
Что-то я забросил разборы заданий ЕГЭ. Сильно уж они непопулярными стали в прошлом году. Но вот решил вернуться к этой практике. Поскольку основную часть Информатики я разобрал ранее (смена формата экзамена не сильно повлияла на суть), сейчас я буду разбирать физику. И начну не с начала, а с 14 задания: по результатам ЕГЭ прошлых лет, это одно из самых "провальных" заданий первой части. Задание верно выполнялось примерно половиной (большей) сдающих, значит, для остальных будет полезно то, что я напишу. В этот раз я не буду анализировать попутные материалы, а прыгну сразу в дамки. Объясню, как решать такие задачи вообще. В демоверсии 2021 года по физике приводится на 14й позиции такая задача: Восемь одинаковых резисторов с сопротивлением r =1 Ом соединены в электрическую цепь, через которую течёт ток I = 4 А (см. рисунок). Какое напряжение показывает идеальный вольтметр? В интернетах я видел кучу разных ликбезов по задачам на электрические цепи , но все они из серии рисования совы: са
Оглавление

Что-то я забросил разборы заданий ЕГЭ. Сильно уж они непопулярными стали в прошлом году. Но вот решил вернуться к этой практике. Поскольку основную часть Информатики я разобрал ранее (смена формата экзамена не сильно повлияла на суть), сейчас я буду разбирать физику. И начну не с начала, а с 14 задания: по результатам ЕГЭ прошлых лет, это одно из самых "провальных" заданий первой части.

Задание верно выполнялось примерно половиной (большей) сдающих, значит, для остальных будет полезно то, что я напишу. В этот раз я не буду анализировать попутные материалы, а прыгну сразу в дамки. Объясню, как решать такие задачи вообще.

В демоверсии 2021 года по физике приводится на 14й позиции такая задача:

Восемь одинаковых резисторов с сопротивлением r =1 Ом соединены в электрическую цепь, через которую течёт ток I = 4 А (см. рисунок). Какое напряжение показывает идеальный вольтметр?

В интернетах я видел кучу разных ликбезов по задачам на электрические цепи , но все они из серии рисования совы: самых важных тонкостей никто не показывает, а как им научить - тем более.

Вот - мой мануал по задачам на цепи, в нём я опишу именно детали, с которых надо начинать.

Надо понимать, что в ЕГЭ не бывает задач с хитровывертами, поэтому можно обойтись всего двумя законами: законом Ома для участка цепи и законами сложения сопротивлений (три формулы):

-3

Но эти законы работают только на маленьких (атомарных) участках цепи, в которых всего одно (закон Ома) или два (законы сложения) сопротивления. [сейчас мне в комментариях напишут про производный закон r=r1+r2+r3+... - ну и ладно, я предупредил]

Этот шаг настолько простой, что никто даже не пытается научить ему. Но чаще всего ошибки именно в том, что неявное "легко видеть, что" приводит ребёнка не туда. И я считаю важным поднять этот шаг на сознательный уровень, а не оставлять на умолчания.

Приём 0. Разбить цепь на участки

И вот этот момент все учителя, репетиторы и авторы видеоуроков всегда проскакивают. Но научиться это делать - очень важно.

Между тем, это ещё и очень легко. Нам нужно мысленно сделать два разреза на линиях-проводах, так, чтобы отрезаемый участок выпал, отвалился. Важно, чтобы разреза было РОВНО ДВА. ДВА!!!! 2 штуки.

-4

Для удобства объяснения я пронумеровал сопротивления.

Посмотрите: я сделал два варианта таких разреза. Один ошибочный - наиболее популярная ошибка у детей. Второй верный. Понятно, почему первый (красненький) ошибочный? Потому что сопротивления с номерами 2 и 3 не выпадут из цепи, а будут держаться на проводке 1-2.

Ещё очень часто разрезы делают в узлах (жирные точки на схеме). Этого тоже делать нельзя. Нужно резать только по проводам.

Задача ученика в такой ситуации сделать все возможные разрезы.

И составить список всех таких участков. В нашей ситуации будет очень много вариантов, и во всяких видеоуроках большая часть этих вариантов просто опускается. Типа, а мы, вот, не стали отдельно сопротивление №7 отрезать. И не объясняют, почему не стали. А это важно.

Список:

-5

Получилось 15 комбинаций. На этом месте мне опять скажут: идите с такими сложностями, знаете, куда? Я-то пойду, но и таких приглашу. Потому что

даже если какие-то комбинации не прописаны в тетради или на черновике, решальщик задач всё равно их учитывает в уме по принципу "это не пригодится"

Значения величин

Дальше этот список превращается в небольшую табличку, где мы записываем для каждого участка три числовые характеристики: сопротивление (эквивалентное) участка, напряжение на концах (где резали) и силу тока (втекающего и вытекающего):

В общем-то, заполнение этой таблицы до конца и приведёт к решению (то есть, физически задача уже решена, осталась техника и математика). В ЕГЭ даются такие задачи, в которых можно либо всю таблицу заполнить числами, либо частично, но в этой части будет ответ. Для нас ответ будет в ячейке, которую я выделил на втором слайде.

Я уже сто раз писал, что при решении задач по физике (в большинстве случаев) можно просто писать числа безо всяких букв и единиц измерения. И вот в эту таблицу надо писать числа - не важно, где мы взяли их (лишь бы не наугад - в том числе, угаданные действия)

Сначала то, что дано в условии:

-7

А остальные придётся вычислять. И вот тут пригодятся четыре приёма (два из которых знает каждый).

Продолжение в следующей серии