Найти в Дзене
Лампа Электрика

Два тестера для проверки полевых транзисторов

Предлагаемые в этой статье тестеры просты по конструкции и помогут однозначно определить исправность любого полевого транзистора. Сама же проверка займет не более нескольких секунд.
Оглавление

Обычно проверку исправности полевого транзистора проводят при помощи мультиметра, но этот метод не всегда срабатывает. К примеру, если пороговое напряжение затвора проверяемого полупроводника выше, чем напряжение, выдаваемое мультиметром на щупы про прозвонке, транзистор не сможет открыться, и мы посчитаем его неисправным. Да и времени такая прозвонка занимает относительно много. Предлагаемые в этой статье  тестеры просты по конструкции и помогут однозначно определить исправность любого полевого транзистора. Сама же проверка займет не более нескольких секунд.

Простой тестер

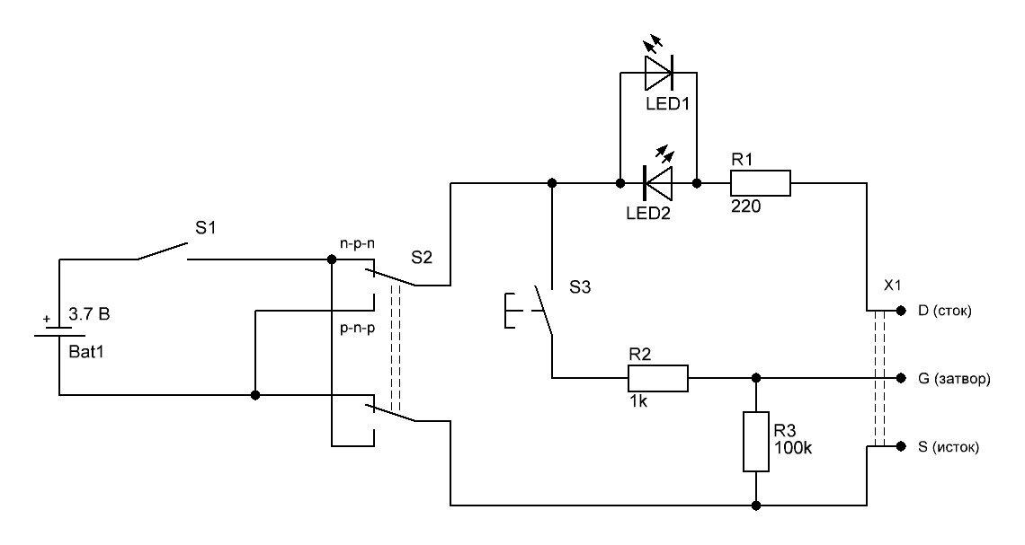
Для сборки этого прибора понадобятся пара переключателей, несколько резисторов и два светодиода. Взглянем на его схему.

Схема простого тестера для проверки полевых транзисторов
Схема простого тестера для проверки полевых транзисторов

Работаем с прибором следующим образом.  Переключателем S2 устанавливаем проводимость проверяемого  полупроводника. Для транзисторов с n-каналом переключатель устанавливаем в верхнее по схеме, а с p-каналом – в нижнее положение. Подключаем испытываемый транзистор к разъему X1, соблюдая цоколевку.

Подаем питание на схему переключателем S1. Оба светодиода (LED1, LED2) не горят – транзистор закрыт, поскольку на затворе относительно истока нулевое напряжение. Нажимаем на кнопку S3, подавая на затвор положительное напряжение. Транзистор должен открыться, а один из светодиодов загореться. LED1 загорится, если у нас транзистор с n-каналом, LED2 – если с p-каналом.

Если любой из светодиодов горит при отпущенной кнопке или не зажигается при ее нажатии, транзистор можно считать неисправным (если мы, конечно, не перепутали положение переключателя S2).

Полезно! Напряжение питания схемы желательно увеличить до 5, а лучше до 9 - 12 В, поскольку при проверке мощных MOSFET с большим пороговым напряжением затвора полупроводник может не открыться.

Тестер на основе блокинг-генератора

Этот тестер работает по несколько иному принципу и позволяет проверить не только полевые, но и биполярные транзисторы.

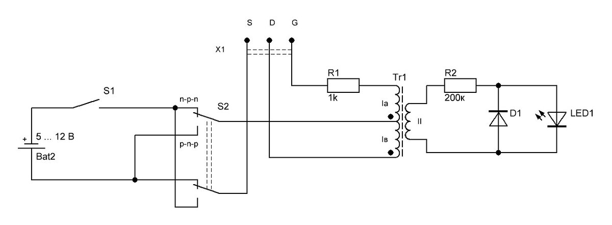
Схема тестера на основе генератора
Схема тестера на основе генератора

Сердцем устройства является блокинг-генератор, собранный на трансформаторе Т1 и испытываемом триоде. Алгоритм работы с тестером выглядит так.  Переключателем S2 устанавливаем проводимость проверяемого  полупроводника. Для транзисторов с n-каналом переключатель устанавливаем в верхнее, а с p-каналом – в нижнее по схеме положение. Подключаем испытываемый транзистор к разъему X1, соблюдая цоколевку.

Если транзистор исправен, то генератор запустится и на его вторичной обмотке появится импульсное напряжение, которое зажжет светодиод LED1. Резистор R2 – токоограничивающий, диод D1 служит для защиты светодиода от обратного напряжения.

В конструкции можно использовать любой сетевой трансформатор, имеющий обмотку с отводом от середины, выдающей напряжение 10-25 В. Эта обмотка используется как первичная. В качестве вторичной, нагруженной на светодиод,  используется сетевая обмотка. На месте D1 может работать любой маломощный выпрямительный диод, выдерживающий обратное напряжение не менее 250 В. Светодиод – любой индикаторный.

При желании Т1 можно изготовить самому, взяв за основу любой малогабаритный трансформатор, причем не обязательно сетевой. Подойдет, к примеру,  согласующий или выходной трансформатор от старого транзисторного приемника.

Разбираем сердечник, сматываем с каркаса все обмотки и наматываем свои. Первичная будет содержать 100 – 200 витков с отводом от середины, вторичная – 100 витков. Для всех обмоток используем провод ПЭЛ диаметром 0.1 – 0.25 мм.

Важно! При использовании самодельного трансформатора номинал резистора R2 нужно уменьшить до 470 Ом. При этом диод D1 можно взять с обратным напряжением не ниже 20 В.

При проверке биполярных триодов их базу подключаем к клемме G, коллектор к клемме D, а эмиттер к клемме S. В остальном алгоритм проверки останется прежним.

Вот мы и выяснили, что для проверки транзисторов совсем необязательно использовать мультиметр. Для этого достаточно лишь собрать простую схему, которая позволит быстро проверить полупроводник даже в полевых условиях.