Добавить в корзинуПозвонить
Найти в Дзене

Коммутатор аналоговых сигналов на К1561КТ3

Электронные ключи имеют как серъезные недостатки, так и полезные достоинства.

В приемнике "Урал-авто" есть линейный вход усилителя НЧ, который коммутируется обычным механическим переключателем. Хочется попробовать применить электронный коммутатор на базе микросхемы К1561КТ3.

Электронные ключи имеют как серъезные недостатки, так и полезные достоинства. К недостаткам можно отнести как конечное сопротивление открытого, так и совсем не бесконечное сопротивление закрытого ключа, а также дополнительные, пусть как правило и небольшие, вносимые ключом нелинейные искажения.

Достоинства заключаются в небольших габаритах, очень низком энергопотреблении и у некоторых серий ключей — широкий диапазон питающих напряжений (от 3 до 15 В).

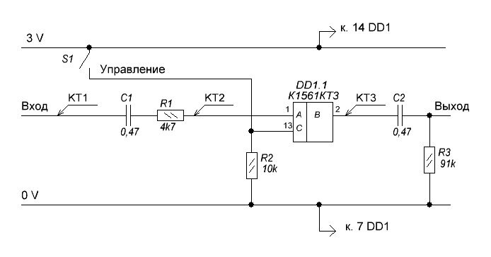
Вот последнее (низкое потребление и питание от 3 вольт) меня на данном этапе и заинтересовало, поэтому посмотрим на параметры ключа К1561КТ3 при включении его как коммутатора аналоговых сигналов. Для этого соберем схему, показанную на рис. 1.

Рис. 1. Схема проверки коммутатора.
Рис. 1. Схема проверки коммутатора.

Напряжение питания выбрано 3 В, т. к. предполагается использовать ключ под управлением контроллера Arduino Pro-Mini, запитав ключ от 3,3-вольтового стабилизатора контроллера. Входное переменное напряжение с частотой 1000 Гц установил практически максимальное для данного напряжения питания — около 1 В. Контролировать сигнал будем в трех контрольных точках, указанных на схеме.

Первая неожиданность — при разомкнутом ключе переменное напряжение в КТ2 равно напряжению в КТ1 (рис. 2), хотя практически во всех описаниях ключей КТ3 указано, что при разомкнутом канале его вход замыкается на общий провод, даже приводится схема с дополнительными полевыми транзисторами на входе. Возможно в аналоге (4066А) так и есть, однако в том экземпляре КТ3 явно никакого соединения входа с землей не наблюдается. Используемый мной экземпляр микросхемы приведен на рис. 3.

Рис. 2. Форма сигнала в контрольной точке КТ2 при закрытом ключе.
Рис. 2. Форма сигнала в контрольной точке КТ2 при закрытом ключе.

При закрытом ключе на выходе (КТ3) наблюдается переменное напряжение около 0,5...0,6 мВ и частотой 1000 Гц, т. е. сопротивление закрытого ключа около 100 МОм.

Рис. 3. Используемый ключ.
Рис. 3. Используемый ключ.

При открытом ключе напряжения Uкт2 = Uкт3 = 938 мВ, форма сигнала приведена на рис. 4. Это, конечно, не значит, что сопротивление ключа в открытом состоянии равно 0, просто точности имеющегося осциллографа нехватает для измерения. С помощью мультиметра удалось получить примерную величину сопротивления открытого канала, которое составило около 500...600 Ом.

Рис. 4. Форма сигнала на выходе открытого ключа.
Рис. 4. Форма сигнала на выходе открытого ключа.

Следует отметить, что при уменьшении сопротивления нагрузки заметно увеличиваются нелинейные искажения при напряжении питания 3 В. Например, на рис. 5 приведена форма выходного сигнала при R3 = 4,7 кОм.

Рис. 5. Форма сигнала на выходе при нагрузке 4,7 кОм и напряжении питания ключа 3 В.
Рис. 5. Форма сигнала на выходе при нагрузке 4,7 кОм и напряжении питания ключа 3 В.

Искажения пропадают при увеличении напряжения питания ключа до 5 В. Т. к. предполагаю использовать коммутатор в приемнике, где нагрузкой для ключа будет служить регулятор громкости сопротивлением 47 кОм, то проблем даже при питании 3 В возникнуть вроде не должно.

И все же схема рис. 1 неудачная. И увидеть это можно, если увеличить емкость конденсаторов C1 и С2 хотя бы до 1 мкФ. Тогда, при закрытом ключе, на выходе появляется помеха, показанная на рис. 6.

Рис. 6. Помеха на выходе закрытого ключа при емкости С1 = 1 мкФ.
Рис. 6. Помеха на выходе закрытого ключа при емкости С1 = 1 мкФ.

Причем кривая "плавает" — есть моменты, когда эта помеха на выходе даже пропадает. Связано появление помехи на выходе с тем, что аналоговый сигнал — двуполярный, т. е. в зависимости от действующего на данный момент заряда на конденсаторе С1, на входе закрытого ключа может появиться отрицательная (относительно общего провода) полуволна входного переменного напряжения, что и приводит к паразитному срабатыванию ключа и появлению помехи на выходе.

Поэтому правильнее "подтянуть" вход ключа примерно к половине напряжения питания (просто "подвесить" его к 3 вольтам нельзя — ключ может срабатывать уже от положительной полуволны). Тогда, при входном напряжении меньше этого смещения, потенциал входа будет оставаться в пределах напряжения питания микросхемы и, соответственно, паразитного срабатывания ключа не будет. Схема приведена на рис. 7.

Рис. 7. Доработанная схема коммутатора.
Рис. 7. Доработанная схема коммутатора.

В таком включении помеха на выходе закрытого ключа появляется только при достижении размаха входного аналогового сигнала (от пика до пика) 3,5 вольт (1,2 В действующего).

Конечно, такое схемное решение имеет ряд недостатков: 1) на каждый аналоговый вход надо ставить пару резисторов, 2) эти резисторы снижают входное сопротивление усилителя (хотя просто можно поставить резисторы бОльшего номинала), 3) через делитель на вход усилителя могут проникать помехи по цепям питания от самого ключа.

Впрочем, последний недостаток можно устранить (или снизить его влияние), если подключить делитель не к питанию ключа, а к выходу 2,5-вольтового стабилизатора, который был описан ранее (в этом случае, возможно, удастся обойтись всего одним резистором, "подтягивающим" вход ключа к 2,5 В). Что же касается остальных недостатков — на мой взгляд отсутствие помех вполне окупает расход резисторов.

Теперь надо переходить к следующему этапу — подключению ключа к контроллеру. Но об этом — в другой раз.