Добавить в корзинуПозвонить
Найти в Дзене
DS

Отпугиватель комаров для рыбаков охотников и туристов

В этой статье рассмотрим несколько простых и известных электрических схем, которые будут собираться как на микросхемах, так и на транзисторах. Их принцип работы очень прост — отпугнуть комаров генерируемым ультразвуком.

В дикой природе, лесу, степи или у водоема обитают полчища комаров, которые могут приятное времяпровождение для рыбака, процесс охоты или просто поход туриста превратить в испытание. Для борьбы с комарами можно применять химические вещества, аэрозоли или крема, но есть еще некоторые способы, которые способны помочь человеку в защите от комаров. Это электронные способы борьбы с насекомыми. Любой начинающий радиолюбитель способен собрать такое устройство. В этой статье рассмотрим несколько простых и известных электрических схем, которые будут собираться как на микросхемах, так и на транзисторах. Их принцип работы очень прост — отпугнуть комаров генерируемым ультразвуком.

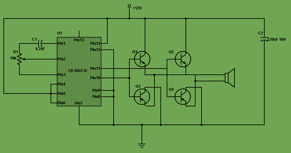
Первой схемой, которая будет рассмотрена, устройство на микросхеме CD4047 CK. Схема очень проста и приведена ниже

Транзисторы Q1..4 — SL 100, либо их аналоги. Сам прибор основан на теории, что комар может просто быть отбит звуковой волной высокой частоты.

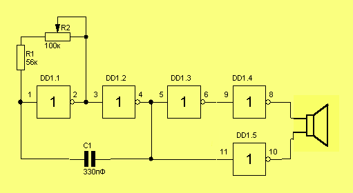
Вторая схема собирается на микросхеме К561ЛН2 или его аналоге CD4049. Ниже приведена его схема

-2

По своей сути DD1.1 и DD1.2 являются генератором, остальное усилитель. Диапазон изменения частот от 10 до 30 кГц. В качестве источника питания можно применить крону. В качестве динамика можно взять пьезо излучатель, питаемый от батареи, либо просто любую другую динамическую головку.

Следующая схема собрана на транзисторах, и представляет собой несимметричный мультивибратор. Ниже приведена его схема

-3

Транзистор VT1 МП36 или МП38, VT2 МП40 или МП42, а также их аналоги. В качестве источника питания используется простая крона. В качестве динамика можно использовать В1, ДЭМ 4М, ТА. Диапазон генерируемых частот от 2 до 15 кГц.

Все эти схемы являются очень простыми, представляющими из себя простые генераторы высокочастотного звука. При желании их в собранном состоянии можно уместить в карман. Однако стоит помнить, что радиус действия таких устройств составляет всего 1-1,5 метра.

Можно купить готовый хороший вариант отпугивателя:

КУПИТЬ НА АЛИЭКСПРЕСС (ССЫЛКА)

-4