Найти в Дзене
Старый радиолюбитель

Радиоконструктор. Предварительный УНЧ - 2.

Эта статья о схемах предварительного усилителя на операционных усилителях и специализированных усилителях.

Эта статья о схемах предварительного усилителя на операционных усилителях и специализированных усилителях.

Сейчас проще всего сделать предварительный усилитель на ОУ. Они отвечают всеми необходимыми характеристиками - низким уровне шумов, низким коэффициентом нелинейных искажений, большим коэффициентом усиления, высоким входным и низким выходным сопротивлением, простым "обвесом" и понятной логикой работы.

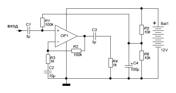
Вот схема такого усилителя.

Рис. 1. Схема предварительного усилителя НЧ на ОУ.
Рис. 1. Схема предварительного усилителя НЧ на ОУ.

Для операционных усилителей характерно двуполярное питание, что не всегда удобно. Поэтому часто используют однополярное питание с искусственной средней точкой. На схеме такая средняя точка образована резисторами R5, R6. Так как их сопротивления одинаковы, то в точке их соединения напряжение равно половине напряжения питания. Средняя точка заземлена по переменному току через конденсатор С4. Напряжение от средней точки подается через резистор R1 на неинвертирующий вход ОУ, при этом напряжение на выходе ОУ будет равно напряжения на неинвертирующем входе, т.е. 1/2 Uпит.

Инвертирующий вход соединен с выходом ОУ через резистор R2, обеспечивая 100% ООС по постоянному току. А ООС по переменному току состоит из R2, R3, C1. Усиление по переменному току равно примерно отношению сопротивления R2 к сумме сопротивления R3 и реактивного сопротивления конденсатора С2 на данной частоте. Если взять С" достаточно большим, то его реактивным сопротивлением можно пренебречь. Тогда примерно Ку = R2/R3.

Характеристики такого усилителя будут зависеть от применяемого ОУ, его входных шумов. Так как входное сопротивление современных ОУ (даже с биполярными транзисторами на входе) достаточно велико (сотни килоом), а допустимое напряжение питания до 30 В, Ку больше 1000000, то в данном случае они большого значения не имеют. Так же не имеет большого значения частота единичного усиления, желательно чтобы она была больше 1 МГц.

Здесь подойдут импортные микросхемы типа TL072, NE5532, NJM4580 (все - два ОУ в одном корпусе), или OP27 (одинарный ОУ). Если у вас много денег, то вам подойдут SSM2017 (с программируемым усилением), SSM2142 (сигнал/шум = -93дБ), SSM2166 (с программируемым усилением и шумоподавлением) или AD797 (Uш = 0,9 нВ/Гц^1/2, уровень гармоник = -120 дБ) Из отечественных подойдут 157УД2, 157УД3, 140УД25 (аналог ОР27) и подобные. Но у некоторых наших микросхем требуется частотная коррекция. Есть у нас и специализированные малошумящие предварительные УНЧ, например серии 548, которые использовали в магнитофонах.

Я прогнал на симуляторе LTspice усилитель , схема которого изображена на рис. 1. В качестве ОУ я выбрал ОР27 (взял бы TL072, но в библиотеке симулятора только ОУ фирмы Analog Device). При амплитуде входного напряжения 1 мкВ на выходе было напряжение более 9 мВ (Ку = 80 дБ, частота - 1 кГц, сопротивление R3= 10 Ом). При этом АЧХ была такой:

Рис. 2. АЧХ усилителя с Ку = 80 дБ (R3 = 10 Ом)
Рис. 2. АЧХ усилителя с Ку = 80 дБ (R3 = 10 Ом)

Для CW - приемника такая АЧХ подойдет, а вот для остального - слишком большой завал на высоких частотах. Попробовал уменьшить усиление, сделав R3= 100 Ом.

Рис. 3. АЧХ усилителя при Ку = 60 дБ (R3 = 100 Ом)
Рис. 3. АЧХ усилителя при Ку = 60 дБ (R3 = 100 Ом)

Вот это уже ближе к делу. Уменьшим усиление еще в 10 раз, сделав R3 = 1 кОм.

Рис. 4. АЧХ усилителя при Ку = 40 дБ (R3 = 1 кОм).
Рис. 4. АЧХ усилителя при Ку = 40 дБ (R3 = 1 кОм).

В этом случае характеристика почти равномерная во всем диапазоне частот. Завал на краях диапазона - не боле 3 дБ. Каков же вывод?

Не стоит выжимать усиление из одного ОУ, гораздо проще добавить еще один каскад на таком же ОУ или даже гораздо ниже классом по шумам.

Теперь вернемся к рис. 1. Чтобы сделать завал высоких частот, нужно включить параллельно резистору ООС R2 конденсатор. Сопротивление конденсатора переменному току падает с увеличением частоты, а значит будет усиливаться ООС и снижаться усиление.

Повысить усиление на высоких частотах по сравнению с низкими можно уменьшая емкость конденсатора С2, при этом его сопротивление на низких частотах увеличится и усиление на этих частотах упадет.

Установив емкость конденсатора С2 = 2,2 мкФ и подключив параллельно R2 конденсатор С5 = 680 пФ, получил вот такую АЧХ.

Рис. 5. АЧХ усилителя при Ку = 40 дБ (С2 = 2,2 мкФ, С5 = 680 пФ).
Рис. 5. АЧХ усилителя при Ку = 40 дБ (С2 = 2,2 мкФ, С5 = 680 пФ).

Еще сильнее можно изменить АЧХ, включая в цепь обратной связи резонансные контуры.

Рис. 6. Схема телеграфного активного фильтра.
Рис. 6. Схема телеграфного активного фильтра.

При включении параллельно R2 паралельного контура (выделен красным) получаем телеграфный фильтр. На резонансной частоте фильтра (1 кГц) сопротивление контура максимально а ООС - минимальна.

Рис. 7. Схема АЧХ телеграфного фильтра на ОУ
Рис. 7. Схема АЧХ телеграфного фильтра на ОУ

АЧХ получилась практически симметричной и полосой 100Гц по уровню -10 дБ. Похожая АЧХ, только менее острая, получится если включить последовательный контур параллельно цепочке R3С2. У последовательного контура на резонансной частоте минимальное сопротивление, поэтому усиление схемы будет максимальным.

Рис. 8. Схема телеграфного фильтра с последовательным контуром.
Рис. 8. Схема телеграфного фильтра с последовательным контуром.

Для обострения АЧХ пришлось увеличить сопротивление R3 до 1 кОм.

Теперь об усилителе на двух ОУ.

Рис. 9. Схема усилителя на двух ОУ.
Рис. 9. Схема усилителя на двух ОУ.

Два практически одинаковых каскада с разными корректирующими конденсаторами (С8, С9). С помощью подстроечных резисторов R3, R9 можно регулировать коэффициент усиления. Нагрузочные резисторы R4, R10 выбраны с бОльшим сопротивлением.В результате коэффициент усиления около 70 дБ, и есть резерв.

Рис. 10. АЧХ усилителя на двух ОУ.
Рис. 10. АЧХ усилителя на двух ОУ.

Неравномерность АЧХ получившегося усилителя в полосе 300 Гц - 2,5 кГц - 3 дБ.

Если установить между каскадами ФНЧ или резонансный контур, то можно получить желаемую АЧХ.

Рис. 11. Схема двухкаскадного УНЧ с включенным резонансным контуром.
Рис. 11. Схема двухкаскадного УНЧ с включенным резонансным контуром.
Рис. 12. АЧХ двухкаскадного УНЧ с включенным резонансным контуром.
Рис. 12. АЧХ двухкаскадного УНЧ с включенным резонансным контуром.

Если между первым и вторым каскадом включить пассивный ФНЧ, как у В.Т. Полякова, то получим отличную АЧХ для SSB.

Рис. 13. АЧХ двухкаскадного УНЧ с включенным ФНЧ.
Рис. 13. АЧХ двухкаскадного УНЧ с включенным ФНЧ.

Фильтр имеет две частоты бесконечного (ну, почти) затухания f1 и f2, которые обусловлены наличием параллельных контуров L2C14 и L1C13. Подавление на этих частотах составляют более 70 дБ (3630 Гц) и более 90 дБ (6500 Гц). Затухание частот выше 3,5 кГц - более 50 дБ и очень не плохой коэффициент прямоугольности. Думаю, если более тщательно подобрать элементы фильтра, то можно получить и лучшие характеристики. И еще, следует учитывать, что фильтры вносят затухание, поэтому может потребоваться включение третьего каскада усиления.

Всем здоровья и успехов!