Найти в Дзене
Акум Эксперт

Аккумулятор недозаряжается при коротких поездках – решаем проблему

При частых пусках и коротких поездках АКБ нередко не успевает восполнить энергию, потраченную на запуск двигателя. В этой статье мы рассмотрим несколько вариантов решения подобной проблемы и постараемся избавиться от необходимости постоянной постановки АКБ на подзарядку.
Оглавление

Теоретически стационарное зарядное устройство необходимо лишь периодически для профилактики аккумуляторной батареи. Она должна отлично заряжаться от штатного генератора во время езды. Но на практике так происходит далеко не всегда. При частых пусках и коротких поездках АКБ нередко не успевает восполнить энергию, потраченную на запуск двигателя. Особенно это сильно проявляется в зимнее время, когда емкость батареи падает, а замерзший мотор запускается с трудом. В этой статье мы рассмотрим несколько вариантов решения подобной проблемы и постараемся избавиться от необходимости постоянной постановки АКБ на подзарядку.

Для многих автовладельцев ситуация до боли знакомая
Для многих автовладельцев ситуация до боли знакомая

Почему так происходит?

Основная причина проблемы – низкое напряжение бортовой сети. Особенно это заметно на холостых оборотах и при включении дополнительных мощных бортовых систем – кондиционера, печки, фар, музыкального центра и т.п. В этом случае напряжение, выдаваемое генератором, может "просесть" до 13.5 - 13.6 вольт. Если поездка длительная, то АКБ при таком напряжении в принципе худо-бедно зарядится. А вот если мы каждые 2 км останавливаемся, а потом снова запускаем двигатель, аккумулятор, если его периодически не ставить на подзарядку от стационарного ЗУ, со временем неизбежно "сядет" и рано или поздно не сможет запустить двигатель.

Можно ли решить этот вопрос и избавиться от постоянного использования зарядного устройства? Безусловно. Для этого достаточно немного поднять напряжение, выдаваемое генератором. А сделать это можно двумя способами:
  1. Доработать штатный регулятор напряжения (РН).
  2. Заменить штатный РН на трехуровневый.

Доработка штатного РН

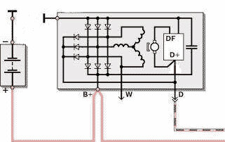
Метод достаточно бюджетный и  простой – с ним справится практически каждый автовладелец. Для доработки понадобятся лишь мощный выпрямительный диод, ножевая колодка и паяльник. Взглянем на схему наиболее распространенного на сегодняшний день генератора.

Схема генератора автомобиля ВАЗ 2107 инжектор
Схема генератора автомобиля ВАЗ 2107 инжектор

Из схемы видно, ччто для контроля напряжения, поступающего с генератора, реле регулятор использует вывод D+. Остается лишь обмануть регулятор, чтобы он "думал", будто напряжение в бортовой сети ниже положенного. Для этого достаточно в цепь контроля установить диод, на котором упадет часть напряжения.

Схема доработки генератора
Схема доработки генератора

Снимаем заднюю крышку генератора и в провод, подключенный к регулятору, врезаем диод катодом к регулятору. Вот и вся доработка. Причем для этого совсем не нужно разбирать и, тем более,снимать сам генератор. Ну и лучше, конечно, не врезаться в сам провод, с делать диод съемным. Ведь при длительных поездках и в теплое время года он может оказаться не только ненужным,но и нежелательным, поскольку будет перезаряжать АКБ. А выглядеть это будет примерно так:

Доработка генератора
Доработка генератора

Насколько после таких манипуляций увеличится выдаваемое генератором напряжение? Все будет зависеть от  диода. Падение напряжения на мощном диоде составит  от 0.3 до 1.2 В в зависимости от типа полупроводника (Шоттки, германиевый, кремниевый). Именно на столько и увеличится напряжение в бортовой сети.

Какой диод лучше поставить? Подойдет любой, выдерживающий ток не менее 10 А и обратное напряжение не менее 40 В. Подойдет к примеру, КД242, изображенный на фото выше.

Важно! Недостатком такого варианта является некоторое снижение мощности генератора, поскольку обмотка возбуждения будет питаться через диод и ток через нее окажется несколько ниже. От подобного недостатка избавлена схема, представленная на рисунке ниже, но в этом случае придется частично изменить схему генератора.

Доработанная схема увеличения напряжения, выдаваемого генератором
Доработанная схема увеличения напряжения, выдаваемого генератором

Здесь силовая и контрольная цепи РН разделены, а диод, показанный на схеме справа, включен только в последнюю. Параллельно ему установлен диод, необходимый для гашения тока самоиндукции обмотки ротора. Обмотка же возбуждения как и раньше питается напрямую, а мощность генератора не снижается.

Установка трехуровневого реле

Это реле-регулятор имеет специальный переключатель, с помощью которого можно выставить один из трех уровней напряжения, выдаваемого генератором. Оно состоит из двух блоков – собственно реле с переключателем и блока щеток. Блоки соединены между собой проводом.

Трехуровневое реле
Трехуровневое реле

Снимаем штатный регулятор, устанавливаем на его место блок щеток, предварительно пропустив провод сквозь отверстие в крышке генератора. Само реле крепим в удобном для доступа месте, защищенном от попадания грязи и влаги. При этом его крепежный винт должен иметь электрический контакт с кузовом автомобиля.

Установленное трехуровневое реле
Установленное трехуровневое реле

Если чувствуем, что наша АКБ недозаряжается, то просто устанавливаем напряжение, выдаваемое генератором чуть выше. Сделать это можно, как было отмечено выше, при помощи трехпозиционного тумблера, расположенного в блоке самого регулятора. Ну а в теплую погоду и при длительных поездках переключатель можно вернуть в прежнее положение.

Важно! Прежде, чем отправляться в магазин за реле, выясните, что за генератор установлен в вашем авто и подойдет ли блок щеток регулятора именно к вашей модели.

Вот мы и выяснили, каким образом можно избежать недозарядки АКБ при коротких поездках. Ну а какой из вышеописанных методов использовать, выбирать вам.