Найти в Дзене
DS

Схема УМЗЧ 4 канала по 25 Ватт на TDA7388

В данной статье описывается усилитель мощности звука на микросхеме TDA7388. Микросхема предоставляет 4 довольно мощных канала, что позволяет использовать ее в качестве усилителя мощности звука в авто или домашней акустике (колонки домашнего кинотеатра, магнитофонов, магнитол и т. д.). Для работы TDA7388 требуется однополярное питание напряжением 8-18 Вольт, что делает эту микросхему универсальной
Оглавление

В данной статье описывается усилитель мощности звука на микросхеме TDA7388. Микросхема предоставляет 4 довольно мощных канала, что позволяет использовать ее в качестве усилителя мощности звука в авто или домашней акустике (колонки домашнего кинотеатра, магнитофонов, магнитол и т. д.). Для работы TDA7388 требуется однополярное питание напряжением 8-18 Вольт, что делает эту микросхему универсальной в применении.

Купить микросхему - ССЫЛКА (алиэкспресс)

Характеристики TDA7388

Микросхема используется, как правило, для мощных автомобильных усилителей звука класса AB. Распиновка показана на первом рисунке.

Напряжение питания ............................ 8 - 18 В
Сопротивление нагрузки .................... 4 Ом
Количество каналов .............................. 4
Полоса частот .......................................... 20 Гц - 20 КГц
Выходная мощность .............................. 25 Вт (4 Ом, 14.4 В, 1 КГц, 10 %)
Максимальная мощность .................... 45 Вт
Максимальный выходной ток ............ 4.5 А
Температура отсечки ............................ 150 °C

Схемы включения TDA7388

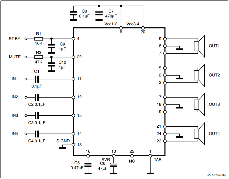
На рисунке ниже приведена типовая схема включения микросхемы TDA7388 для использования в четырехканальном режиме:

-2

Конденсаторы C1- C4 имеют номинальную емкость по 0.1 мкФ, что делает нижнюю частоту среза звукового сигнала 16 Гц. Микросхема TDA7388 полностью КМОП совместима, поэтому для управления режимами ST-BY и MUTE может быть использованы КМОП выводы микроконтроллера или любые внешние маломощные транзисторы. В случае, если нет необходимости использовать ST-BY и MUTE, соответствующие выходы микросхемы подключаются к цепи питания, как показано на этом рисунке:

-3

Если имеется стерео сигнал, входы схемы можно объединить (нпример, IN1 - IN2 и IN3 - IN4). Если объединить все 4 входа, на выходе получим моносигнал.

-4

Купить готовую схему УМЗЧ на TDA7388 - ССЫЛКА (алиэкспресс)