Найти в Дзене
Лампа Электрика

6 простых самоделок со светодиодами. Часть 2

Оглавление

В первой части мы собрали несколько самых простых схем со светодиодами. Сегодня мы продолжим беседу и соберем более сложные конструкции с использованием этих полупроводников.

Цветомузыкальная приставка

Яркость этой приставки, конечно, небольшая, но зато в ней реализована привязка цвета к звуковым частотам. Зеленый светодиод реагирует на высокие частоты, желтый - на средние, а красный - только на низкие. Это уже не просто мигалка в такт музыке, а настоящая, хоть и маленькая цветомузыка.

Схема светодиодной цветомузыкальной приставки
Схема светодиодной цветомузыкальной приставки

Фильтр ВЧ реализован на элементах  С2, R3, за средние частоты отвечают элементы R1, C3, а за низкие R2, C4. Уровень сигнала раздельно по каждому каналу регулируется переменными резисторами Р1 - Р3. Общий уровень сигнала будет зависеть от положения регулятора громкости усилителя, поскольку на вход приставки подается сигнал, снятый с выхода УМЗЧ. Разделенные по частотам и с обрезанной отрицательной полуволной (диоды D1, D3) сигналы поступают на транзисторные ключи Т1 - Т3, нагруженные каждый на свой светодиод.

Если напряжение питания позволяет, то вместо одного светодиода на канал можно включить несколько, включив их согласовано-последовательно. Для этого напряжение питания схемы должно на 2-3 В превышать общее падение напряжений на цепочке светодиодов.

В конструкции могут работать любые маломощные транзисторы проводимости n-p-n, выдерживающие ток через светодиоды. Желательно выбирать полупроводники с возможно большим коэффициентом передачи. К примеру, КТ3102. Налаживание приставки сводится к подбору номинала токоограничивающих резисторов R4-R6. Они должны обеспечивать номинальный ток через светодиоды, который в свою очередь зависит от величины питающего напряжения.

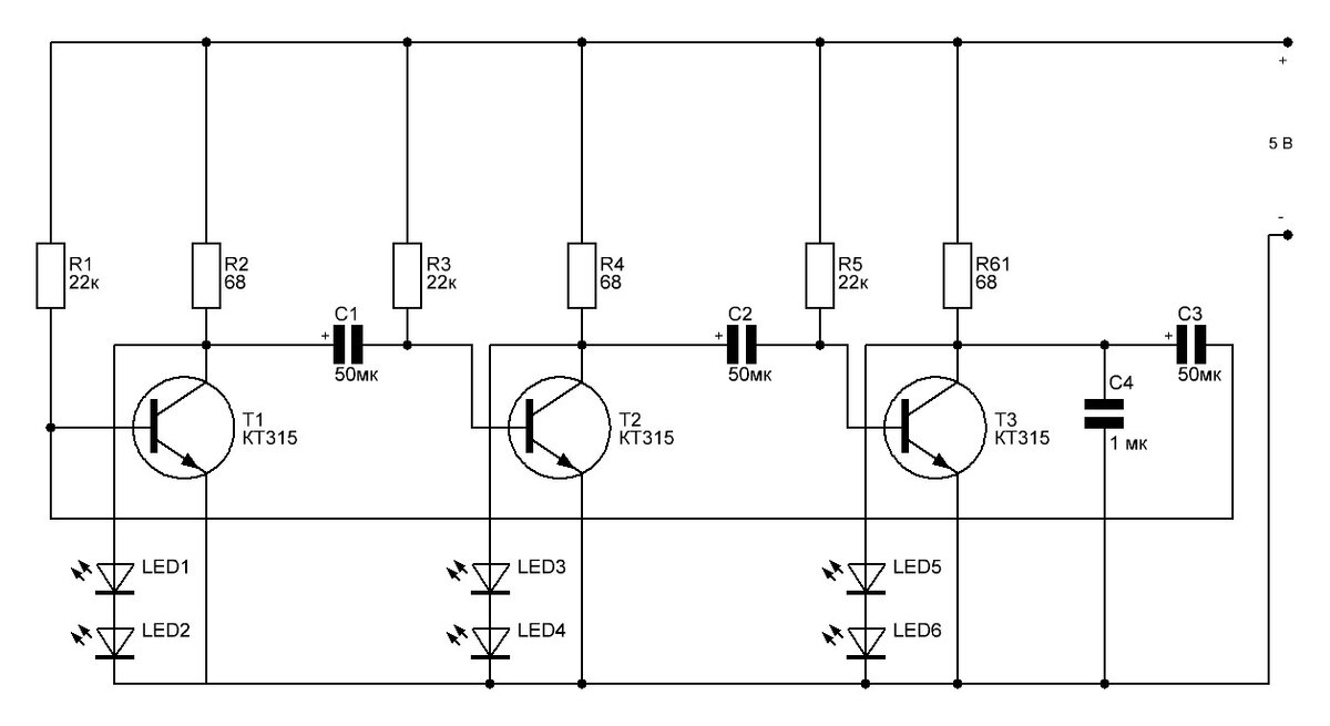
Бегущий огонь

Эта самоделка может украсить лицевую панель радиоаппаратуры, или использоваться автономно, к примеру,  для подсветки наконечника новогодней елки.

Схема бегущего огня
Схема бегущего огня

Схема представляет собой классический трехфазный мультивибратор, собранный на транзисторах Т1-Т3. Между каждым из транзисторов, включая первый и последний, включена интегрирующая RC цепь. При подаче питания транзисторы открываются и начинают поочередно закрываться, зажигая каждый свой светодиод и создавая эффект бегущего огня. Конденсатор С4 служит для надежного запуска мультивибратора. Скорость бегущего огня зависит от емкостей конденсаторов С1-С3. Если мы хотим, чтобы огонек бежал равномерно, то номиналы их должны быть одинаковыми.

Если мы хотим получить эффект не бегущего огня, а бегущей тени – два светодиода горят, один погашен, - то достаточно просто немного изменить схему включения светодиодов:

Схема бегущей тени
Схема бегущей тени

Ретранслятор для пульта ДУ

Эта приставка поможет в том случае, если «здоровья» штатного пульта дистанционного управления не хватает для управления бытовой аппаратурой. Это может случиться, если, к примеру, помещение слишком велико или управляемое устройство находится вне прямой видимости оператора (скажем, в другой комнате).

Схема ретранслятора сигнала пульта ДУ
Схема ретранслятора сигнала пульта ДУ

Устройство представляет собой широкополосный приемник ИК, усилитель и мощный передатчик-повторитель. Сигнал с пульта фиксируется инфракрасным светодиодом LED1, усиливается операционным усилителем DA1 и поступает на силовой ключ, собранный на транзисторе Т1. Тот в свою очередь управляет ИК светодиодом LED2, заставляя его передавать усиленный сигнал. Светодиод LED3 – обычный индикаторный. По его зажиганию можно визуально контролировать работу ретранслятора.

SFH2030 можно заменить на любой другой ИК-фотодиод, работающий в диапазоне 850 - 950 нм. При этом, возможно, придется подобрать номинал резистора R1. Вместо CA3140 подойдет отечественная К1409УД1, VT1  можно заменить на КТ503. Излучатель LED2 – инфракрасный  светодиод от любого пульта ДУ. LED3 – любой  маломощный индикаторный.  Конструкция ретранслятора произвольная. Необходимо лишь учесть, что фотодиод  должен «смотреть» в сторону оператора, а излучатель в сторону устройства, которым предполагается управлять.

Фотодиод LED1 необходимо закрыть красным светофильтром, чтобы исключить паразитную засветку естественным фоновым светом. В противном случае ретранслятор будет работать неустойчиво.

Инфракрасная система охраны

Это устройство будет полезно для охраны слабозащищенных проемов и участков дома (окна, лоджии, балконы, террасы и т.п.). Охрана ведется скрытно, поскольку ИК-излучение невидимо для человеческого глаза. Размеры же охраняемого участка могут достигать девяти метров.

Устройство состоит из двух модулей – приемника и передатчика. Передатчик непрерывно излучает модулированный сигнал в ИК диапазоне. Этот сигнал улавливается приемником. Как только нарушитель пересечет невидимый луч, приемник «потеряет» сигнал передатчика и включит сигнал тревоги. Взглянем на схему передатчика.

Схема ИК-передатчика
Схема ИК-передатчика

Передатчик представляет собой генератор, собранный на транзисторах Т1 и Т2. Конденсатор С1 – частотозадающий. Частота генерации – около 10 кГц. Нагрузкой генератора служит инфракрасный светодиод LED1 (подойдет от любого пульта ДУ) с токоограничивающим резистором R2.

Приемник собран на микросхеме КР1006ВИ1 (отечественный  аналог  таймера NE555). В качестве фотоприемника используется транзистор КТ3102 со спиленной крышкой (Т1) . В роли силового ключа, управляющего подачей сигнала тревоги выступает  электромагнитное реле К1, управляемое тиристором VS1. Тот в свою очередь получает команды от таймера через усилитель, собранный на транзисторе Т2.

Схема приемного узла охранной системы
Схема приемного узла охранной системы

Таймер DD1 включен по классической схеме детектора пропущенных импульсов. Пока на вход 2 микросхемы проходят импульсы с фотодатчика Т1, таймер постоянно перезапускается, не закончив рабочий цикл. На его выводе 3 постоянно высокий уровень. Транзистор Т2 открыт, тиристор VS1 закрыт, реле K1 обесточено.

Как только нарушитель перекроет луч передатчика, таймер успеет завершить рабочий цикл, на выводе 3 появится низкий уровень. Транзистор Т2 закроется, а тиристор VS1 откроется, включив реле К1. Реле же своими контактами включит сигнал тревоги. Одновременно на приемнике зажжется светодиод LED1. Он установлен для удобства настройки при установке охранной системы.

Для того, чтобы таймер успел закончить рабочий цикл, ему достаточно пропустить всего несколько импульсов передатчика, работающего, как мы помним, на частоте 10 кГц. Тревога включится даже от пролета теннисного мяча. Скорость реакции таймера можно регулировать потенциометром Р1.

После восстановления прохождения ИК луча схема вернется в исходное состояния за исключением тиристора, который останется открытым и не снимет сигнала тревоги, пока его питающая цепь не будет кратковременно разорвана выключателем S1.

Вместо КТ312 в схему можно установить КТ315 с любой буквой. Если не охота пилить крышку транзистору Т1, делая из него фотодатчик, на его место можно поставить фотодиод ФД-24К. Реле – РЭС15, паспорт РС4.591.004 или РЭС10 паспорт  РС4.524.302. Тиристор подойдет любой из серий КУ101 или КУ201.

Для организации охраны передатчик устанавливается напротив приемника так, чтобы ИК светодиод излучал в сторону фотоприемника. Расстояние между передатчиком и приемником, как отмечалось выше, может достигать 9 метров. При необходимости чувствительность приемника можно изменить подбором резистора R3.

Фототранзистор Т1 приемника необходимо закрыть красным светофильтром во избежание паразитной засветки, которая может вызывать ложные срабатывания.

Градиентное фотореле

Это самонастраивающееся реле обладает очень интересными свойствами. Если освещенность объекта изменяется медленно, устройство на это никак не реагирует. Как только освещенность фотодатчика изменится резко, реле сработает.

Схема градиентное фотореле
Схема градиентное фотореле

Реле состоит из фотодатчика LED2 и компаратора DA1. Пока освещенность датчика не изменяется, на оба входа компаратора поступает одинаковый сигнал, система имеет максимальную чувствительность. При медленной смене освещенности конденсатор С1 успевает заряжаться (разряжаться) и ситуация не меняется. Если смена освещенности произойдет резко, то благодаря этому же конденсатору напряжение на прямом входе изменится быстрее, чем на инверсном. Компаратор сработает,  включит исполнительное реле К1 и зажжет светодиод  LED1.

Поскольку микросхема имеет высокую нагрузочную способность (до 200 мА), реле подключено к нему напрямую без дополнительного ключа. Если обмотка реле потребляет больше 150 мА, его придется подключить через усилительный транзисторный ключ.

Где можно использовать такую конструкцию? В первую очередь, конечно, в охране. Если установить прибор в дверной проем то он будет реагировать на проход человека, причем дополнительного излучателя конструировать не нужно. Установленный над  мониторм, прибор обнаружит длительное отсутствие человека и его возвращение на рабочее место.

Еще очень интересный вариант. Устанавливаем фотодатчик прямо на экран монитора видеонаблюдения. Место установки – интересуемый участок объекта. Скажем, дверца автомобиля.  Как только на этом участке обнаружится движение, система сработает и запустит запись или включит сигнал тревоги. При этом на медленную смену освещенности объекта устройство не отметит.

Имитатор охранной системы

Эта самоделка может использоваться для «охраны» небольшого неэлектрифицированного закрытого объекта. К примеру, дачного домика. Настоящей охраны, конечно, не будет. Будет лишь имитация того, что она есть. Но нередко и этого бывает достаточно, чтобы отпугнуть злоумышленника – а вдруг это не муляж?

Для реализации этой идеи нам понадобятся китайские электромеханические часы, которыми сегодня рынок буквально завален. Подойдет и испорченный механизм.

Такие часы есть в каждом втором доме
Такие часы есть в каждом втором доме

Для наших целей подойдут только механизмы, «клацающие» каждую секунду. Механизмы с плавным ходом секундной стрелки не годятся.

Разбираем часики и добираемся до платы. Возможно, плата вашего механизма будет выглядеть иначе, но это не суть важно – разобраться в различиях несложно.

Плата электронно-механических китайских часов
Плата электронно-механических китайских часов

На фото цифрами обозначены:

  • 1, 2 – контакты для подключения шагового двигателя (выглядит как катушка);
  • 3 – вывод включения будильника;
  • 4 – вывод питания «–»;
  • 5 – вывод питания «+»;
  • 6,7 – выводы звукового сигнала будильника.

Нас интересуют только выводы 1, 4 и 5. Звонок отключаем, катушку отрываем и собираем простенькую схему, добавив к плате две батарейки по 1.5 В каждая.

Схема имитатора охранной системы
Схема имитатора охранной системы

После включения устройства светодиод LED1 начнет производить короткие вспышки, имитируя работу тревожной системы, находящейся в режиме охраны. Ток потребления схемы в таком режиме минимален. К примеру, двух солевых (не щелочных) батареек типоразмера АА хватит на 9-10 месяцев непрерывной работы.

Устанавливаем схему в устрашающего вида коробочку, саму коробочку размещаем внутри помещения так, чтобы мигающий светодиод просматривался с улицы. Ведь прежде, чем лезть в дом, злоумышленник обязательно позаглядывает в окна.

В качестве LED1 можно использовать любой индикаторный светодиод. Автор для этих целей использовал красный светодиод от оптической компьютерной мыши. Он много ярче обычного индикаторного и в темноте его вспышки невозможно не заметить даже не заглядывая в окно. Именно с таким диодом время работы устройства от одного комплекта батарей составил 10 месяцев.

Вот и закончилась наша вторая часть простых самоделок на светодиодах. Будем надеяться, что материал будет полезен как новичкам, так и опытным радиотехникам.

Читайте также: