Добавить в корзинуПозвонить
Найти в Дзене

Звуковой сигнализатор заднего хода своими руками за 200 рублей

Всем привет, дорогие подписчики! Решил помимо подробных инструкций по ремонту своего автомобиля ВАЗ-2107i 2006 года выпуска начать выкладывать его старые бортовые записи по ремонту, обслуживанию, тюнингу и прочие заметки. Пойдут в хронологическом порядке начиная с самой первой 4 года назад, будут перемежатся с обычными инструкциями по ремонту. Возможно, кому-то будут полезны. --------------------------------------------------------------------------------------- 2 апреля 2021 Всем привет! Еще при покупке авто и до заведения журнала на Драйве сделал себе звуковой сигнализатор заднего ходи или по-просту "пищалку", чтобы при движении задним ходом никого не задавить, так как опыта вождения тогда еще было немного. Вот, решил рассказать и показать как его можно собрать своими руками из подручных средств, конечно же в продаже имеются уже готовые варианты, но и цена на них довольно высока.
Итак, нам понадобится:
— Индикатор звуковой (повторитель) 12В, арт. ИЗ-12
— Реле поворотов 4-контактное а

Всем привет, дорогие подписчики! Решил помимо подробных инструкций по ремонту своего автомобиля ВАЗ-2107i 2006 года выпуска начать выкладывать его старые бортовые записи по ремонту, обслуживанию, тюнингу и прочие заметки. Пойдут в хронологическом порядке начиная с самой первой 4 года назад, будут перемежатся с обычными инструкциями по ремонту. Возможно, кому-то будут полезны.

---------------------------------------------------------------------------------------

2 апреля 2021

Всем привет! Еще при покупке авто и до заведения журнала на Драйве сделал себе звуковой сигнализатор заднего ходи или по-просту "пищалку", чтобы при движении задним ходом никого не задавить, так как опыта вождения тогда еще было немного.

Вот, решил рассказать и показать как его можно собрать своими руками из подручных средств, конечно же в продаже имеются уже готовые варианты, но и цена на них довольно высока.
Итак, нам понадобится:
— Индикатор звуковой (повторитель) 12В, арт. ИЗ-12
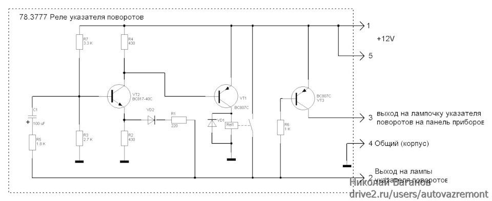
— Реле поворотов 4-контактное арт. 781.3777 или 5-контактное арт. 78.3777 (Согдиана, Пенза) с фишкой
— Лампа сигнализатора приборной панели W1.2w с цоколем или без (не светодиод)
— Клеммы "мама-папа" 6,3 мм с фишками — 7 мам и 2 папы, клемма "массы"
— Автомобильные провода сечением 0,5-1 мм — около 1м
— Термоусадочные трубки, изолента
— Паяльник с припоем, узкогубцы и прочий электро-монтажный инструмент

В магазине было только 5-контактное реле, хотя, достаточно и 4-контактного, в первом 5-й контакт просто напрямую соединен с 1-м входящим.

-2

Реле надо будет именно этого производителя и артикула, с другими схема не будет работать или придется перепаивать конденсатор внутри, который отвечает за частоту срабатывания.

-3

Лампа с цоколем обычная из приборки "классики" на 1,2 Вт. Собираем приблуду по этой схеме:

-4

Так как решил все же использовать 5-й контакт, то подключил его в разрыв зеленого провода питания на лампы заднего хода, хотя, можно было просто припаяться одним проводом, не перекусывая линию, через те же фишки. Уже не помню зачем протянул два провода к реле, ну да ладно, зато можно в любой момент отсоединить фишки и полностью снять приблуду, например, при ТО. Массу прикручиваем к шпильке крепления фонаря.

-5

Порядок работы всего устройства получается такой: при включении задней передачи на зеленый провод питания ламп заднего хода подается +12В, которые приходят на реле через контакт 1 и параллельно через контакт 5 уходят на фонари. Лампочка, подключенная к реле, выполняет роль сопротивления, заставляя его срабатывать — повторитель издает прерывистые звуки (их амплитуда и продолжительность зависит от емкости конденсатора в реле).

-6

Зумер вывел в полость фонаря, чуть подрезав пластик корпуса под провод, звучит громко, если прислушаться то слышно с 10-15 метров, с 5-ти уже будешь шарахаться — довольно противный писк). Если надо звук погромче, то, думаю, можно вывести через кронштейн бампера, удлинив провод, но мне и так хватает. Частота срабатывания примерно 1,5 секунды и 1 секунда продолжительностью, не так редко, но и не так часто. Из-за некоторых непропаянных контактов первое время зимой иногда не срабатывал, после пропайки работает как часики, и еще один ньюанс — на заглушенную при подсевшей акб отказывается срабатывать, но при стоянке он, в общем-то, и не нужен.

-7

Еще один зумер подключил напрямую к лампе сигнализации поворотников в панели из-за того, что щелкающее реле плохо слышно и иногда, особенно когда слушаешь музыку, забываешь выключить поворотник. Пищит в такт срабатывания лампы, ток потребления у него мизерный и ни на что там не влияет. Закрыл в футляр от киндерсюрприза, чтобы сильно не раздражало.

-8

Итак, давайте посчитаемся:
Индикатор 2шт — 110р
Реле поворотов — 80р
Клемы, провода, лампочка — 70р
Итого: 260р

Цена вопроса: 260 ₽ Пробег: 210 000 км

Ставьте лайк, комментируйте, подписывайтесь на канал! Удачи на дорогах!