Найти в Дзене
Радиолюбитель - это просто!

Как проверить TL431

TL431 это не что иное как интегральная схема трёхвыводного регулируемого параллельного стабилизатора напряжения с улучшенной температурной стабильностью. Другими словами, это микросхема, которая работает как настраиваемый (программируемый) стабилитрон. Даташит Как я уже не однократно писал, радиоэлементы полученные с Алика, даже с проверенных магазинов, желательно проверять по получению.
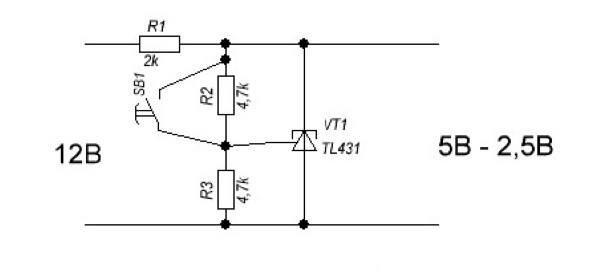
Для проверки этого элемента можно собрать простенькую схему: Результат работы схемы должен быть следующий: при таком положении кнопки SB1 как на схеме, на выходе должно быть 5В, при нажатой кнопке – 2,5В, так как судя по Даташиту опорное напряжение внутреннего источника равно именно 2,5В. Я собирал на схемку макетке: На входе 12В, кнопка не нажата: На входе 5В, кнопка не нажата: Кнопка нажата - опорное напряжение 2,5В: Вывод: все соответствует требованиям, микросхема исправная. И вот точно также на коленке можно проверить TL431 при ремонте импульсных блоков питания, где они чаще всего и встречаются. Ко

TL431 это не что иное как интегральная схема трёхвыводного регулируемого параллельного стабилизатора напряжения с улучшенной температурной стабильностью. Другими словами, это микросхема, которая работает как настраиваемый (программируемый) стабилитрон.

Даташит

TL431
TL431

Как я уже не однократно писал, радиоэлементы полученные с Алика, даже с проверенных магазинов, желательно проверять по получению.
Для проверки этого элемента можно собрать простенькую схему:

Схема проверки TL431
Схема проверки TL431

Результат работы схемы должен быть следующий: при таком положении кнопки SB1 как на схеме, на выходе должно быть 5В, при нажатой кнопке – 2,5В, так как судя по Даташиту опорное напряжение внутреннего источника равно именно 2,5В.

Я собирал на схемку макетке:

На входе 12В, кнопка не нажата:

-3

На входе 5В, кнопка не нажата:

-4

Кнопка нажата - опорное напряжение 2,5В:

-5

Вывод: все соответствует требованиям, микросхема исправная. И вот точно также на коленке можно проверить TL431 при ремонте импульсных блоков питания, где они чаще всего и встречаются. Конечно если вы это делаете часто, то лучше собрать эту схему в простейший тестер.

Когда-то встречал статью о возможности проверить TL431 c помощью универсального тестера, не помню всего, но общий смысл такой, в разных положениях проверяем микросхемку, а это именно микросхемка(!) и запоминаем что нам показывают и сравниваем с эталоном…

Как-то вот так:

Однако на мой взгляд тут очень много лишних телодвижений, ну да решает каждый сам.