Добавить в корзинуПозвонить
Найти в Дзене
Электроника, ESP32, Arduino

Переключатель на биполярном транзисторе без расчетов и даташитов

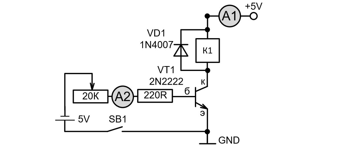
Дано транзистор 2N2222A и электромагнитное реле SRD-05VDC-SL-C.
Задача разработать 2 схемы для подключения реле к устройством с уровнем логической единицы 5V и 3.3V Собираем на макетной плате следующую схему: Не смотря на то, что схема собрана не по ФенШую, база транзистора висит в воздухе, транзистор полностью закрыт, энергопотребление менее 0.1mA! Установим в макетку перемычку между коллектором и эмиттером, чтобы выяснить ток, потребляемый катушкой реле. Катушка реле потребляет ток 63mA (амперметр А1 в ЛБП слева) Перемычку удаляем и выкручиваем потенциометр 20kOm в левое по схеме положение и замыкаем выключатель SB1. Ток протекающий через базу транзистора (Iбэ) от внешней батареи открывает его, и в катушке реле начинает течь ток (Iкэ). Строим по результатам измерений табличку и график: Вообще, реле срабатывает от тока в цепи базы в районе 0,25mA, НО! поскольку в данном случае нужен не усилитель тока и именно коммутатор (полностью закрыт/полностью открыт) значение тока лучше брать от

Дано транзистор 2N2222A и электромагнитное реле SRD-05VDC-SL-C.
Задача разработать 2 схемы для подключения реле к устройством с уровнем логической единицы 5V и 3.3V

Собираем на макетной плате следующую схему:

Опыт первый SB1 выключен - на схему поданы 5V от лабораторного источника питания
Опыт первый SB1 выключен - на схему поданы 5V от лабораторного источника питания

Не смотря на то, что схема собрана не по ФенШую, база транзистора висит в воздухе, транзистор полностью закрыт, энергопотребление менее 0.1mA!

-3

Установим в макетку перемычку между коллектором и эмиттером, чтобы выяснить ток, потребляемый катушкой реле.

Устанавливаем перемычку между эмиттером и коллектором транзистора
Устанавливаем перемычку между эмиттером и коллектором транзистора

Катушка реле потребляет ток 63mA (амперметр А1 в ЛБП слева)

-5

Перемычку удаляем и выкручиваем потенциометр 20kOm в левое по схеме положение и замыкаем выключатель SB1.

-6

Ток протекающий через базу транзистора (Iбэ) от внешней батареи открывает его, и в катушке реле начинает течь ток (Iкэ).

Строим по результатам измерений табличку и график:

По оси Х ток Iбэ по оси Y  ток Iкэ
По оси Х ток Iбэ по оси Y ток Iкэ

Вообще, реле срабатывает от тока в цепи базы в районе 0,25mA, НО! поскольку в данном случае нужен не усилитель тока и именно коммутатор (полностью закрыт/полностью открыт) значение тока лучше брать от 2mA.
(больше тоже можно - но транзистор уже не откроется больше чем открыт, ведь после 2,00mA на графике практически прямая линия).

Установим ток в цепи базы Iбэ = 4mA и измерим получившееся сопротивление (переменный резистор + постоянный)

Ток Iбэ = 4mA при сопротивлении 1034Om
Ток Iбэ = 4mA при сопротивлении 1034Om

Транзистор как и все в этом мире за "спасибо" пахать не будет, часть напряжения будет съедена им в качестве оплаты, на переходе база-эмиттер.

  • Iбэ = (Uбэ - Uпад)/R
  • Iбэ*R = Uбэ- Uпад
  • - Uбэ + Iбэ*R = - Uпад
  • Uбэ - Iбэ*R = Uпад
  • Uпад = Uбэ - Iбэ*R = 5 - 0.004*1034 = 0.864V

Ток в базе соответственно будет рассчитываться по формуле:

Iбэ = (5-0.864)/R

В данном случае ничего уже считать не нужно, меняем намеренное сопротивление 1034R на резистор из стандартного ряда 1кОм и ключ готов.

Для логики 3.3V

R = (3.3-0.864)/Iбэ = (3.3-0.864)/0.004 = 609Om

Ближайшее сопротивление из стандартного ряда будет 620Om

Iбэ = (3.3-0.864)/620 = 0,0039A ~4mA

Итоговые схемы такие:

ГДЕ К1 катушка электромагнитного реле SRD-05VDC-SL-C
ГДЕ К1 катушка электромагнитного реле SRD-05VDC-SL-C

Литература также рекомендует ставить дополнительные резисторы номиналом в 10 раз больше (серый цвет), чем резистор в цепи базы - т.е. по идее схемы должны будут выглядеть как то так,

Схемы выполнение соблюдением правил ИСКУССТВО СХЕМОТЕХНИКИ
Схемы выполнение соблюдением правил ИСКУССТВО СХЕМОТЕХНИКИ

НО по факту современные микроконтроллеры не бросают ноги ввода/вывода в неизвестное состояние, а плотно подтягивают их к земле.

Еще одна тестовая схема нога программно подтянута к земле, вольтметр показывает 0,001V
Еще одна тестовая схема нога программно подтянута к земле, вольтметр показывает 0,001V

Для Arduino например при подтяжке ноги к земле на базе транзистора будет болтаться потенциал 0,001V и поэтому, что даст установка дополнительного резистора 10 кОм, который эти самые 0,001V будет утаскивать в землю, КОНКРЕТНО В ЭТОЙ СХЕМЕ и с ЭТИМИ НОМИНАЛАМИ ДЕТАЛЕЙ мне вообще не понятно, а Вам? Свои ответы пишите в комментариях.

Всем удачи!