Добавить в корзинуПозвонить
Найти в Дзене
ProgramEl

Изоляция на оптронах

Зачем нужна изоляция? Изоляция нужна, чтобы изолировать. Прекрасно. Или вы не хотите увидеть дымок из вашей отладки, когда подключаете ее напрямую к сети устройств или к драйверу чего-нибудь мощного. Задача управлять шаговым двигателем с нежной и дорогой ПЛИСы точно требует хорошей изоляции. Или, например, MIDI стандарт говорит, что нужно использовать гальваническую изоляцию для MIDI-устройств при подключении к компьютеру. Electronic and Computer Music
Fourth Edition
Peter ManningС чего-то в нашей Вики написана чушь, что токовая петля обеспечивает гальваническую изоляцию в стандарте MIDI (https://ru.wikipedia.org/wiki/MIDI дата 03.06.2020 г.). Конечно же нет! Токовая петля - это лишь способ передачи сигнала не напряжением, а током.Более детально с особенностями работы с музыкальными приставками написано в этой книге: Возможные виды изоляций для передачи сигналов: Оптрон (оптопара) - это оптический излучатель и оптический приемник. Обычно в одном корпусе. Оптический приемник изменяет св
Оглавление

Зачем нужна изоляция?

Изоляция нужна, чтобы изолировать. Прекрасно. Или вы не хотите увидеть дымок из вашей отладки, когда подключаете ее напрямую к сети устройств или к драйверу чего-нибудь мощного. Задача управлять шаговым двигателем с нежной и дорогой ПЛИСы точно требует хорошей изоляции.

Или, например, MIDI стандарт говорит, что нужно использовать гальваническую изоляцию для MIDI-устройств при подключении к компьютеру.

Electronic and Computer Music
Fourth Edition
Peter ManningС чего-то в нашей Вики написана
чушь, что токовая петля обеспечивает гальваническую изоляцию в стандарте MIDI (https://ru.wikipedia.org/wiki/MIDI дата 03.06.2020 г.). Конечно же нет! Токовая петля - это лишь способ передачи сигнала не напряжением, а током.Более детально с особенностями работы с музыкальными приставками написано в этой книге:

Возможные виды изоляций для передачи сигналов:

  • Оптический: оптопары, оптоволокно, солнечные батареи
  • Радио: приемники, передатчики
  • Звуковой: динамик, микрофон
  • Емкостный: через конденсатор очень маленькой емкости
  • Механический: мотор-генератор
  • Магнитная, магнитнорезистивная и т.д.

Оптрон (оптопара) - это оптический излучатель и оптический приемник. Обычно в одном корпусе.

Оптический приемник изменяет свои параметры под действием излучателя.

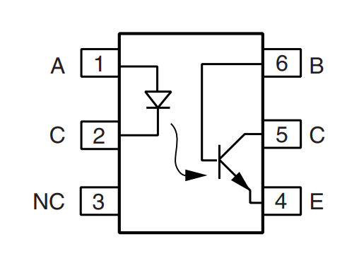
Рассмотрим один из самых распространенных оптронов (по-моему мнению) - 4N25. Его простое внутреннее устройство позволит нам легко понять как он работает

Видим внутри светодиод и фототранзистор (NPN-типа). Искривленная стрелочка показывает, что внутри корпуса оптопары из светодиода на фоточувствительный элемент распространяется свет.

Фотоэлемент может быть любым чувствительным к свету материалом. Под действием света меняется состояние приемника - сопротивление, фотоэдс, открытие диода и прочие. Большинство современных оптопар имеют на стороне фотоприемника дополнительные схемы обработки и/или силовые транзисторы.

Подписи ножек имеют следующий смысл:

  1. A - Анод светодиода (Anode, +)
  2. C - Кадод светодиода (Cathode, -)
  3. NC - Не подсоединен (Not Connected)
  4. E - Эмиттер фототранзистора (Emitter)
  5. C - Коллектор фототранзистора (Collector)
  6. B - База фототранзистора (Base)

Оптопара не всегда имеет вывод (B) базы фототранзистора. Данный пин может быть использован для смещения напряжения открытия базы как вверх (уменьшить напряжение отсечки), так и вниз (уменьшить вероятность ложного срабатывания).

Это бывает полезно, т.к. светодиод имеет параметр - CTR (Current Transfer Ratio) - "коэффициент передачи тока".

-2

На данный параметр наиболее заметное влияние оказывает температура окружения.

На рисунке показано, что кривая CTR складывается из зависимостей эффективности светового излучения светодиода и усиления постоянного тока фототранзистора от температуры. По оси абсцисс для всех графиков - указана температура (Ta).

-3

CTR со временем уменьшается, поэтому оптопары делают с запасом и обычно этот запас указывают в документации.

На CTR (с течением времени) влияет следующее:

  • Деградация светодиода со временем
  • Ухудшение качества оптического канала в оптопаре
  • Ухудшение эффективности фотоэлектрического преобразования и усиление постоянного тока (hFE ) фототранзистора
https://www.renesas.com/eu/en/products/optoelectronics/technology/ctr.htmlБолее подробно про CTR

На деградацию оптопары больше всего влияет температура. Приведу пару графиков из документаций на оптопары

График примерно отражающий степень влияния температуры на скорость выхода устройства из работы
График примерно отражающий степень влияния температуры на скорость выхода устройства из работы
-5

Если рассматривать оптопару отдельно как светодиод и транзистор(пусть и опто-), тогда не возникает никаких проблем в использовании ее в своих устройствах.

Смотрим на типовую схему включения оптопары от производителя, указанную в даташите.

-6

Для удобства я добавил R_led на схему

Если просто подать напряжение на светодиод без ограничения тока, то он сгорит. Для ограничения тока нужно добавить в схему ограничительный резистор. Как вычислить нужный резистор?

-7

Продолжим

Отлично, мы подобрали резистор и закончили с левой частью схемы и у нас получился излучатель света. Дальнейшие действия зависят от вида приемной части. В рассматриваемом случае - это фототранзистор - по сути обычный биполярный транзистор, у которого светочувствительная база.

Vo - это выходное напряжение с оптопары. По сути тот, сигнал, который мы и хотим получить. Т.к. Vcc 5 вольт, то и сигнал будет с высоким уровнем в 5 вольт.

На схеме выше подтяжка сделана через резистор RL к высокому уровню. То есть - когда сигнал не подается на светодиод, то на выходе оптопары высокий уровень и наоборот. Получилась инверсия сигнала на выходе. Номинал RL обычно 10-20 кОм.

Подтяжка (pull-up, pull-down)

У некоторых может возникнуть вопрос - а зачем делать подтяжку куда-то, если отсутствие сигнала это и будет нулем, а его наличие - единицей? Дело в том, что в реальных схемах кроме 1 и 0, присутствует большое количество других состояний на проводнике. Например, в языке описания цифровых схем VHDL вот столько состояний логического сигнала:

'
U': uninitialized. This signal hasn't been set yet.
'X': unknown. Impossible to determine this value/result.
'
0': logic 0
'
1': logic 1
'
Z': High Impedance
'
W': Weak signal, can't tell if it should be 0 or 1.
'
L': Weak signal that should probably go to 0
'
H': Weak signal that should probably go to 1
'
-': Don't care

Нас сейчас интересует высокоимпедансное состояние
Z или highZ. Это состояние входа или выхода схемы при котором она не влияет на подключенную линию и на сигналы, которые по этой линии распространяются.

Что это значит? Если на одном из входов/выходов линии будет установлен 0, то
ВСЯ линия будет установлена в 0. С 1 посложнее, но работает похожим образом (притягивание линии к 0 сильнее, чем установка высокого напряжения). В режиме highZ вход/выход не будет устанавливать ни 0, ни 1. В таком режиме часто работают ножки микросхем в режиме чтения или когда их вклад в линию должен быть минимален (простой, отсутствие работы).


Пример с чтением:
http://funnydiy.ru/1010 - Стягивающие и подтягивающие резисторы. В чём различие
Допустим, что PIN_10 не имеет внутри себя механизма подтяжки. Красными верхними стрелками обозначены внешние помехи (наводки).

-8


Если у нас на проводнике к PIN_10 есть подтяжка к земле через резистор, то его постоянным состоянием будет 0, пока не будет подано высокое напряжение. Потенциал внешних наводок будет меньше, чем потенциал высокого сотояния (в большинстве случаев, кроме высоких ЭМ помех). То есть два состояния можно уверенно отделить друг от друга.
Да, через каждый подтягивающий резистор будет стекать небольшой ток (показан родовой линией на рисунке с замкнутым ключом) примерно 0.5 мА в данном случае.

-9


Если у нас нет подтяжки к земле у этого входа.
В данном случае на проводник, подключенный ко входу выполняет роль антенны для различных электромагнитных наводок. На него может случайно наводится потенциал, который легко может быть выше, чем напряжение высокого уровня. Тогда микросхема считает ложную единицу.

Минусы оптопары

Используемая оптопара имеет определенные минусы:

  • Уменьшение CTR приводит к смещению порога тока открытия транзистора. Данное явление особенно ярко будет выражено при групповом использовании подобных оптопар в интерфейсах передачи
  • Отсутствует механизм, который может данное явление компенсировать
  • Скорость нарастания и спада сигнала микросекунды

В документации есть временная диаграмма следующего вида:

Временная диаграмма из документации на 4n25
Временная диаграмма из документации на 4n25

В таблице характеристик на оптопару есть только одна таблица с одной строкой, которая относится к данной диаграмме:

Временные характеристики из документации на 4n25
Временные характеристики из документации на 4n25

Характеристики ts и td, которые, несомненно, влияют на задержку передачи информации и максимальную скорость изолируемого интерфейса в таблице отсутствуют. По представленным данным (если предположить, что ts и td равны нулю) можно сделать вывод, что данная микросхема будет работать на частотах ниже 250 кГц

Слишком медленно?

Допустим, нас не устраивает скорость с которой данные оптопары могут работать

Один из выходов - использование оптронов с цифровым выходом, например HCPL-220

Оптопара HCPL-220
Оптопара HCPL-220

Данные оптопары обладают определенными преимуществами:

  • Скорость передачи 2.5 Mbd (МБод, но в данном случае Мбит/сек)
  • Широкий диапазон питания микросхемы без преобразователей (4.5 до 20 Вольт)
  • Ток на светодиоде 2.2 мА для CTR 20%
  • Тристабильный буфер на выходе - микросхема может сама генерировать высокоимедансное состояние на выходе. Значит не нужен подтягивающий резистор
  • Наличие гистерезиса по входу. Гистерезис обеспечивает помехоустойчивость в дифференциальном режиме и исключает возможность колебания выходного сигнала
  • Относительно дешево

Смысл работы со светодиодом у данной оптопары такой же как и у предыдущей - ограничить ток до необходимого уровня. Рабочие значения тока при CTR >20% - 2,2...5 мА. Допустим, в качестве источника используется цифровой выход с уровнем напряжений 0...3.3 Вольта (LVTTL)

Цифровые схемы, в зависимости от используемой технологии, имеют разные уровни высокого и низкого напряжений соответствующие 0 и 1.
Цифровые схемы, в зависимости от используемой технологии, имеют разные уровни высокого и низкого напряжений соответствующие 0 и 1.

Чуть выше уже обсуждалось, что нужно вычесть падение напряжения на диоде. Вспомним, что диоды имеют кривую ВАХ (вольт-амперной характеристики). Это значит, что падение напряжения на светодиоде непостоянно и зависит от тока

ВАХ из документации на HCPL-2200
ВАХ из документации на HCPL-2200

Для удобства выберем ток ~2.2 мА, что примерно соответствует падению напряжения 1.46 Вольт. Теперь посчитаем номинал резистора R1 (можно посчитать в голове или на калькуляторе). У меня получился 836.(36) Ом. Ближайший из номиналов - 820 Ом.

https://ru.wikipedia.org/wiki/%D0%A0%D1%8F%D0%B4%D1%8B_%D0%BD%D0%BE%D0%BC%D0%B8%D0%BD%D0%B0%D0%BB%D0%BE%D0%B2_%D1%80%D0%B0%D0%B4%D0%B8%D0%BE%D0%B4%D0%B5%D1%82%D0%B0%D0%BB%D0%B5%D0%B9
Номиналы округляются по рядам номиналов радиодеталей:

В документации также предложено установить конденсатор между ножками 8(Vcc) и 6(Ve) номиналом 0.1 мкФ, что мы и делаем. Ножка Ve выполняет роль переключателя выводов микросхемы в высокоимпедансное(highZ) состояние. Если этого не требуется, можно притянуть эту ножку к земле, согласно таблице истинности из документации.

Таблица истинности для пина Ve
Таблица истинности для пина Ve

R2 выполняет роль подтягивающего к земле резистора.

Схема подключения оптопары HCPL-220
Схема подключения оптопары HCPL-220

У нас получилась схема неинвертирующего подключения - повторителя сигнала. Привожу именно эту схему, т.к. чаще именно ее чаще всего собирают в любительских поделках. Хорошим тоном считается следующий вариант использования:

Постоянная подача положительного потенциала на анод(+) светодиода, а на стороне катода(-) выход микросхемы прижимает линию к земле. Тем самым, генерируя сигнал.

Правильная схема включения из документации
Правильная схема включения из документации

Конечно, на выходе такой схемы сигнал получится инвертированным, но это исправимо програмно.

Все еще слишком медленно!

В этом случае стоит посмотреть на другие способы гальванической развязки интерфейсов. Существует огромное количество способов изоляции, часть из которых была указана в начале раздела.

В общем случае данные микросхемы называются "Цифровые изоляторы".

Удачных поисков!

Литература: