Добавить в корзинуПозвонить
Найти в Дзене
Radio-любитель

Плата питания для выходных усилителей

Всем здравствуйте. Как известно выходные усилители содержат одинаковые элементы, плату усилителя, сетевой трансформатор, мостовой выпрямитель и электролитические сглаживающие конденсаторы.
Плата обычно привинчивается к радиатору, а трансформатор и мостовой выпрямитель крепятся к нижней части корпуса. Часто не существует такого определенного места для электролитических конденсаторов. Они

Всем здравствуйте. Как известно выходные усилители содержат одинаковые элементы, плату усилителя, сетевой трансформатор, мостовой выпрямитель и электролитические сглаживающие конденсаторы.

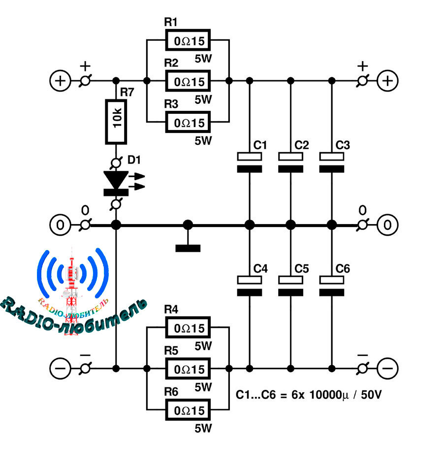
Плата обычно привинчивается к радиатору, а трансформатор и мостовой выпрямитель крепятся к нижней части корпуса. Часто не существует такого определенного места для электролитических конденсаторов. Они монтируются на кусок макетной платы или в нижней части корпуса с подходящим крепежом. Поскольку это иногда не удобно, многим любителям возможно пригодится печатная плата, показанная здесь на рисунке.

Схема принципиальная
Схема принципиальная

Её изготовление простое, она может подойти для использования практически с любым типом выходного усилителя, работающего от симметричного источника питания. На плату можно установить шесть электролитических конденсаторов с номиналом до 10000 мкФ и напряжением на 50В. Предполагается, что они имеют шаг 10 мм и максимальным диаметром до 30 мм. На плате также есть место для резисторов с «мягким включением» со значением 0,15 Ом и номинальной мощностью 5 Вт.

Вид печатной платы
Вид печатной платы

Обратная сторона платы
Обратная сторона платы

Эти резисторы сглаживают пики зарядного тока конденсаторов, а также помогают сглаживать паразитные пики тока напряжения питания. Наконец, на плате имеется индикатор включения / выключения в виде светодиода и включенного последовательного резистора. Соединения с платой осуществляются через подходящие клеммные колодки, которые должны гарантировать хороший контакт и могут выдерживать большие токи. Возможно, эта конструкция пригодится для каких-либо разработок. Всем спасибо.

-4