Найти в Дзене
Как на самом-то деле?

Обречённый рейс. Часть 2

Часть 1 Беспрецедентная беспечность и самонадеянность практически всех лиц с польской стороны – одна из главнейших причин этой катастрофы. Все остальные можно сказать – производные от этого. Ещё раз напомню. Я принципиально не хочу давать никаких политических или эмоциональных оценок. Оставляю это читателям. Я говорю только о фактах. В апреле 2010 планировались два визита польских делегаций в Катынь. Первая официальная во главе с премьером Туском, в ходе которой он встретился с премьером Путиным, вторая неофициальная во главе с Качиньским. За три дня до катастрофы этот борт PL-101 прилетал в Смоленск. Вторым пилотом в этом рейсе был Аркадиуш Протасюк. То есть он получил знакомство с этим аэродромом. Польский-101, как произносят в радиообмене, привозил официальную польскую делегацию во главе с премьером Туском, к самолету были поданы трапы, автомобильный кортеж. Эти трапы были привезены специально для встречи этой делегации и потом возвращены самолётом Ил-76 во Внуково. Такую же опера

Часть 1

Беспрецедентная беспечность и самонадеянность практически всех лиц с польской стороны – одна из главнейших причин этой катастрофы. Все остальные можно сказать – производные от этого.

Ещё раз напомню. Я принципиально не хочу давать никаких политических или эмоциональных оценок. Оставляю это читателям. Я говорю только о фактах.

В апреле 2010 планировались два визита польских делегаций в Катынь. Первая официальная во главе с премьером Туском, в ходе которой он встретился с премьером Путиным, вторая неофициальная во главе с Качиньским.

За три дня до катастрофы этот борт PL-101 прилетал в Смоленск. Вторым пилотом в этом рейсе был Аркадиуш Протасюк. То есть он получил знакомство с этим аэродромом. Польский-101, как произносят в радиообмене, привозил официальную польскую делегацию во главе с премьером Туском, к самолету были поданы трапы, автомобильный кортеж.

Эти трапы были привезены специально для встречи этой делегации и потом возвращены самолётом Ил-76 во Внуково.

Такую же операцию предполагалось произвести и 10-го апреля. Из Москвы вылетел Ил-76, который должен был приземлиться раньше польского 101-го. Но он сесть не смог из-за тумана.

Протасюк умел сажать этот самолёт красиво и мягко.

Посадка PL-101 в Праге 8-го апреля 2010 числа. Протасюк на этом рейсе был вторым пилотом, а вот про остальных членов экипажа - ничего неизвестно. Все источники, утверждают, что экипаж был сформирован незадолго до того рокового полёта. Называют от одного до трёх дней. Это говорит о том, что слётанности в экипаже не было. Ситуация совершенно недопустимая даже для простого рейса без пассажиров, а тем более для полёта с президентом.

Один политик, которого в народе прозвали Димон, жёстко и оскорбительно высказался в адрес Ту-154, обидев всех, кто строил или обслуживал эти самолёты, летал на них.

Летчики любили эту машину, говорили: - Сам летает, только не нужно мешать. Из-за нижнего расположения крыла возникал сильный экранный эффект, при высоте полёта 3-4 м под ним образовывалась воздушная подушка. Не хочет садиться – говорили пилоты, дожимать нужно. На нём часто применялось включение реверса двигателей на высоте 2-3 м. Может быть поэтому он очень мягко садился, некоторые читатели имеют возможность сравнить его посадки с тем, как прикладывают бобики и арбузы к планете зарубежные асы.

В этом ролике можно увидеть, насколько хорошо Ту-154 управлялся на малой высоте и малой скорости.

По нынешним временам шумный и прожорливый, но весьма надёжный. Случаев, когда катастрофы были связаны непосредственно с конструктивными недостатками самолета, или его узлов и агрегатов, немного. Значительно больше связаны с ошибками, пилотирования, неправильно проведённым обслуживанием или вовсе отсутствием такового. Разбившихся самолётов Ту-154 – 7.7% от выпущенных, схожего с ним самолёта Boeing-727 -6.6%. Я отношу это в первую очередь к тому, что сервис наших самолётов за рубежом был организован гораздо хуже, чем это делали американцы. И, видимо, тот факт, что самолёт был значительно дешевле американца, говорит о том, что его предпочитали менее состоятельные авиакомпании, в которых можно ожидать и менее серьёзного отношения к безопасности полётов.

Этот полёт не мог не привести к печальным последствиям. Одно за другим происходили события, жёстко программирующие будущее. Каждое в отдельности не может быть причиной, но сработала кумуляция факторов.

Подготовка полёта началась за два месяца. Польский МИД уведомил наш о желании президента Польши совершить полёт на Смоленский аэродром и просил начать подготовку к полёту. При этом характер визита был обозначен – частный.

Польской стороне сообщали о непригодности аэродрома для приёма таких миссий, об отсутствии на нём современного радиотехнического оборудования для посадки. Аэродром не сертифицирован по нормам ИКАО. На аэродроме даже не было своего пассажирского трапа для больших самолётов. Предлагали услуги лидировщика – авиационного «лоцмана», опытного пилота, совершавшего полёты на этот аэродром. Поляки гордо отказались. Предлагали совершить посадку в Москве на Внуково, оттуда кортежем в Смоленск. Предлагали садиться в Витебске, там расстояние около 130 км. Всё отвергнуто.

Началась подготовка такого полёта. Одним из важнейших мероприятий по подготовке стали тренажи лиц, которые должны были быть руководителями полётов в день прилёта. На военном аэродроме нет диспетчеров. Есть руководитель полётов – РП, есть группа специалистов ГРП, которая принимает участие в организации воздушного движения – Зам РП, руководители подхода и посадки и т.д. РП на военном аэродроме не обязан знать английский язык, а сейчас большая часть радиообмена в гражданской авиации ведётся на английском языке. Так что Плюснину и другим лицам, регулярно входящим в ГРП, пришлось заниматься английским языком и дополнительно изучать все правила и процедуры по приёму международных рейсов.

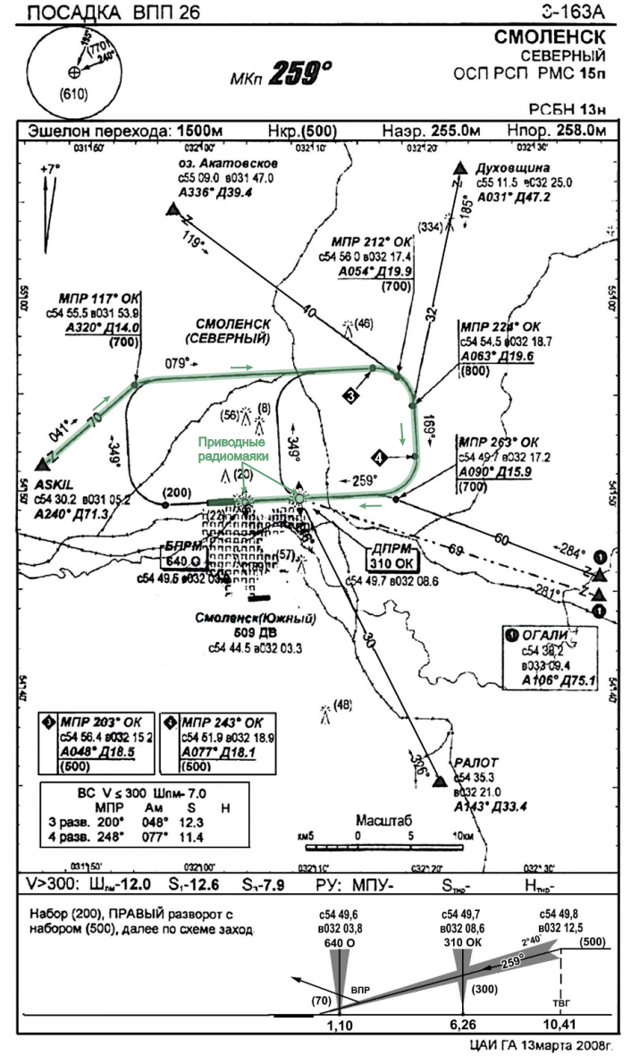
Что собой представлял аэродром Смоленск-Северный? Это аэродром первого класса, способный принимать тяжелые самолёты посадочной массой 75т и более. Бетонная ВПП длиной 2500м и шириной 49м. Метеорологический минимум (минимальная видимость, при которой разрешена посадка) аэродрома 100м х 1000м. Радиотехническое оборудование может обеспечить только неавтоматизированный заход по системе ОСП+РСП (объясню далее). Но даже это оборудование предусматривает посадку только одним курсом МКпос259гр.

Схема захода на посадку в АП Смоленск-Северный, действительная в 2010г, зелёные пометки - автора.
Схема захода на посадку в АП Смоленск-Северный, действительная в 2010г, зелёные пометки - автора.

Особенность аэродрома в том, что между ближним (БПРМ) и дальним (ДПРМ) приводными радиомаяками находится глубокий -80м относительно ВПП овраг. Из-за этого радиомаяки стоят нестандартно – положено: ближний 1+-0,1км от торца ВПП и дальний 4+-0,2км, а здесь мы видим по схеме захода на посадку (внизу схемы) 1,1км и 6.26км. В этом нет крамолы, но это должен изучить экипаж при подготовке к полёту. Он должен был знать и про овраг, и про нестандартное расположение ДПРМ. Тут вспоминаем и про «крысу», и про использование радиовысотомера с 200м высоты по барометрическому. Высота торца ВПП над уровнем моря 255м, нормальное давление для этой высоты по стандартной атмосфере 738мм.рт.ст.

Расположение БПРМ и ДПРМ, овраг.
Расположение БПРМ и ДПРМ, овраг.

Красная стрелка на пути обозначает точку наибольшей глубины оврага. БПРМ находится на отметке минус 40 м относительно ВПП. Масштаб по вертикали и горизонтали диаграммы высот разный, поэтому не удивляйтесь такой крутизне склонов. В одинаковых масштабах это выглядит вот так.

Диаграмма высот под глиссадой в одинаковых масштабах по вертикали и горизонтали
Диаграмма высот под глиссадой в одинаковых масштабах по вертикали и горизонтали

Бывает, что аэропорты расположены и в более сложной местности, но это нужно знать и учитывать.

В те дни аэродром практически не эксплуатировался. Он считался аэродромом совместного базирования – ВВС и Смоленского авиазавода. Но от ВВС осталась только авиационная комендатура, а авиазавод занимался только ремонтом Як-42, Як-18. Кроме них один-два раза в год прилетали грузовики Ил-76 или другие гражданские воздушные суда по специальным разовым разрешениям Росавиации. «Заброшка» называют такие объекты сталкеры.

-5

Вот фото 2018 года заброшенного аэродрома Смоленск-Северный. Все стоянки пустые. Были разговоры о том, чтобы восстановить и использовать аэропорт, но дальше разговоров дело не пошло.

-6

Это вид с расстояния около 1100м от полосы в сторону 4-го разворота. Это ещё не главная берёза, но здесь уже самолёт «стриг ёлки». Уже лётчики пытались вытянуть его вверх.

Вот как выглядит злосчастный овраг при съемке с параплана. Изображение дрожит, ничего не поделаешь.

Третья часть здесь

-7

Кнопка перевода через Юмани из любого банка

https://yoomoney.ru/bill/pay/gm6SQQBobWc.230302