Добавить в корзинуПозвонить
Найти в Дзене

ЛуАЗ 969 . ВЕЗДЕХОД И РУССКАЯ СМЕКАЛКА

Немного истории происхождения ЛУАЗ 969 . Семейство советских грузопассажирских микролитражных легковых автомобилей повышенной проходимости, выпускавшееся на Луцком автозаводе в общей сложности с 1966 по 2002 годы. Практически одновременно с началом выпуска "Горбатого" ЗАЗ-965 началась проработка новой внедорожной конструкции на базе его агрегатов и узлов ЗАЗ-969. Первые опытные образцы были построены в конце 1964 года и весной 1965 года были отправлены на первые внедорожные , ходовые и климатические испытания . ЗАЗ-969 имел полный привод, при этом постоянно включен передний ведущий мост, а задний включался по мере необходимости . Двигатель от ЗАЗ-965 мощностью 27л.с. установлен в передней части автомобиля и является его дальнейшей модернизацией. Но по мимо инженеров с профессиональной точки зрения ,данный "джип" приглянулся по вкусу Русскому народу . Десятки "кулибиных" Русских умельцев, принялись за доработку этого вездехода. Силовой агрегат Несмотря на то что отечественные автомоби
Оглавление

Немного истории происхождения ЛУАЗ 969 .

Семейство советских грузопассажирских микролитражных легковых автомобилей повышенной проходимости, выпускавшееся на Луцком автозаводе в общей сложности с 1966 по 2002 годы.

  • Масса: 950—1360
  • Производитель: ЛуАЗ
  • Расход топлива: 10 л на 100 км при скорости 60 км/ч
  • Клиренс: 280 мм (с полной нагрузкой)
  • Длина: 3370 мм
Незаменимый помощник в деревне.
Незаменимый помощник в деревне.

Практически одновременно с началом выпуска "Горбатого" ЗАЗ-965 началась проработка новой внедорожной конструкции на базе его агрегатов и узлов ЗАЗ-969. Первые опытные образцы были построены в конце 1964 года и весной 1965 года были отправлены на первые внедорожные , ходовые и климатические испытания .

Один из начальных концептов ЛуАЗ 969
Один из начальных концептов ЛуАЗ 969

ЗАЗ-969 имел полный привод, при этом постоянно включен передний ведущий мост, а задний включался по мере необходимости . Двигатель от ЗАЗ-965 мощностью 27л.с. установлен в передней части автомобиля и является его дальнейшей модернизацией.

Испытание водой
Испытание водой

Но по мимо инженеров с профессиональной точки зрения ,данный "джип" приглянулся по вкусу Русскому народу .

Десятки "кулибиных" Русских умельцев, принялись за доработку этого вездехода.

Амфибия на базе ЛуАЗ 969
Амфибия на базе ЛуАЗ 969

Силовой агрегат

Несмотря на то что отечественные автомобили сложно отнести к элитной категории автомобильной промышленности, небольшие переделки ЛуАЗа позволят получить вполне достойное транспортное средство как по ходовым параметрам, так и в плане комфорта. Основные изменения касаются силовой установки, ходовой части и салонного оснащения. Штатный мотор внедорожника отличается хорошим «аппетитом». Он потребляет порядка 14 литров горючего на сотню километров. Причем объем двигателя составляет всего 1,2 литра.

Двигатель ЛуАЗ доработанный дополнительным гениратором
Двигатель ЛуАЗ доработанный дополнительным гениратором

ВАЗовский мотор

Установка силового агрегата от «классики» должна производиться строго горизонтально, иначе коробка передач не станет на посадочное место, а первичный вал будет подвергаться закусыванию. Специалисты советуют монтировать «движок» объемом 1,7 литра (от «Нивы»). Мощность при этом достигает 80 коней, однако масса увеличивается до 150 кг.

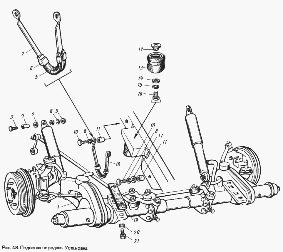
Ходовая часть

Переделка ЛуАЗа потребуется также в части рулевого управления и ходового узла. В штатном исполнении автомобиль оснащен высокопрофильной резиной, способствующей раскачиванию и ухудшению управляемости на дороге. Ширина покрышек также недостаточна (всего 165 мм). Большие сугробы или глубокую грязь преодолеть на таких колесах будет весьма проблематично. Диаметр дисков составляет 15 дюймов, что приемлемо на неровных участках, однако мешает активному разгону. К минусам также относят небольшие колесные арки и малый ход рычажной подвески.

Подвеска ЛуАЗ передняя
Подвеска ЛуАЗ передняя

Подведем итоги

Автомобиль легко поддается модернизации, и самый лучший (так же очень дешёвый) для него донор это "ВАЗ"! Проведя тюнинг подвески, ДВС и остальных основных узлов, вы получите довольно сносный легкий внедорожник.