Найти в Дзене
Старый радиолюбитель

Простой метод исследования УНЧ.

В этой статье я расскажу о простом визуальном способе проверки амплитудно-частотной характеристики усилителей низкой частоты с помощью колебаний прямоугольной формы, подаваемых на вход усилителя.

В этой статье я расскажу о простом визуальном способе проверки амплитудно-частотной характеристики усилителей низкой частоты с помощью колебаний прямоугольной формы, подаваемых на вход усилителя.

Этот метод испытания позволяет выявлять даже небольшие неравномерности усиления колебаний разливных частот, паразитную генерацию, фон переменного тока и прочие искажения Только надо помнить, что на практике в усилителе могут быть одновременно искажения нескольких видов и поэтому осциллограмма испытательного прямоугольного импульса будет сложной.

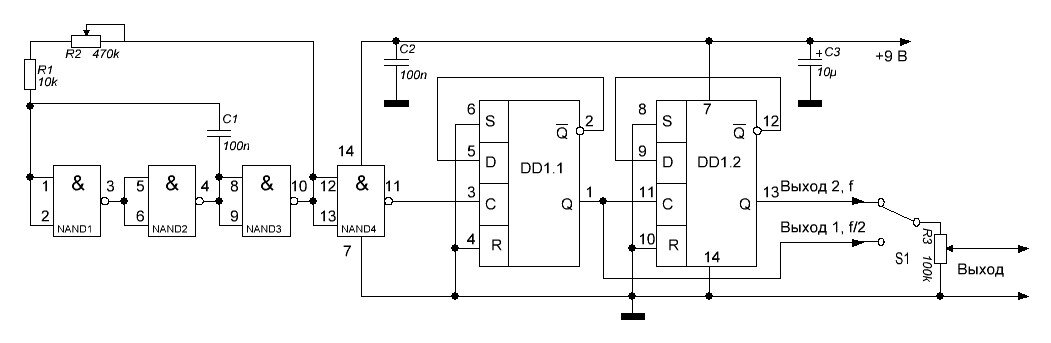
Как можно получить напряжение прямоугольной формы? Сформировать симметричные прямоугольные импульсы с очень малой длительностью фронтов (доли микросекунды) и горизонтальной плоской вершиной раньше было не просто При этом надо обеспечить возможность изменения частоты этих импульсов от 50Гц до 1 — 2 кГц. В промышленных генераторах импульсов применяются мультивибраторы или другие релаксационные генераторы. Можно собрать генератор прямоугольный импульсов на двух логических микросхемах и на это уйдет всего минут двадцать.хема генератора прямоугольных импульсов на микросхемах К561ЛА7 и К561ТМ2.

Схема генератора прямоугольных импульсов на микросхемах К561ЛА7 и К561ТМ2
Схема генератора прямоугольных импульсов на микросхемах К561ЛА7 и К561ТМ2

На первых трех элементах И_НЕ микросхемы К561ЛА7 собран мультивибратор, частота которого зависит от емкости конденсатора С1 и резистора R2, с помощью которого эта частота может меняться в широких пределах. Так как микросхема содержит четыре элемента И-НЕ, то четвертый элемент используется как инвертор -повторитель и никаких особых функций не несет ("не выбрасывать же, пусть будет")

Цифровые микросхемы в генераторах взаимозаменяемы в большинстве случаев и можно использовать в одной и той же схеме как микросхемы с элементами «И-НЕ», так и «ИЛИ-НЕ», или же просто инверторы. Точно такую схему с сохранением всех параметров можно собрать и на К561ЛА7, и на К561ЛЕ5 (или серий К176, К564, К164). Нужно только соблюдать цоколевку микросхем, которая во многих случаях даже совпадает.

Вторая микросхема 561 содержит два D-триггера. Не буду останавливаться на деталях работы этого устройства (собираюсь посвятить этому отдельную статью). Если соединить вход D триггера С с его инверсным выходом (Q с черточкой) можно получить интересный эффект, — частота импульсов, поступающих на вход С будет делится триггером ровно на два, и на его выходе Q частота импульсов будет в два раза ниже чем частота импульсов поступающих на С. Работу D-триггеров я вам покажу на макете.

Чтобы расширить диапазон выходных частот, поставим два триггера друг за другом. Тогда, если частота импульсов на выходе мультивибратора будет меняться от 4000 Гц до 200Гц, то на выходе первого триггера будут частоты 2000 - 100Гц, а на выходе второго - 1000 -50 Гц. Т.е. общий диапазон изменения частоты будет от2000 до 50 Гц. А зачем нужны триггеры? Ведь можно просто переключать конденсаторы разной емкости в мультивибраторе! Да, можно. Но триггер имеет еще одно важное свойство: на его выходе импульсы имеют форму меандра. Посмотрим на два графика:

-2

На графике "а" время, когда на выходе мультивибратора присутствует высокий логический уровень (t1) не равно времени, когда на выходе низкий логический уровень (t2). На графике "b" время t1 и t2 равны. Это и есть меандр. Кстати, это слово придумали древние греки. Так они называли рисунок, которым отделывали края одежды или посуды. Нам же важно, что колебания в виде меандра наиболее подходят для изучения характеристик УНЧ. На следующем фото осциллограммы прямоугольных импульсов: слева - на выходе генератора, справа - на выходе D - триггера, которые я сделал после сборки генератора на макетной плате.

Осциллограммы прямоугольных импульсов.
Осциллограммы прямоугольных импульсов.

На осциллограмме А видно, что колебания не являются меандром и, кроме того, вершины импульсов с левой стороны завалены, т.е. они строго говоря не прямоугольные. На осциллограмме справа импульсы имеют крутые фронты, являются прямоугольными и имеют форму меандра. Ну а теперь давайте посмотрим, что может произойти с прямоугольным импульсом после прохождения через тракт УНЧ.

а) Ослабление усиления колебаний наиболее высоких частот , фронт импульса растянулся.
а) Ослабление усиления колебаний наиболее высоких частот , фронт импульса растянулся.

На графиках красным пунктиром показана идеальная форма прямоугольных импульсов на входе УНЧ, а синим - их форма на выходе УНЧ.

б)Результат ослабления усиления колебаний высоких  частот
б)Результат ослабления усиления колебаний высоких частот

На графике б)тоже результат ослабления усиления колебаний высоких частот, но здесь фронт импульса удлинился настолько, что занял весь полупериод.

Искажения прямоугольного импульса при ослаблении усиления сигналов низких частот.
Искажения прямоугольного импульса при ослаблении усиления сигналов низких частот.
Искажения при снижении усиления колебаний как низких, так и средних частот.
Искажения при снижении усиления колебаний как низких, так и средних частот.
Искажения, обусловленные подъемом усиления на низких частотах.
Искажения, обусловленные подъемом усиления на низких частотах.
Искажение при подъеме усиления  на средних частотах.
Искажение при подъеме усиления на средних частотах.
Искажения, свидетельствующее о наличии в усилителе резонирующих цепей и паразитных колебаний, частоты которых выше верхней граничной частоты испытываемого усилителя.
Искажения, свидетельствующее о наличии в усилителе резонирующих цепей и паразитных колебаний, частоты которых выше верхней граничной частоты испытываемого усилителя.

Так что, если у вас есть осциллограф или на компьютере установлена соответствующая программа, можете попробовать. Конечно, этот метод не является количественным. т.е. по осциллограммам нельзя получить значение завала или подъема характеристике в децибелах. Но если вы увидели завал низких частот, то значит, скорее всего, мала емкость переходных конденсаторов или емкость конденсаторов в цепях отрицательной обратной связи. Особенно хорошо виден подвозбуд усилителей.

Теперь еще немного о D- триггерах. Я собрал макет генератора, подключив к его выходам и выходу мультивибратора усилители тока со светодиодами вот по такой схеме:

-11

Резистор R1 предотвращает перегрузку выходов микросхем, а резистор R2 ограничивает ток через светодиоды. На фото внешний вид модели генератора.

Макет генератора прямоугольных импульсов.
Макет генератора прямоугольных импульсов.

Слева микросхема 561ЛА7, на которой собран мультивибратор. Два желтеньких конденсатора, соединенных параллельно в верхней части фото - частотозадающий, общей емкостью 1,68 МкФ. Подстроечным резистором сопротивлением 270 кОм можно регулировать частоту импульсов. Справа - микросхема 561ТМ2, а вокруг нее - усилители тока на транзисторах КТ315 и три светодиода. Левый светодиод (красный) показывает частоту на выходе мультивибратора, средний (зеленый) - на выходе первого триггера, и правый (синий) - на выходе второго триггера. Ролик с работой этой схемы я выложу. Если вы посмотрите, то увидите, что синий светодиод мигает в два раза реже, чем зеленый и в четыре раза реже, чем красный.

Всем успехов!