Найти в Дзене
Дмитрий Компанец

НЕ ВЫБРАСЫВАЙ БАТАРЕЙКИ!

Можно или нет заряжать батарейки? И что будет если подать на батарейку 12 вольти 3 ампера? Какие батарейки можно заряжать? Расскажу и покажу свой опыт по заряду и перезаряду бытовых пальчиковых батареек. То что Батарейки Категорически Заряжать Нельзя написано на упаковках и на самих батарейках. Да, процесс повторного заряда не так безопасен как заряд сотового телефона, но все таки ужасных взрывов с батарейками увидеть мне ни разу не удалось. То что показывают про взрывы Конденсаторов и аккумуляторов - в большинстве своем пиротехнические подделки либо ухищрения. В обычных условиях ждать что перезаряженная батарейка "рванет как граната" не приходится - в ней нет столько активных веществ для процесса детонации. И не надо умных фраз типа "Если сунуть в розетку...или на прямую к аккумулятору..." нет! не взорвется а только вздуется и разорвет цепь питания! Гвоздь в розетке или на клеммах АКБ куда опаснее взрываться чем батарейка - так что боимся гвоздей и не заряжаем их. Мои скромны
Их можно зарядить!
Их можно зарядить!

Можно или нет заряжать батарейки? И что будет если подать на батарейку 12 вольти 3 ампера? Какие батарейки можно заряжать?

Расскажу и покажу свой опыт по заряду и перезаряду бытовых пальчиковых батареек.

То что Батарейки Категорически Заряжать Нельзя написано на упаковках и на самих батарейках. Да, процесс повторного заряда не так безопасен как заряд сотового телефона, но все таки ужасных взрывов с батарейками увидеть мне ни разу не удалось. То что показывают про взрывы Конденсаторов и аккумуляторов - в большинстве своем пиротехнические подделки либо ухищрения. В обычных условиях ждать что перезаряженная батарейка "рванет как граната" не приходится - в ней нет столько активных веществ для процесса детонации.

И не надо умных фраз типа "Если сунуть в розетку...или на прямую к аккумулятору..." нет! не взорвется а только вздуется и разорвет цепь питания! Гвоздь в розетке или на клеммах АКБ куда опаснее взрываться чем батарейка - так что боимся гвоздей и не заряжаем их.

Мои скромные знания позволяют отследить процесс заряда любого АКБ или батарейки с помощью наблюдения за током через батарею и за напряжением на её выводах.

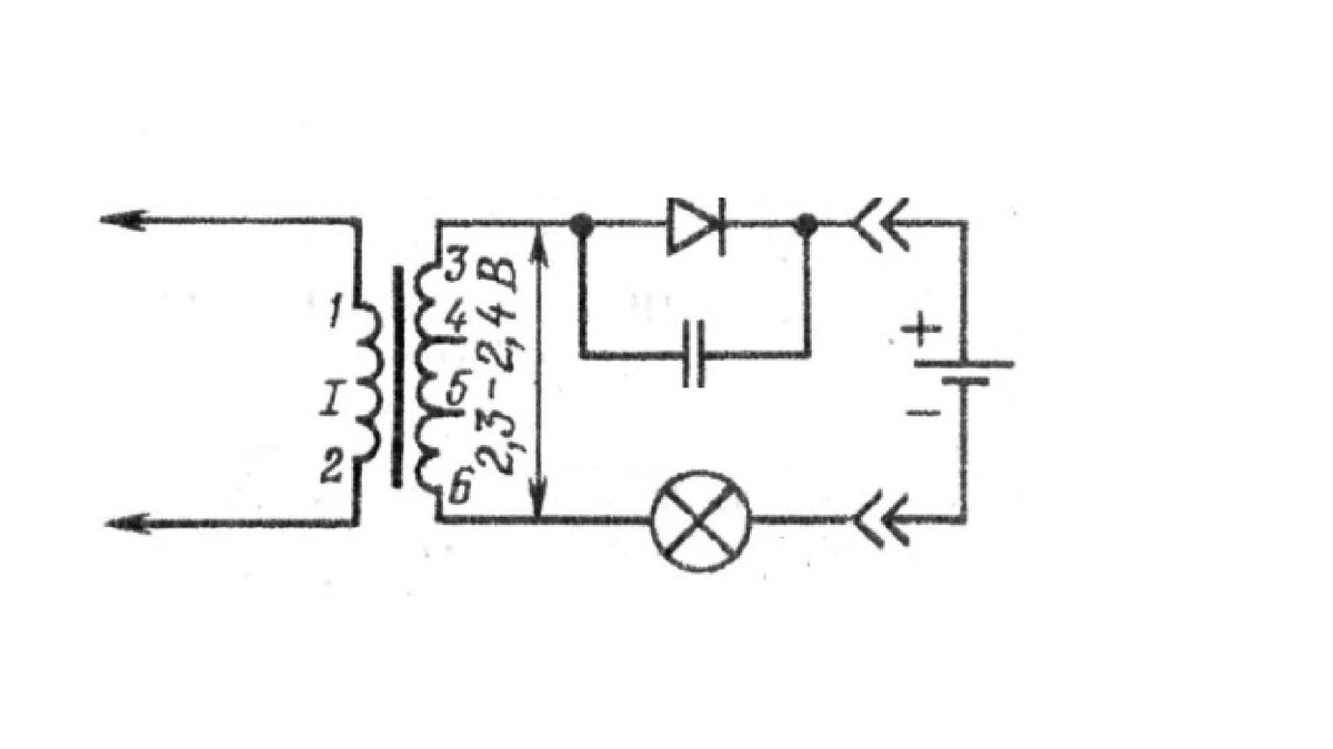
Схема для восстановления батареек
Схема для восстановления батареек

Если ток течет - батарея или заряжается или разрушается - тут надо видеть изменение тока и напряжения.

Если батарея или аккумулятор принимают ток и напряжение не клеммах растет а ток падает - это однозначно заряд.

А вот если напряжение остается или падает а ток увеличивается - это говорит о разрушении батареи и грядущем КЗ на блоке питания.

После нескольких испытаний мне удалось выявить закономерность - Щелочные батареи (не все) довольно хорошо воспринимали заряд напряжением втрое превышающим их номинал и токами более 1 Ампера. При этом особого нагрева самих батарей не произошло. Работоспособность возвращалась хоть и частично.

А воот с солевыми батареями все оказалось печально - их восстановление конечно было не надолго, затем ток батарей резко снижался, а вот заряд напряжением в 6 вольт для 1,5 вольтовой батарейки приводил к "заряду" её почти до двух вольт.

Испытание большим током и 12 вольтами солевой батарейки не привели ни к взрыву ни к перезаряду - наоборот после издевательства 12 вольтами батарейка приобрела заряд в 1,5 вольта и не более.

Так что мой вывод однозначен - Солевые батареи годятся для спорных экспериментов, а вот Щелочные можно пытаться зарядить, соблюдая при этом элементарные правила безопасности.

Подписывайтесь на канал Яндекс.Дзен и узнавайте первыми о новых материалах, опубликованных на сайте.

ЕСЛИ СЧИТАЕТЕ СТАТЬЮ ПОЛЕЗНОЙ,
НЕ ЛЕНИТЕСЬ СТАВИТЬ ЛАЙКИ И ДЕЛИТЬСЯ С ДРУЗЬЯМИ.

#НеВыбрасывайБатарейки