Найти в Дзене
Дмитрий Компанец

На ТИРИСТОРЕ PCR406 СВЕТОМУЗЫКА

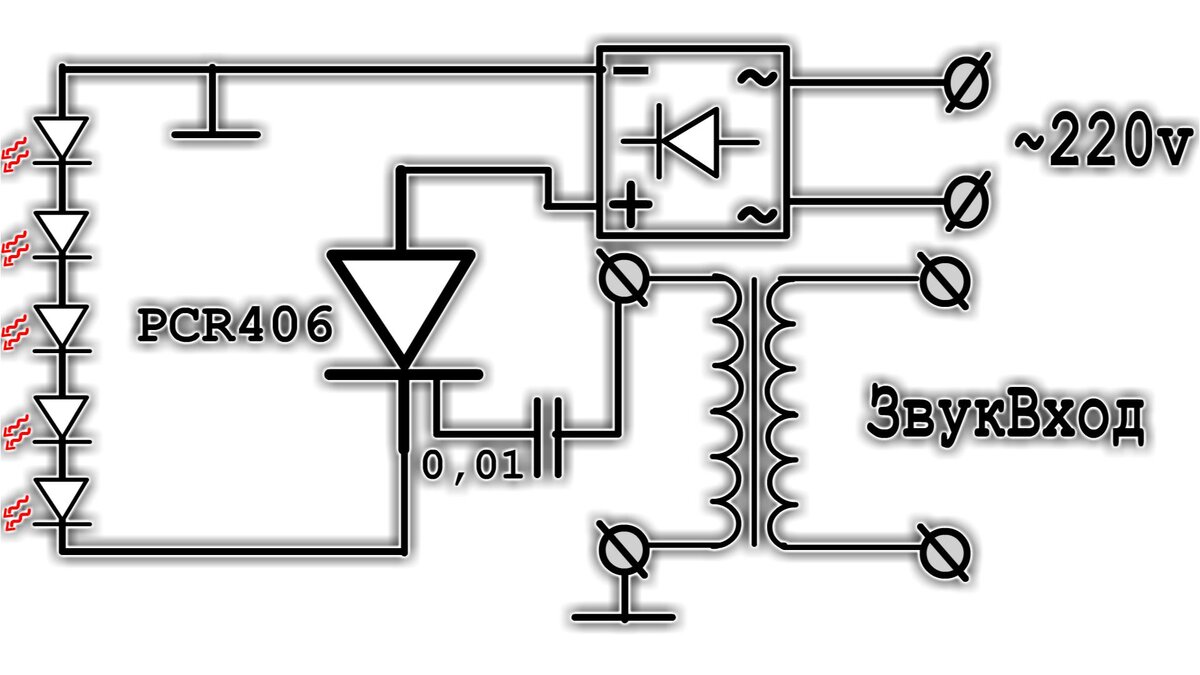
На одном Тиристоре светомузыка на 220 вольт делается по очень простой схеме. Тиристор PCR406 можно взять из елочных мигающих гирлянд, а можно его там и оставить, отпаяв от микросхемы управляющий вывод тиристора. Все что потребуется проверить питание подаваемое на тиристор через выпрямительный мост и резистор и исправность самих подключенных к тиристору светодиодов. Ранее я модулировал готовую схему питания гирлянды звуком, подавая модулирующий звуковой сигнал с сотового телефона на синхронизирующий вход управляющей тиристорами микросхемы. Полное и подробное описание работы схемы с указанием точек в которых можно подводить сигнал звуковой модуляции смотрите тут Эффект вполне хороший, но хочется пробовать и классическую схему управления, подобную тем, что были использованы в ранние годы тиристорных светомузыкальных установок. В это раз я решил промодулировать только одну строчку светодиодов с одним тиристором, в дальнейшем я усложню схему, включив в неё разделительные фильтры для выс
Светомузыка на тиристоре 220 вольт
Светомузыка на тиристоре 220 вольт

На одном Тиристоре светомузыка на 220 вольт делается по очень простой схеме. Тиристор PCR406 можно взять из елочных мигающих гирлянд, а можно его там и оставить, отпаяв от микросхемы управляющий вывод тиристора.

Все что потребуется проверить питание подаваемое на тиристор через выпрямительный мост и резистор и исправность самих подключенных к тиристору светодиодов.

Ранее я модулировал готовую схему питания гирлянды звуком, подавая модулирующий звуковой сигнал с сотового телефона на синхронизирующий вход управляющей тиристорами микросхемы.

Полное и подробное описание работы схемы с указанием точек в которых можно подводить сигнал звуковой модуляции смотрите тут

Эффект вполне хороший, но хочется пробовать и классическую схему управления, подобную тем, что были использованы в ранние годы тиристорных светомузыкальных установок.

В это раз я решил промодулировать только одну строчку светодиодов с одним тиристором,

Схема светомузыки на тиристоре
Схема светомузыки на тиристоре

в дальнейшем я усложню схему, включив в неё разделительные фильтры для высоких и низких частот и может быть балансировку на согласующем резисторе.

#СветомузыкаНаТиристоре220в #ПростаяСхема