Найти в Дзене
Вячеслав Калашник

Измеритель ESR.

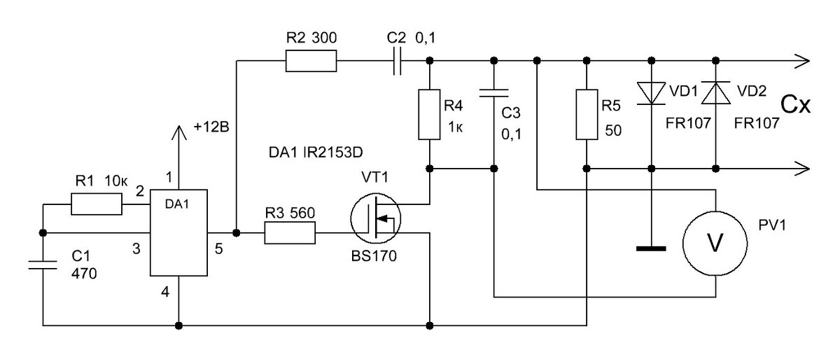
В связи с тем, что повышенное последовательное сопротивление потерь (ESR) электролитических конденсаторов ухудшает фильтрацию и вызывает повышенный нагрев (особенно в импульсных блоках питания) весьма желателен 100% контроль ESR до монтажа их в устройство, что позволит улучшить надежность. Измеритель ESR выполнен в виде приставки к мультиметру, который работает в режиме измерения постоянного напряжения с пределом 200мВ. Генератор выполнен на микросхеме IR2153, представляющий собой драйвер мощных полевых транзисторов с изолированным затвором. Микросхема содержит внутренний генератор, аналогичный генератору на таймере серии 555. Особенностью этой микросхемы является наличие интегрированного выходного драйвера плавающего уровня с максимальным рабочим напряжением 600В (у нас он не используется). Внутренний параллельный стабилизатор предотвращает превышение питающего напряжения в 15В, а блокировка по пониженному напряжению выключает оба выхода управления затворами полевых транзисторов, к

В связи с тем, что повышенное последовательное сопротивление потерь (ESR) электролитических конденсаторов ухудшает фильтрацию и вызывает повышенный нагрев (особенно в импульсных блоках питания) весьма желателен 100% контроль ESR до монтажа их в устройство, что позволит улучшить надежность. Измеритель ESR выполнен в виде приставки к мультиметру, который работает в режиме измерения постоянного напряжения с пределом 200мВ. Генератор выполнен на микросхеме IR2153, представляющий собой драйвер мощных полевых транзисторов с изолированным затвором. Микросхема содержит внутренний генератор, аналогичный генератору на таймере серии 555. Особенностью этой микросхемы является наличие интегрированного выходного драйвера плавающего уровня с максимальным рабочим напряжением 600В (у нас он не используется). Внутренний параллельный стабилизатор предотвращает превышение питающего напряжения в 15В, а блокировка по пониженному напряжению выключает оба выхода управления затворами полевых транзисторов, когда напряжение питания падает ниже 9В. Микросхема имеет два управляющих выхода (выв.5,7), выходной ток которых составляет 0,2А.Частота внутреннего генератора зависит от номиналов элементов времязадающей цепи R1C1 и равна 100кГц. Через токоограничивающую цепочку R2С2 это напряжение прикладывается к испытуемому конденсатору Сх (С2<<Cх). Поскольку на частоте 100кГц реактивное сопротивление Xc = 1/2πfCx 10мкФ конденсатора равно 0,16Ом т.е. значительно меньше, чем ESR , то переменное напряжение на конденсаторе будет определяться только величиной ESR, а не емкостью.

Синхронный детектор на элементах VT1,R2C2 с высокой линейностью (начиная с долей милливольта) преобразует переменное напряжение в постоянное, которое и измеряется мультиметром. Устройство не требует никаких настроек и выдает результат мгновенно. Оно пригодно для измерения самых низковольтных конденсаторов, так напряжение на клеммах испытуемого конденсатора не превышает величину 0,7В.

Номиналы цепочки R2C2 подобраны так, что показания милливольтметра в мВ соответствуют значению ESR в Омах. Например, 10мВ соответствуют 10 Омам. Диапазон измерения ESR составляет от 0 до 25 Ом (конденсаторы с большим значением следует забраковать). Погрешность измерения 0,1 Ома.

1. Радиохобби №1, 2012г., с.29.

-2