Найти в Дзене
ASUTPP

Подключение наушников - усиление или ослабление сигнала

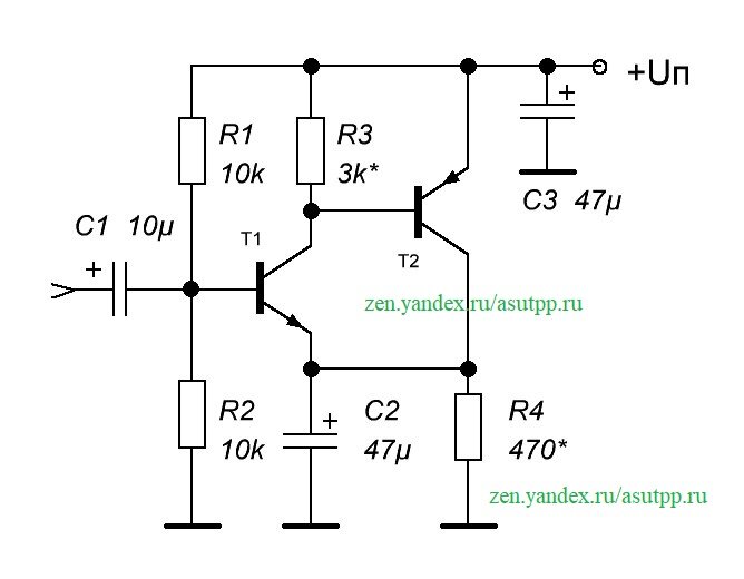
На практике бывают случаи, когда устройства звуковоспроизведения не могут обеспечить достаточного уровня громкости звучания наушников, подключённых к их выходу. Это может быть обусловлено как недостаточной чувствительностью применяемых наушников, так и недостаточным уровнем усиления (мощности) самого устройства. В таких ситуация может помочь использование дополнительного каскада усиления. Для примера, в данной статье будет рассмотрен случай дополнительного, промежуточного усилителя для металлоискателя, собранного по простой схеме всего на двух транзисторах малой мощности. Транзисторы можно использовать, например, типа KT315, KT3102, KT342, KT361, KT3107 или аналогичные импортные. Коэффициент усиления их может быть от 100 и выше. Напряжение питания усилителя может быть от 3 вольт. Никакой особой наладки такой усилитель не требует, но можно подобрать номинал резистора R3 по максимальной громкости и наилучшему качеству звучания. От величины ёмкости конденсатора С2 зависит громкость зву

На практике бывают случаи, когда устройства звуковоспроизведения не могут обеспечить достаточного уровня громкости звучания наушников, подключённых к их выходу.

Это может быть обусловлено как недостаточной чувствительностью применяемых наушников, так и недостаточным уровнем усиления (мощности) самого устройства. В таких ситуация может помочь использование дополнительного каскада усиления.

Для примера, в данной статье будет рассмотрен случай дополнительного, промежуточного усилителя для металлоискателя, собранного по простой схеме всего на двух транзисторах малой мощности.

-2

Транзисторы можно использовать, например, типа KT315, KT3102, KT342, KT361, KT3107 или аналогичные импортные. Коэффициент усиления их может быть от 100 и выше. Напряжение питания усилителя может быть от 3 вольт.

Никакой особой наладки такой усилитель не требует, но можно подобрать номинал резистора R3 по максимальной громкости и наилучшему качеству звучания. От величины ёмкости конденсатора С2 зависит громкость звука и уровень воспроизведения низких частот.

Подбором номинала резистора R4 можно добиться минимального уровня потребляемого тока при приемлемом уровне громкости звука в наушниках.

Наушники могут быть любые, сопротивлением до 100 Ом (возможно и большее значение сопротивления, но на практике это не проверялось ). Ток потребление усилителя, в зависимости от сопротивления используемых наушников, будет порядка 5...20 мА.

Качество звучания такого усилителя, конечно, будет не самое высокое. Но вполне приемлемое для использования с такими устройствами как, например, металлоискатель или радиоприёмник.

Но бывают случаи когда, наоборот, нужно понизить уровень сигнала до величины, достаточной для наушников. Например, для их подключения к выходу мощного усилителя мощности. Здесь можно воспользоваться схемой, аналогичной показанной на следующем рисунке.

Подобная схема используется в усилителях мощности до 100 ватт аппаратуры «Technics». На резисторах собраны делители напряжения для каждого канала, а конденсаторы исключают возможное возбуждение усилителя.

В случае применения подобной схемы, качество звучания наушников определяется только их характеристиками и параметрами самого усилителя мощности.