Добавить в корзинуПозвонить
Найти в Дзене
NPN&PNP

Схемотехника. Кольцевой мультивибратор.

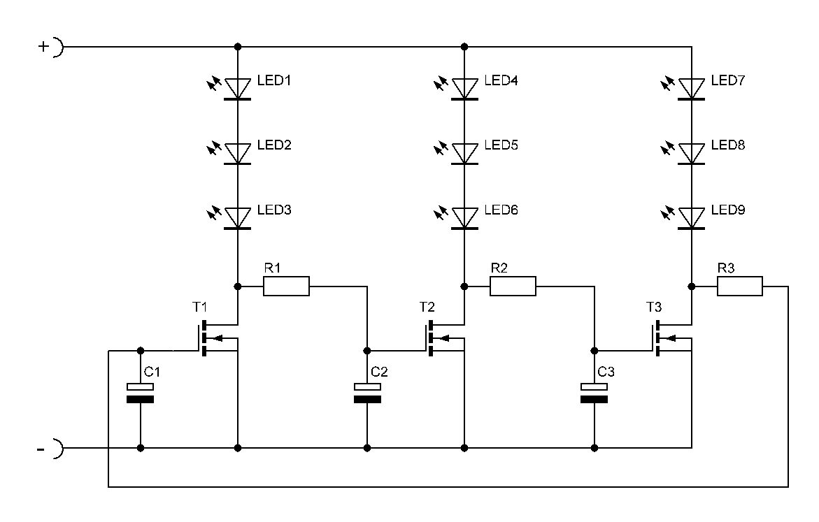
В электронике есть множество направлений, позволяющих изучить новое, облегчить обычные процессы или просто сделать жизнь красивой. Основное применение ниже описанной схемы - последовательное включение трех групп светодиодов, так же возможно применение RGB светодиодной ленты. При небольшой доработке схемы (например замена светодиодов на реле) возможно последовательно включать более мощную нагрузку. В первоначальном состоянии, после включения питания, все полевые транзисторы закрыты и ток через светодиоды не течет. В течении некоторого времени через резисторы R1 R2 и R3 заряжаются конденсаторы C1 C2 и C3 . Как только на одном из конденсаторов создаться достаточное напряжение, то открывается соответствующий транзистор. Для лучшего восприятия примем что первым открылся транзистор T1. Полевой транзистор при открытом состоянии имеет достаточно малое сопротивление и как следствие конденсатор С2 разражается через резистор R1, что в свою очередь не дает открыться транзистору Т2. В свою очередь

В электронике есть множество направлений, позволяющих изучить новое, облегчить обычные процессы или просто сделать жизнь красивой. Основное применение ниже описанной схемы - последовательное включение трех групп светодиодов, так же возможно применение RGB светодиодной ленты. При небольшой доработке схемы (например замена светодиодов на реле) возможно последовательно включать более мощную нагрузку.

Схема электрическая кольцевого мультивибратора (переключателя).
Схема электрическая кольцевого мультивибратора (переключателя).

В первоначальном состоянии, после включения питания, все полевые транзисторы закрыты и ток через светодиоды не течет. В течении некоторого времени через резисторы R1 R2 и R3 заряжаются конденсаторы C1 C2 и C3 . Как только на одном из конденсаторов создаться достаточное напряжение, то открывается соответствующий транзистор. Для лучшего восприятия примем что первым открылся транзистор T1. Полевой транзистор при открытом состоянии имеет достаточно малое сопротивление и как следствие конденсатор С2 разражается через резистор R1, что в свою очередь не дает открыться транзистору Т2. В свою очередь через светодиоды и резистор R2 продолжает заряжаться конденсатор C3. При достижение необходимого напряжения на затворе транзистора T3 приведет к его открытию - зажгутся светодиоды LED7, LED8 и LED9, а транзистор Т1 закроется, выключив светодиоды LED1, LED2 и LED3. Еще через некоторое время аналогичным способом сработает транзистор T2, затем Т1. Процесс переключения светодиодов происходит постоянно при наличии питания и целостности схемы.

При подборе элементной базы ставилась задача обеспечить надежность из легко покупаемых (дешевых) компонентов. На роль транзисторов (ключей) использовался транзистор IRFZ44 ( отечественный аналог КП812Б1). Данный транзистор выдерживает максимальный ток порядка 50 ампер , что позволяет его использовать без радиатора при питании светодиодов. Что касается светодиодов, то использовать можно любые, рабочие напряжение которых, для данной схемы, составляет в районе 3 вольт (напряжение питания - 9 вольт). При использовании меньшего числа светодиодов в каждой ветке или с меньшим рабочим напряжением - потребуется добавлять резистор для ограничения тока.

Время задержки включения задается для каждого плеча своей RC цепочкой. Для промежутка в 2 секунды взята пара номиналов - для резистора номинал 1 Мом, для конденсатора 2,2 мкФ. При желании уменьшить время до одной секунды - необходимо заменить конденсатор на 1 мкФ.

Ниже приведена схема с используемыми номиналами.

Схема электрическая с номиналами
Схема электрическая с номиналами
Спасибо за внимание, жду комментариев и подписку на канал, палец вверх.