Добавить в корзинуПозвонить
Найти в Дзене
ASUTPP

Описание принципиальной схемы электронного имитатора звуков

Существует множество электронных схем, позволяющих получить имитацию различных звуков, например - «голоса» различных птиц и животных, стук подскакивающего металлического шарика, сирены, гудок автомобиля или парохода и другие. Данное устройство можно отнести к категории электронных игрушек, оно может быть интересно как для начинающих радиолюбителей, так и для «озвучивания» моделей, в качестве оригинального звонка или сигнализатора и так далее. Предлагаемая простая схема позволяет получить имитацию разных звуков — трель соловья, щебет воробья, кваканье лягушки, утиное кряканье и некоторые другие. Всё устройство может быть собрано на одной микросхеме цифровой логики («И-НЕ») и одном транзисторе, усиливающим уровень выходного сигнала. Схема устройства приведена на рис.1. Следует обратить внимание на то, что цифровая микросхема здесь работает как бы «без питания», то есть, на её 14 вывод не подаётся питающее напряжение. На самом деле это не совсем так. Питание микросхемы осуществляется

Существует множество электронных схем, позволяющих получить имитацию различных звуков, например - «голоса» различных птиц и животных, стук подскакивающего металлического шарика, сирены, гудок автомобиля или парохода и другие. Данное устройство можно отнести к категории электронных игрушек, оно может быть интересно как для начинающих радиолюбителей, так и для «озвучивания» моделей, в качестве оригинального звонка или сигнализатора и так далее.

Предлагаемая простая схема позволяет получить имитацию разных звуков — трель соловья, щебет воробья, кваканье лягушки, утиное кряканье и некоторые другие. Всё устройство может быть собрано на одной микросхеме цифровой логики («И-НЕ») и одном транзисторе, усиливающим уровень выходного сигнала.

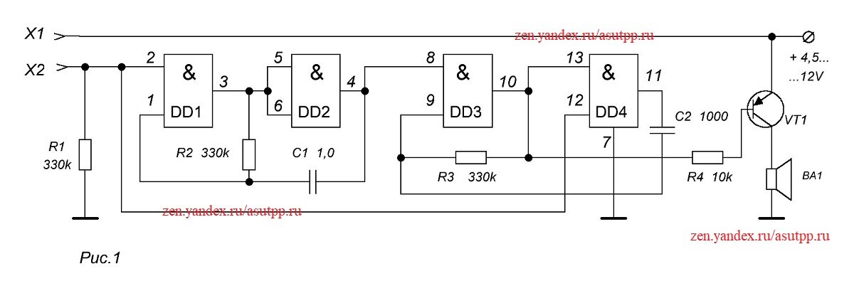
Схема устройства приведена на рис.1.

Схема электронного имитатора звуков
Схема электронного имитатора звуков

Следует обратить внимание на то, что цифровая микросхема здесь работает как бы «без питания», то есть, на её 14 вывод не подаётся питающее напряжение. На самом деле это не совсем так. Питание микросхемы осуществляется за счёт обеспечения положительной обратной связи (ПОС) по питанию.

Более подробную информацию о таком способе использования микросхемы можно, при желании, найти в первоисточнике — журнале «Радио», №7, 1987 г. В это же статье будет дана лишь практическая информация, необходимая и достаточная для самостоятельного изготовления схемы-имитатора.

Схема состоит из двух генераторов. Первый (DD1, DD2) вырабатывает постоянную последовательность прямоугольных импульсов с частотой 1...3 Гц. Второй (DD3, DD4) представляет собой ждущий мультивибратор. Когда на его вход (вывод 8) поступает сигнал с первого генератора (а именно - уровень логической единицы), он начинает вырабатывать тональные импульсы в диапазоне частот от 200 до 2000 Гц.

Если замкнуть между собой входные контакты Х1 и Х2, в динамической головке появится прерывистый звуковой сигнал.

Для возможности получения различных звуков, к этим контактам следует подключить переменный резистор сопротивлением порядка 100 кОм. Изменяя сопротивление этого резистора, мы сможем получить самые различные звуки.

Следует иметь в виду, что не все микросхемы цифровой логики смогут работать в такой схеме. Необходимо выбирать такие микросхемы из указанных серий, которые имеют встроенные защитные диоды (диоды шунтируют все входы микросхемы для исключения её пробоя от статического электричества). Микросхемы первых, ранних выпусков, таких диодов в своём составе не имели.

На этот момент следует обратить внимание при выборе варианта микросхемы. Можно использовать МС типа К176ЛА7, К561(564)ЛА7 или их импортные аналоги. Определить, есть ли защитные диоды в составе МС можно тестером (омметром).

Делается это так же, как и при проверке обычного диода. Для этого нужно измерить сопротивление между плюсовым выводом питания микросхемы и каждым из её входов, меняя полярность измерительных щупов.

Все резисторы в схеме можно использовать типа МЛТ-0,125, конденсаторы - любые, транзистор - КТ361, КТ3107. Динамическая головка может быть мощностью до 0,5 Вт.

Если все детали исправны и схема собрана без ошибок, то устройство начинает сразу, без дополнительных настроек. В некоторых случаях может понадобиться лишь подбор сопротивления резистора R4 для получения необходимой вам громкости звукового сигнала.

При желании, можно поэкспериментировать со схемой для изменения тональности выходного сигнала. Для этого можно менять ёмкость конденсатора C2 в диапазоне от 200 до 4700 пФ и сопротивления резисторов R2 и R3 в пределах от 47 до 510 кОм.