Найти в Дзене
Электронщик

Твердотельное реле постоянного тока 12в своими руками

Использовать твердотельное реле в силовых электронных схемах гораздо выгоднее, чем электромеханические, поскольку они демонстрируют большее количество срабатываний.
Твердотельное реле относится к числу современных полупроводниковых приборов с силовыми симисторными, тиристорными(при переменном токе) или транзисторными (при постоянном токе) ключами. Оно является отличной альтернативой стандартному э
Оглавление

Использовать твердотельное реле в силовых электронных схемах гораздо выгоднее, чем электромеханические, поскольку они демонстрируют большее количество срабатываний.

Твердотельное реле относится к числу современных полупроводниковых приборов с силовыми симисторными, тиристорными(при переменном токе) или транзисторными (при постоянном токе) ключами. Оно является отличной альтернативой стандартному электромагнитному реле, контакторам или электромагнитным пускателям, поскольку гарантируют большую надёжность и безопасность соединения.

Основная задача твердотельного реле – обеспечение связи низковольтных и высоковольтных электрических цепей.

Устройство твердотельного реле

Принцип построения этого устройства неизменен, независимо от конкретной модели.

Таким образом, структура реле включает в себя:

  • вход;
  • оптическую развязку;
  • триггерную цепь;
  • цепь переключателя;
  • цепь защиты.

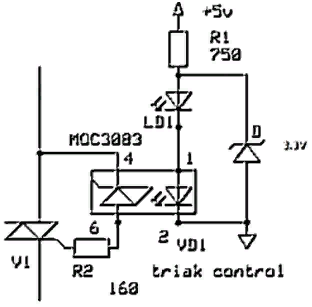
Инструкция для самостоятельной сборки твердотельного реле на 12 В

Если вы намерены собрать твердотельное реле, то вам понадобится соорудить цепочку с симистором, схемой управления и гальванической развязкой (по типу симисторной оптопары).

В качестве иллюстративного образца предлагается воспользоваться следующими деталями:

  • симисторной оптопарой MOC3083 (VD1);
  • симистором с изолированным анодом BT139-800 16A (V1 от Philips);
  • сопротивлением для ограничения тока через светодиод MOC3083 (R1 750Ом 0,5Вт);
  • светодиодом индикации АЛ307А (LD1);
  • резистором на управляющий электрод симистора 160 Ом (R2 , 0.125Вт).

  • Для самостоятельной сборки твердотельного реле понадобится в первую очередь металлическая (лучше всего из алюминия) быстро проводящая тепло подложка. Конкретные габариты подложки (размеры и толщина) зависят от того, какое количество тепла нужно будет отводить от симистора (учитывайте также, что и сама подложка может располагаться на поверхности из металла).
  • После потребуется опалубка под заливку. Она должна быть таких размеров, чтобы вместить все компоненты устройства. Под опалубку пойдёт любая подходящих габаритов пластиковая деталь.
  • Клеевым пистолетом опалубка скрепляется с подложкой. Герметизируются все имеющиеся щели.
  • Размещается предварительно спаянная и протестированная схема. Учтите, что не всегда можно сразу же точно определить положение выводов симистора. Чтобы уточнить этот момент следует соединить тестер на мегаомах с выходными концами симистора. Если симистор открывается, то уровень сопротивления вместо десятков мегаом снизится до единиц килоом.
  • Между спинкой корпуса симистора и поверхностью подложки необходима прослойка из теплопроводной пасты (КПТ-8). Ранее не изолированный анод симистора также необходимо отгородить изоляционной прокладкой. В любом случае, ни одна составляющая схемы не должна иметь прямого контакта с металлической подложкой.
  • Вновь вооружившись клеевым пистолетом нужно скрепить корпус симистора с подложкой.
  • Уложить все прочие составляющие схемы, продолжая крепить их так, чтобы они не контактировали с подложкой.
  • Залить форму компаундом.

Коммутационные разновидности твердотельного реле

По типу коммутации существую следующие разновидности твердотельного реле:

  • приборы, осуществляющие нагрузки по ёмкостному и редуктивному типу, обладающие слабой индукцией;
  • приборы, оснащённые функцией случайного, либо мгновенного выключения, применяются для механизмов и систем, где возникает необходимость мгновенного срабатывания;
  • приборы с фазовым управлением, помогают настраивать нагревательные элементы и лампы накаливания.

Защита твердотельного реле

Для того, чтобы обеспечить бесперебойную работу реле применяется специальная цепь защиты. Она может быть внутренней или внешней.

Для внутренней защиты можно воспользоваться разнообразными предохранителями:

  • g R –обеспечивает высокий уровень быстродействия, подходят для работы с широким спектром мощностей;
  • g S –применяются для работы с токами разной силы и помогают защищать полупроводники при излишне высоких нагрузках питающей сети;
  • a R –применяются как страховка от потерь, наносимых коротким замыканием.

К сожалению, покупка такого предохранителя обычно немногим уступает цене, за которую приобретают само реле. Если на такую роскошь тратиться жалко, то можно воспользоваться  предохранителями класса В, С и D, которые не столь качественны, но и стоят гораздо меньше.

Пишите комментарии, дополнения к статье, может я что-то пропустил. Загляните на карту сайта Электронщик, буду рад если вы найдете на моем сайте еще что-нибудь полезное. Делитесь информацией в соцсетях, ставьте лайки, если вам понравилось - это поможет развитию канала