Найти в Дзене
Старый радиолюбитель

Стабилизаторы. Параметрические.

В прошлой статье я рассказал о стабилизаторах напряжения на стабилитронах и диодах, о их использовании для стабилизации режимов усилительных каскадов на транзисторах.

Как уже писал, ток стабилизации таких стабилизаторов невелик, поэтому желательно его увеличить. С помощью чего? А какой у нас главный усилительный элемент - конечно транзистор.

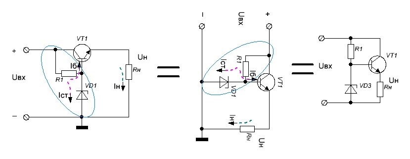
Рис. 1 Схемы параметрических стабилизаторов.
Рис. 1 Схемы параметрических стабилизаторов.

На схеме 1А уже знакомый вам стабилизатор на стабилитроне, а на схеме 1Б вместо нагрузки включен транзистор. Ток нагрузки теперь стал базовым током транзистора, а сопротивление нагрузки включено в его эмиттерную цепь. Вы не узнали эту схему? А если ее немного развернуть?

Рис. 2
Рис. 2

Узнали? Да, это наш старый знакомый эмиттерный повторитель. А он обладает усилением по току. Т.е., если Iб = 20 мА, а коэффициент усиления по току h = 20, то ток эмиттера будет около 400 мА. Конечно, это примерный расчет, но тем не менее. Теперь все хорошо? Не тут то было. Во-первых, напряжение на нагрузке будет примерно на 0,7 В меньше, чем напряжение стабилизации стабилитрона. Эти 0,7 В съедает переход коллектор-эмиттер транзистора. Во вторых, любые колебания тока базы транзистора будут усиливаться, т.е. снижается коэффициент стабилизации.

Ну и как с этим бороться? Чтобы не заморачиваться с подбором стабилитрона лучше взять его с заведомо большей на 2-3 В, сделать вот такую схему:

Рис. 3. Схема стабилизатора с изменяемым напряжением стабилизации.
Рис. 3. Схема стабилизатора с изменяемым напряжением стабилизации.

Собрав эту схему, мы получаем стабилизатор, напряжение на выходе которого можно регулировать почти от напряжения стабилизации стабилитрона практически от нуля. Но и здесь есть засада.

Представим, что Uвх = 15 В, Uст = 12 В, ток нагрузки Iнагр = 0,5А, а напряжение на нагрузке примем равным Uст (не учитывая падения напряжения на переходе коллектор-эмиттер). На транзисторе будет гаситься напряжение 15 В - 12 В = 3 В, а мощность, которая на нем рассеивается, будет равна 3 В х 0,5 А = 1,5 Вт. А теперь уменьшим напряжение на нагрузке до 5 В, а ток пусть останется неизменным. Тогда на транзисторе будет рассеиваться (15 В - 5 В) х 0,5А = 5 Вт, и транзистор закипит. Это недостаток любого стабилизатора, не считая импульсных. Поэтому не жалеем алюминия на радиатор.

А как же повысить коэффициент стабилизации? Если колебания входного напряжения быстрые (например ) недостаточно сглаженное входное напряжение, то просто ставим конденсатор.

Рис. 4. Схема стабилизатора со сглаживающим конденсатором
Рис. 4. Схема стабилизатора со сглаживающим конденсатором

Этот стабилизатор является еще и фильтром, причем, так как ток базы транзистора намного больше тока нагрузки, то емкость конденсатора С1 может быть небольшой.

Еще один способ повысить коэффициент стабилизации (более чем в 10 раз) - стабилизировать ток через стабилитрон. Для этого можно применять источники стабильного тока.

Рис. 5. Генератор стабильного тока (А) и применение его в стабилизаторе (Б).
Рис. 5. Генератор стабильного тока (А) и применение его в стабилизаторе (Б).

Генератор стабильного тока можно собрать на двух биполярных транзисторах, но гораздо проще сделать его на полевом транзисторе.

Рис. 6. Генератор стабильного тока на полевом транзисторе (А) и применение его в стабилизаторе (Б).
Рис. 6. Генератор стабильного тока на полевом транзисторе (А) и применение его в стабилизаторе (Б).

А используются ли стабилизаторы в ламповой технике? Да, используются. И даже есть ламповый аналог стабилитрона - газоразрядный стабилитрон. И, судя по рекламе, применяются до сих пор.

-7

А вот схема лампового стабилизатора:

Рис. 7. Схема лампового стабилизатора с газовым стабилитроном.
Рис. 7. Схема лампового стабилизатора с газовым стабилитроном.

В этой схеме регулирующим элементом является мощный пентод 6П3С, но стабилизатор собран по компенсационной схеме.

Но о компенсационных схемах - в следующей статье.

Всем здоровья и успехов.