Найти в Дзене
Петрович

Про схемотехнику светодиодных ламп

Давайте попробуем разобраться, почему же так происходит - одни лампы мерцают, сильнее, другие слабее, третьи - не мерцают вовсе.

В предыдущей статье я показал, как измерить пульсации ламп на нескольких примерах. Давайте попробуем разобраться, почему же так происходит - одни лампы мерцают, сильнее, другие слабее, третьи - не мерцают вовсе.

Начнём с того, что светодиод требуется питать стабилизированным током ! Поскольку у нас в сети напряжение меняется 50 раз в секунду от +310 до -310 и обратно, то, следовательно, требуется схема, которая будет из сетевого(которое ещё в добавок при плохом состоянии электросетей нестабилизированное) напряжения получать напряжение питания диодов. Я подобрал в Интернете несколько схем и сейчас разберу их для вас.

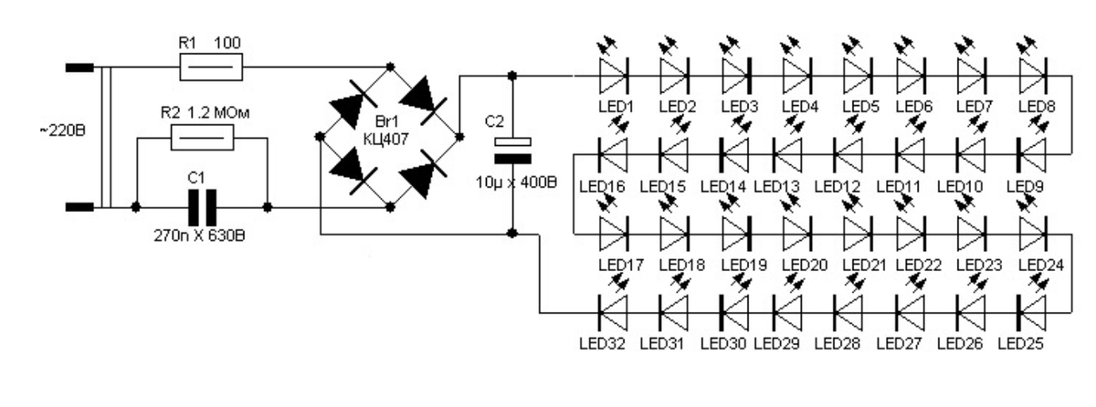
Сперва покажу простейшую схему, которая используется в самых дешевых лампах.

Примем во внимание, что в среднем на 1 белом светодиоде падает от 3 до 3.6 вольт(цифры примерные). Тогда получается, что данная цепочка из 25 светодиодов требует от 75 до 90 вольт. Но в сети после выпрямления на диодном мосте 310 вольт ! Где же оседает тот "излишек" напряжения сверх требуемого светодиодами ? На элементах R1 и С1. Одним резистором не обойтись - на нём будет выделяться несколько ватт тепла, а конденсатор на переменном токе тоже что-то вроде резистора и не имеет таких потерь. Резистор R2 нужен для разрядки конденсатора С1(чтобы лампочка не щипалась, если её выкрутить из патрона и взяться пальцами за цоколь), а C2 - сглаживает пульсации напряжения на диодах.

Данная схема лампы - полное "дно" и покупать такое - не уважать себя и своих близких. А всё почему:

1) стабилизации тока нет. А ведь у светодиода постоянная яркость только при постоянном токе. Падение напряжения на диоде может меняться от чего угодно - например, от температуры кристалла.

2) напряжение, а следовательно и ток диодов плавает вместе с изменениями напряжения сетевого

3) если китайцы сэкономят на конденсаторе C2 - лампа будет безбожно мерцать. Впрочем, она и без этого безбожно мерцает(схема не позволит сделать хорошее изделие)

4) как правило, данная схема применяется в самых дешевых лампах, собранных из самых дешевых комплектующих. Срок жизни такой лампы до отказа мал, а если сгорит хоть один диод - потухнет ВСЯ лампа.

Возьмем схему немного посложнее, с линейным стабилизатором тока:

-2

Здесь на элементах VT1, R1, DA1, R2 собран стабилизатор тока. Как он работает. Диодный мост выпрямляет переменный ток 220 вольт, при этом конденсатор С1 заряжается до примерно 300 вольт. Через резистор R1 начинает протекать базовый ток транзистора VT1 и он открывается, пропуская ток через светодиоды.

Когда ток через резистор достигает 45 мА, падение напряжения на нём составляет порядка 2.5 вольт, что открывает "управляемый стабилитрон" TL431(на схеме DA1). Сиё явление называется "отрицательная обратная связь" и суть в том, что в данной схеме всегда будет поддерживаться такое напряжение "база - эмиттер" транзистора, при котором ток через диоды будет постоянный, 45 миллиампер.

Светодиодов 90 штук, им надо где-то порядка 280 вольт. Куда девать лишние вольты ? Они будут выделяться в виде тепла на резисторе R2 и транзисторе VT1. На резисторе будет 0.1 Вт тепла, основной удар возьмет на себя транзистор, около 1 ватта.

Плюс данной схемы в том, что она линейна и пульсаций нет от слова совсем. Питаться может так же хоть постоянным током, хоть переменным, любой(в пределах разумного, да и в пределах быстродействия диодов диодного моста) частоты.

Минус - невысокий КПД.

Ну и последняя на сегодня схема - в этот раз драйвер будет импульсный:

-3

Обычно транзистор уже встроен в микросхему, но тут я взял схему с внешним транзистором, чтобы было проще объяснять. Здесь используется индуктивность, которая для тока играет роль некоего маховика. Ток в индуктивности не может мгновенно нарастать и так же не может мгновенно упасть.

Когда MOSFET ключ открыт, ток течёт по пути: положительный полюс диодного моста и конденсаторов C2, C_bulk - диоды LED(здесь для простоты они нарисованы, как 1 - на самом деле их сборка) - индуктивность L - ключевой транзистор - резистор R-sense - отрицательный полюс диодного моста и конденсаторов C2, C_bulk. Когда ключ закрывается - ток через светодиоды поддерживает запасённая в индуктивности энергия. При этом индуктивность "подключена" на светодиоды через диод VD.

Схема по падению напряжения на резисторе Rsense определяет средний ток индуктивности(а, соответственно, и диодов), и варьирует временем пребывания транзистора в открытом и закрытом состояниях. Этим и достигается стабилизация тока. Частота переключения при этом будет в килогерцах, например, в другой статье я её определял на примере лампы 7 ватт, там было 50 кГц.

Плюс схемы - КПД ! И относительная нетребовательность к питанию(так же, как и в предыдущей схеме)

Минус - пульсации остаются, но при грамотно спроектированной схеме ими можно пренебречь.

Вот так, галопом по Европам, я вкратце рассказал о типовых схемах LED-ламп. Теперь о вопросе, поднятом в предыдущей моей статье. Моё мнение - недостаточная ёмкость фильтрующего конденсатора(который стоит на выходе диодного моста) приводит к тому, что за время прохождения полуволны сетевой синусоиды, заблокированной диодом, он успевает разрядиться ниже, чем падение напряжения в цепи "диоды + стабилизирующий элемент". Ток начинает падать, яркость свечения диодов вместе с ним, ну а там и пульсация появляется.

Есть вопросы ? Смело в комментарии! И не забудьте подписаться на мой канал, у меня для вас припасено много чего интересного!

Например, я написал статью в продолжение данной темы, где подробно разобрал все нюансы работы на примере конкретной лампы.