Добавить в корзинуПозвонить
Найти в Дзене
Macai-avto

Срабатывает втягивающее (тяговое) реле стартера, но он не крутит

Cрабатывает втягивающее (тяговое) реле стартера, но он не крутит — часто встречающаяся неисправность. Разберем причины, диагностику, методы устранения этой неисправности.
На примере стартера автомобилей ВАЗ 2108, 21081, 21083, 2109, 21091, 21093, 21099.
Диагностика неисправности
При повороте ключа в замке зажигания в положение «стартер» происходит срабатывание втягивающего реле стартера, но
Оглавление

Cрабатывает втягивающее (тяговое) реле стартера, но он не крутит — часто встречающаяся неисправность. Разберем причины, диагностику, методы устранения этой неисправности.

На примере стартера автомобилей ВАЗ 2108, 21081, 21083, 2109, 21091, 21093, 21099.

Диагностика неисправности

При повороте ключа в замке зажигания в положение «стартер» происходит срабатывание втягивающего реле стартера, но стартер не крутит двигатель. Срабатывания могут быть частыми или, наоборот не частыми.

Причины неисправности

— Села аккумуляторная батарея, либо окислились ее выводы

— Плохая «масса» между кузовом и двигателем

— Неисправно втягивающее (тяговое) реле

Не замыкаются контакты внутри реле («пятаки»).

— Неисправен токоведущий провод к реле («обрыв», окислился наконечник)

— Неисправны щетки стартера (стерлись, зависли)

— Заклинил стартер

Методы устранения неисправности

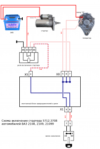
В первую очередь проверяем провода идущие к тяговому реле (от АКБ и от монтажного блока). Можно использовать схему подключения стартера.

Схема подключения стартера 5712.3708 автомобилей ВАЗ 21083, 21093, 21099
Схема подключения стартера 5712.3708 автомобилей ВАЗ 21083, 21093, 21099

Проверяем аккумуляторную батарею (степень заряда, окисление выводов).

Проверяем, что вышло из строя реле или стартер. Замыкаем отрезком провода или отверткой два контактных болта втягивающего реле и включаем стартер ключом зажигания. Если стартер сработал — неисправно втягивающее, если не сработал, неисправен сам стартер. Полностью установить причину можно после снятия стартера с двигателя.

Примечания и дополнения

— Помимо перечисленных выше проблем с электрикой по причине которых реле срабатывает, а стартер не крутит, возможно еще заклинивание помпы двигателя или самого двигателя. Нужно попытаться провернуть коленчатый вал (на ВАЗ 2108, 2109, 21099 отверткой за зубцы маховика в лючке картера сцепления).