Добавить в корзинуПозвонить
Найти в Дзене

Основные положения метода компонентных цепей

Среди существующих методов компьютерного моделирования особо выделяется метод компонентных цепей (МКЦ), предложенный доктором технических наук, профессором Томского государственного университета систем управления и радиоэлектроники (ТУСУР) Дмитриевым Вячеславом Михайловичем.
МКЦ, являясь универсальным методом компьютерного моделирования, позволяет представить в виде компонентной цепи физически

Среди существующих методов компьютерного моделирования особо выделяется метод компонентных цепей (МКЦ), предложенный доктором технических наук, профессором Томского государственного университета систем управления и радиоэлектроники (ТУСУР) Дмитриевым Вячеславом Михайловичем.

МКЦ, являясь универсальным методом компьютерного моделирования, позволяет представить в виде компонентной цепи физически неоднородный технический объект с информационными, энергетическими и неоднородными векторными связями или набор распределенных во времени действий и произвести его анализ в статическом или динамическом режиме.

Основные преимущества МКЦ перед другими методами компьютерного моделирования заключаются в том, что:

  1. МКЦ является объектно-ориентированным языком для моделирования сложных технических устройств и систем с энергетическими, информационными и неоднородными векторными потоками в связях.
  2. Компоненты моделируемых с его помощью систем могут иметь различную физическую природу (электроника, мехатроника, робототехника, химические технологии и т.д.) и входить в единую модель исследуемой системы.
  3. Исследуемый объект представляется в форме компонентной цепи, модель которой строится из моделей независимых компонентов.
  4. Модель компонента формируется автоматически с учетом четырех основных аспектов – геометрического, топологического, физического, математического (логического) – и представляет собой систему алгебро-дифференциальных уравнений в обыкновенных или частных производных. Допускаются модели, содержащие логические соотношения или алгоритмические блоки.
  5. Для объектов с функционально обособленными подсистемами введено понятие подцепи – структуры, допускающей автономное решение. Здесь четко разделяются непрерывные (уравнения) и дискретные (алгоритмы) процессы.
  6. Форма уравнений компонентной цепи и ее топологическая структура могут меняться в зависимости от поведения переменных или наступления определенных событий.

Компонентная цепь (КЦ) определяется как совокупность объектов:

C = (K, B, N),

где:

K – множество компонентов КЦ;

B – множество ветвей КЦ;

N – множество узлов КЦ.

Множество компонентов К, в общем случае, имеет три подмножества:

K = {Kw, Kp, Kz},

где:

Kw – компоненты-источники энергии или сигналов;

Kp – компоненты-преобразователи энергии или сигналов;

Kz– компоненты-измерители энергии или сигналов.

Компонент в формализме МКЦ описывается своей математической или имитационной моделью. Механические, электрические, электромеханические, математические и другие компоненты с сосредоточенными параметрами описываются математическими моделями следующих типов: линейными и нелинейными моделями, моделями инерционных компонентов и источников. Компоненты информационных систем описываются имитационными – алгоритмическими и информационными моделями.

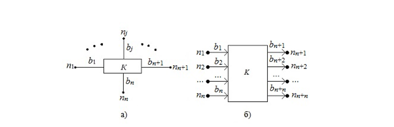
Формальное представление компонента в МКЦ: а) обобщенное, б) информационно-ориентированное
Формальное представление компонента в МКЦ: а) обобщенное, б) информационно-ориентированное

Любой компонент может иметь произвольное число связей (см. рис), каждая из которых может быть одного из трех типов: элементарной, информационной или векторной. Каждой элементарной связи соответствует пара топологических координат (узел и ветвь) с соответствующими переменными (потенциальной и потоковой). Каждой информационной связи ставится одна топологическая координата – узел – с потенциальной переменной. Любая векторная связь представляет собой произвольную совокупность элементарных и информационных связей.

Компьютерная модель компонента реализуется на основе четырех аспектов:

  • G – геометрического аспекта, включающего в себя условное графическое и (или) буквенное обозначение компонента на принципиальных, структурных и технологических схемах, а также правила отображения результатов.
  • T – топологического аспекта, определяющего количество и типы всех связей компонента, их ориентацию и совокупность переменных, принадлежащих каждой из связей. В зависимости от вида и объекта моделирования вводятся математический, имитационный и визуальный тип моделирования;
  • F – физического аспекта, описывающего физические процессы, протекающие в компоненте и определяющие его свойства (атрибуты A) и их числовые значения (параметры P), участвующие в описании физического процесса при различных степенях его детализации;
  • M – математического аспекта, как математического описания процессов в компоненте в форме математической модели Mm. Математическая модель компонента формируется в локальном координатном базисе на основе уравнений, записанных относительно переменных его связей в физическом координатном базисе.

Формирование математической модели КЦ производится автоматически универсальным вычислительным ядром путем опроса топологического и математического аспектов компонентов, на основе двух узловых топологических законов:

  1. Закона равенства потенциальных переменных всех связей, входящих в один и тот же узел.
  2. Закона равенства нулю суммы потоковых переменных всех связей, входящих в один узел.

Математические модели компонентов описываются линейными и нелинейными алгебраическими, а также дифференциальными уравнениями. В зависимости от вида математических моделей компонентов, то есть от класса уравнения, которыми они описываются, в рамках универсального вычислительного ядра реализованы следующие режимы анализа КЦ объекта:

  • статика – анализ объекта при постоянных входных воздействиях;
  • динамика – анализ объекта во временной области при переменных входных воздействиях различной формы;
  • анализ объекта в частотной области, позволяющий строить их основные частотные характеристики.

Все компоненты, реализуемые с помощью МКЦ, могут располагаться на одном из слоёв (объектном, логическом или визуальном) многоуровневого редактора системы компьютерного моделирования «МАРС».

Более подробно про систему "МАРС" я расскажу Вам в следующий раз. А чтобы не пропустить новые статьи, не забудьте подписаться на мой канал!