Найти в Дзене
КВ аппаратура

Простой индикатор обрыва предохранителя

Достаточно часто возникает потребность обнаруживать обрыв плавкого предохранителя и сообщать об этом потребителю. В статье представлен простейший способ решения этой задачи с помощью визуализации обрыва предохранителя светодиодом.

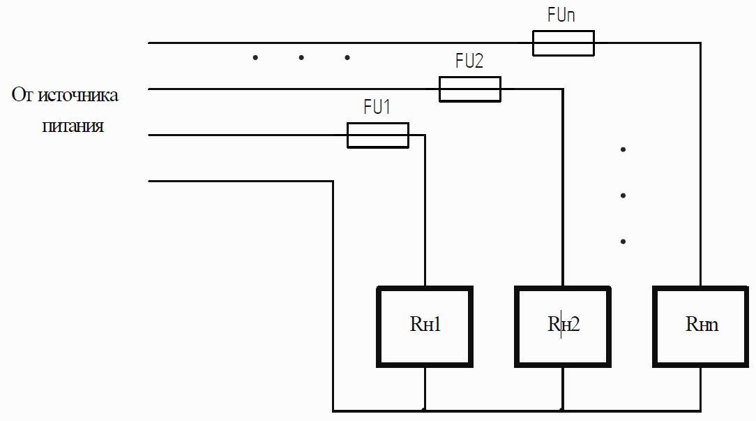
Схему питания сложной радиоаппаратуры (РЭА) можно представить совокупностью нагрузок, подключённых к различным источникам энергии (рисунок 1). На схеме потребители, входящие в состав РЭА обозначены как . Потребители получают энергию по разделенным цепям питания, каждая из которых защищена плавким предохранителем FU.

Рисунок 1 - Подключение нагрузок к источнику питания через плавкие предохранители
Рисунок 1 - Подключение нагрузок к источнику питания через плавкие предохранители

Подобное разделение цепей питания часто встречается в аппаратуре, содержащей одновременно силовые и малосигнальные элементы, питающиеся от источников разной мощности. Например, в бытовых усилителях низкой частоты, как правило, входной каскад питается напряжением до 15 В. и потребляет ток до 100 мА, одновременно выходной каскад требует напряжение до 100 В. и потребляет ток, измеряемый единицами ампер. Нередки отказы подобного оборудования, особенно отказы в оконечных цепях, т.к. они являются наиболее нагруженными по электрическим и тепловым параметрам. В связи с этим не теряет актуальности вопрос организации эффективной диагностики отказов в цепях питания РЭА.

Само понятие диагностики имеет достаточно широкую трактовку. Для технических систем можно считать, что диагностика – это процесс определения отказа, то есть заключение о сущности отказа и состоянии диагностируемой системы. Также диагностику в технических системах можно считать областью знаний, включающую в себя сведения о методах и средствах оценки технического состояния машин, механизмов, оборудования, конструкций и других технических объектов [1].

Как отмечалось выше, частым отказом в РЭА является пробой силовых элементов, при котором происходит замыкание их электродов. Вследствие такого пробоя сопротивление Rн становится недопустимо малым, что приводит к обрыву нити предохранителя FU, установленного в цепи питания.

Для диагностики подобных отказов предлагается использовать известную схему индикации обрыва предохранителя. Пример простейшего варианта такой схемы показан на рисунке 2.

Рисунок 2 – Схема индикатора обрыва предохранителя
Рисунок 2 – Схема индикатора обрыва предохранителя

Благодаря наличию светодиода HL, схема позволяет визуализировать обрыв предохранителя вызванный замыканием цепи питания Rн, или завышенным током потребления самим потребителем Rн. Схема работает следующим образом, в нормальном режиме работы ток от источника питания течёт по цепи точка А -> FU -> т.В Rн -> т.Г Rн ->т.Б. После обрыва предохранителя когда сопротивление между т.В и т.Г стремится к нулю, ток потечёт по следующей цепи: т.А -> HL -> R -> т.В Rн ->т.Г Rн -> т.Б. Одновременно будет наблюдаться свечение HL, и соответственно произойдёт визуализация обрыва предохранителя FU.

Номинал R следует выбирать для худшего случая, когда Rн =0 Ом, тогда

-3

-4

Из из формулы (1) хорошо видно, что схема будет корректно индицировать отказ только при верности соотношения:

-5
-6

Если же соотношение (2) не соблюдается, то через HL будет протекать прямой ток:

-7

Этот ток уже не вызовет свечение светодиода. Однако не всегда при выходе из строя тех или иных внутренних цепей , её внутренне сопротивление со стороны источника питания будет стремиться к нулю.

Улучшить работу схемы рис.2 можно с помощью оценки диапазона внутреннего сопротивления при котором будет наблюдаться свечение HL. Для данной схемы этот диапазон условно назовём “рабочим”. После оценки рабочего диапазона понадобится и коррекция соотношения (1).

Для решения поставленной выше задачи уточним границы для Iпр HL – это диапазон токов равен:

-8

Для граничных значений R примет вид:

-9

Приняв нижнюю границу = 0 Ом, тогда максимальное внутреннее сопротивление, Rн.макс при котором будет наблюдаться свечение HL определяется по формуле:

-10

Отсюда, рабочим диапазоном внутреннего сопротивления нагрузки после отказа, можно считать диапазон от =0 Ом до Rн.макс

Зная рабочий диапазон можно скорректировать формулу (1). Фактически значение R=R’’т.е.:

-11

Разработана методика уточнения номинала ограничительного резистора для схемы индикации обрыва предохранителя (рисунок 1). Расчёт номинального сопротивления R по формуле (6) позволяет добиться индикации обрыва нити плавкого предохранителя в максимальном диапазоне внутреннего сопротивления Rн.

#предохранитель #обрыв #плавкий