Найти в Дзене
Записки крутилкина

Включаем люминесцентную лампу от 12В с помощью ТВС110ЛА

Запускает лампу без предварительно разогрева

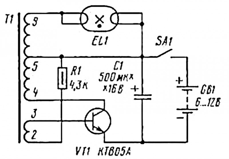
Не смотря на обилие светодиодных светильников, люминесцентные лампы низкого давления все еще продолжают использоваться в освещении разных помещений. Долговечные, стоят недорого. Они как правило работают от электросети. Но есть схемы, способные запитать такие лампы от 12 В автомобильного аккумулятора, что удобно на пикнике в палатке или на неэлектрифицированной даче.  Самая простая в сборке схема с применением трансформатора от старого лампового телевизора ТВС110ЛА.

 схема
схема

Хранятся такие еще в закромах родины после разборки телевизоров .Если, конечно, не сданы на цветмет.

 ТВС110ЛА со стороны панели для кенотрона
ТВС110ЛА со стороны панели для кенотрона
 ТВС110ЛА со стороны обмоток
ТВС110ЛА со стороны обмоток

Чтобы использовать его для питания лампы, нужно удалить высоковольтную обмотку находящуюся в пластмассовом корпусе. Делается это путем разборки ферритового магнитопровода или просто срезается корпус и убирается обмотка. Я выбрал второй вариант. Так не повреждается магнитопровод. Транзистор КТ805БМ установил на радиатор. Конденсатор и резистор припаял навесным монтажом.

 спаяны детали
спаяны детали

На схеме указано сопротивление 4,3 кОма. С ним в моем случае лампа едва светилась и потребляла меньше 100 мА при работе от 12В. Трансформатор сильно пищал. Опытным путем подобрал резистор 1 кОм. При таком сопротивлении советская лампа 20 Вт светит ярче и установка потребляет ток 1,2А. Транзистор не сильно нагревается. К лампе устройство подключается 2 проводами. Спирали в патронах закорочены.

 маркировка лампы
маркировка лампы
 собранная установка
собранная установка
 работает от аккумулятора 12В 7А/ч
работает от аккумулятора 12В 7А/ч

Напряжение на лампу подается больше 1000 В. Прибор зашкалил. Соблюдайте меры предосторожности при работе с высоким напряжением!

Спасибо за внимание!