Добавить в корзинуПозвонить
Найти в Дзене
Дмитрий Компанец

Рассказываю как сделать ГРОМКИЙ ЗВУКОУСИЛИТЕЛЬ из ОПТРОНА ⚒️ Своими Руками !

Как сделать из оптопары усиливающий элемент
Усилитель звуковой частоты Запросто и без традиционных Транзисторов!
В качестве модуля усиления звуковых частот в этот раз я использовал оптическую микросхему называемую Оптопара или Оптрон.
В традиции оптроны используются для гальванической, емкостной и магнитной развязки каскадов ключей или усиления.
Как сделать из оптопары усиливающий  элемент
Как сделать из оптопары усиливающий элемент

Усилитель звуковой частоты Запросто и без традиционных Транзисторов!

В качестве модуля усиления звуковых частот в этот раз я использовал оптическую микросхему называемую Оптопара или Оптрон.
В традиции оптроны используются для гальванической, емкостной и магнитной развязки каскадов ключей или усиления.

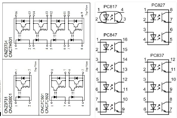
Разные виды оптронов
Разные виды оптронов

Состоят эти модули обычно из пары электронных полупроводниковых приборов: Светодиода с максимальной светоотдачей в спектральном диапазоне чувствительности фотодатчика и Фототранзистора.

Оптопара с усилением по току
Оптопара с усилением по току

Ряд оптронов содержит в качестве свето-принимающего элемента фотодиоды и фототиристоры, а некоторые и вовсе содержат не только фотоприемник а и усилитель на дополнительном транзисторе.

Именно из оптрона со сдвоенным транзистором я и построил схему заменяющую традиционные усилители на микросхемах и транзисторах.

Усилитель из оптопары всего из ничего
Усилитель из оптопары всего из ничего

По мощности такой усилитель слаб - токи через транзисторы могут достигать 150 мА а рассеиваемая корпусом мощность не более 200 мВт, но этой мощности вполне достаточно чтобы слушать и довольно громко музыку от любых источников сигнала.

Комплект усиления звука в сборе , не хватает только стакана
Комплект усиления звука в сборе , не хватает только стакана

Для простого по схеме усилителя звук и громкость очень даже ничего. А для улучшения звука можно использовать стеклянный пустой стакан , накрыв им звучащий динамик.

Послушать как поет и играет оптрон вы можете в этом видео

#УсмлительИзОптрона #ОптопараУсилительЗвука #ПростойИгромкийУЗЧизОптрона