Добавить в корзинуПозвонить
Найти в Дзене
Благоустройство.рф

Сколько стоит построить фундамент?Смета на материал+работа.Проект в подарок // Благоустройство.рф

В статье описано исполнение части проекта строительства фундамента монолитная плита.Меня зовут Илья, я инженер-строитель и исполнитель данного проекта.
строительство фундамента
Тех.задание:
разметка пятна застройки,вынос осей в натуру,определение нулевой точки строительства;
Оглавление

В статье описано исполнение части проекта строительства фундамента монолитная плита.Меня зовут Илья, я инженер-строитель и исполнитель данного проекта.

строительство фундамента
строительство фундамента

Тех.задание:

  1. разметка пятна застройки,вынос осей в натуру,определение нулевой точки строительства;
  2. выемка грунта механизированным способом с ручной доработкой;
  3. устройство основания фундамента;
  4. укладка профилированной мембраны;
  5. изготовление и монтаж опалубки;
  6. монтаж армокаркаса фундамента;
  7. монтаж выпусков несущих стен под ребро жесткости;
  8. укладка бетонной смеси;
  9. уход за бетоном;
  10. демонтаж опалубки;

Этап первый: разметка пятна застройки и выемка грунта

В самом начале строительства важно изучить проект,заранее спланировать пути подъезда строительной техники,определить места складирования и бережного хранения материала.

Далее идет разметка пятна застройки и определение нулевой точки строительства. Ноль обычно бывает высота пола первого этажа. На практике репер строительства определяется по месту.

После идет выемка грунта котлована.

Важно заранее решить, что делать и куда девать вынутый грунт!
Помните,что вынутый грунт имеет коэффициент рыхления!
план фундамента
план фундамента

Этап два: устройство основания фундамента

Для подготовки основания проектом заложено использование песка средней крупности, с послойным уплотнением до коэф. 0.94.

Перед засыпкой песка обязательно, на дно котлована, укладывается геотекстиль.

Далее идет послойная трамбовка до проектной плотности, которая проверяется плотномером как на видео ниже:

Этап три: монтаж профилированной мембраны,монтаж опалубки и армокаркаса

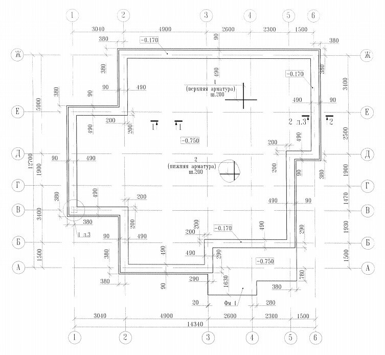
разрез фундамента
разрез фундамента

Как видно на рисунке выше, изначально проектом было заложено устройство бетонной подготовки и гидроизоляция, но по инициативе заказчика проект был изменен и вместо этого была уложена профилированная мембрана.

Далее по периметру была смонтирована опалубка. Для ее изготовления была использована доска осина 150*50*6000 и 200*50*6000мм.

Для изготовления армокаркаса применялась рабочая арматура Ф16А500С в два слоя ячейкой 200мм.

Для конструктивных элементов арматура Ф8А500С.

Так же для устройства будущих ребер жесткости вверх были смонтированы арматурные выпуска из конструктивной арматуры Ф8А500С.

Этап четыре: укладка бетонной смеси

После того как проверены проектные размеры геометрических параметров фундамента, выставлены маяки и проверен крепеж опалубки, можно приступать к заливке бетона.

Следует заранее подготовить необходимы инструмент:

  • вибратор;
  • лопаты;
  • мастерки;
  • кувалду;
  • пленку (на случай дождя);
  • терки для выравнивания бетона;
  • формы кубиков для отбора образцов для испытаний;

Так же позаботьтесь о средствах защиты глаз и рук.

Заливка бетона производиться непрерывно с помощью бетононасоса.

Как и ранее, напоминаю Вам, что бетон нужно заказывать самому на бетонном заводе, предварительно убедившись в его существовании и качестве продукции.

Читайте мою статью о том "Как правильно покупать бетон".

Бетононасос ставиться так, что бы его рукав доставал до дальнего угла фундамента и бетонные миксеры могли свободно подъехать к его лотку и выгрузить бетон.

На данный фундамент ушло 62м3 бетона В22.5 М300.

Смотрите видео с подробным описанием строительства этого фундамент:

Монолитная плита это только часть выполнения данного проекта, следите за публикациями, подписывайтесь на канал и ставьте лайки и Вы будете в курсе дальнейших работ!

Как и обещал ниже ссылка на скачивание сметы и проект строительства этого дома:

"Смета фундамента материал+работа"

"Проект строительства дома"

Смета на строительство фундамента
Смета на строительство фундамента

Всем спасибо!

Если хотите узнать больше о загородном строительстве, то переходите на канал ютюб благоустройство.рф или посетите сайт благоустройство.рф.

Удачной стройки🤞