Найти в Дзене
Старый радиолюбитель

Пироэлектрические ИК - датчики.

В этой статье речь пойдет о инфракрасных пироэлектрических датчиках, их достоинствах и недостатках, о их применении.

Сначала о самом явлении - пироэлектрическом эффекте, который и используется в этом типе датчиков. Пироэлектрическим эффектом обладают кристаллы диэлектриков. Природными кристаллами, обладающими этим эффектом, являются турмалин и янтарь, а синтетическими, использующимися в электронике, титанат бария, титанат свинца и цирконат свинца.

Все эти кристаллы обладают спонтанной поляризацией, т.е. возникновением доменов, в которых электрическое поле направлено по разному. Обычно спонтанная поляризация пироэлектриков незаметна, так как электрическое поле, создаваемое ею, компенсируется полем свободных электрических зарядов, которые «натекают» на поверхность из его объёма и из окружающего воздуха. При изменении температуры величина спонтанной поляризации изменяется, что вызывает появление электрического поля, которое можно наблюдать, пока свободные заряды не успеют его скомпенсировать.

Сразу можно сказать, что раз все дело связано с изменением электрического поля, то чтобы зарегистрировать эти изменения понадобиться прибор с очень высоким входным сопротивлением, например полевой транзистор. Какой же он, пиродатчик. У меня завалялось с десяток датчиков типа RE200B, которые мы использовали с ребятами для экспериментов.

Рис. 1. Пироэлектрические датчики RE200B.
Рис. 1. Пироэлектрические датчики RE200B.

Что же там, внутри?

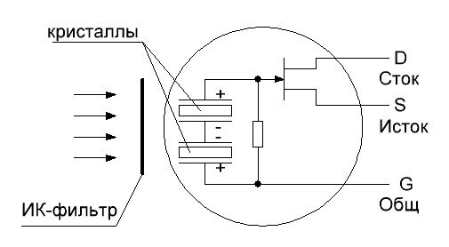
Рис. 2. Схема устройства пироэлектрического датчика.
Рис. 2. Схема устройства пироэлектрического датчика.

Темны ик-фильтр защищает кристаллы от засветки видимым светом. Внутри корпуса находятся два кристалла, включенных встречно друг-другу. Такое включение кристаллов позволяет еще более уменьшить влияние постоянного фонового излучения (например , медленное изменение температуры). Резистор в цепи затвора нужен для стекания зарядов с кристаллов.

Посмотрим, как это работает, собрав несложную схему.

Рис. 3. Подключение  датчика.
Рис. 3. Подключение датчика.

Питание пироэлектрических датчиков должно осуществляться от стабилизированного источника питания с напряжением, как правило, от 3--х до 12-ти В. После подключения через некоторое время вольтметр (высокоомный) покажет напряжение в районе 0,6 В (зависит от напряжения питания, окружающей температуры и типа датчика). Если поднести к датчику руку, то напряжение на выходе упадет, но затем постепенно вернется к исходному значению. Если теперь убрать руку, то напряжение возрастает, а затем опять нормализуется.

Пироэлектрические датчики инерционны - изменения происходят с частотой в районе единиц Герц. Это позволяет еще больше защитить датчик от посторонних воздействий, установив ФНЧ с частотой среза 10 Гц. Сигнал датчика мал (при больших удалениях), поэтому требуется усилитель постоянного тока с усилением порядка 70 дБ. А чтобы получить на выходе логические уровни за усилителем должен стоять триггер Шмитта.

Как ни странно, самым трудно доставаемым элементом датчика движения с использованием пироэлектрических датчиков , является простенькая деталь из пластика, которая называется линзой Френеля. Чувствительность с этой линзой увеличивается в десятки раз.

Рис. 4. Преобразование сферической линзы (слева) в линзу Френеля (справа).
Рис. 4. Преобразование сферической линзы (слева) в линзу Френеля (справа).

Спрашивается, зачем портить сферическую линзу? Все просто, пироэлектрический датчик реагирует на перепад интенсивности излучения, а не на ее абсолютную величину. Поэтому движение в поле линзы Френеля разбиваются на отдельные участки с перепадом интенсивности.

Для датчиков движения с углом охвата по горизонтали 360 град. используют полусферические линзы Френеля.

Рис. 5. Полусферическая линза Френеля для датчика движения.
Рис. 5. Полусферическая линза Френеля для датчика движения.

То, что изображено на рис. 5. является совокупностью линз Френеля, расположенных в виде полусферы. Покрупнее это выглядит так:

Рис. 6. Шестигранные лизы  Френеля на сферической поверхности.
Рис. 6. Шестигранные лизы Френеля на сферической поверхности.

Как ни странно, на Али я нашел только одно предложение - 20 шт. за 350руб., вроде копейки, но доставка еще 350. Но на Alibaba.com - по 7 руб/шт, но партия не меньше 100 шт.

Честно говоря, не знаю, стоит ли самому делать датчик движения, или приобрести готовый. Я пару лет тому назад, увидев эдакое чудо, купил и доволен. Это очень распространенный сейчас и позиционируемый, как примочка к Ардуино, датчик типа HC-SR501

Рис. 7. Датчик движения типа HC-SR501
Рис. 7. Датчик движения типа HC-SR501

Вот его основные параметры.

-8

Как видите, широкий диапазон питающих напряжений и очень маленький ток потребления - 50 мкА. Выход - логический, совместимый с 3,3 Вольтовой логикой (да и с КМОП при ее питании от 5 В тоже пойдет). Единственный недостаток - малый выходной ток, поэтому требует или подключения КМОП - логики, или установки истокового повторителя.

Рис.7. Датчик движения со снятой линзой Френеля.
Рис.7. Датчик движения со снятой линзой Френеля.

Что очень удобно, блок имеет регулировку времени выдержки включения - ди нескольких минут, и чувствительности. Есть еще задержка нового срабатывания после первого срабатывания. Т.е. если датчик сработал, то он теряет чувствительность на 2,5 с. И еще, если датчик сработал и идет период выдержки, то при срабатывании в этот период выдержка начинает отсчитываться сначала.

Рис. 8. Датчик движения со стороны деталей.
Рис. 8. Датчик движения со стороны деталей.

Датчик очень удобен в тех местах, где во время пребывания человека тот двигается. А вот в туалете и в ванне он не очень удобен. Когда сидишь на унитазе и читаешь газету, время от времени приходится помахивать рукой, чтобы свет не погас :). Еще хуже, когда моешься в ванне.

У меня я такой датчик поставил в коридоре и для подсветки лестницы на второй этаж. Очень удобно.

Такие датчики движения очень хороши и для сигнализации, так как они работают в пассивном режиме и их нельзя обнаружить с помощью камеры смартфона, как те, которые работают в активном режиме (светодиод - фотодиод).

Всем здоровья и удачи!