Найти в Дзене
HamRadio

Преобразователи напряжения на MC34063

Вид платы в сборе
Вид платы в сборе

Всем здравствуйте. Преобразователи напряжения являются одной из самых популярной тем, но для реализации в любительских условиях представленные простые схемы. Причина в том, что для изменения напряжения необходимы трансформаторы, обычно высокочастотные. Следующие предложенные схемы представляют собой пару инверторов, один из которых на маленький ток потребления другой по мощней.

Преобразователи постоянного напряжения входят в число схем, которые очень часто требуются в электронике. Смысл понижающих преобразователей относительно ясен и прост, их цель — снизить высокое входное напряжение до требуемого более низкого значения. Однако по сравнению, например, с линейными стабилизаторами, инверторы имеют огромное преимущество в значительно более высоком КПД, который может достигать 95%.

В случае линейных стабилизаторов эффективность определяется только соотношением входного и выходного напряжения в зависимости от протекающего тока. Все потери мощности в этом случае полностью бесполезно используются на нагрев (что, помимо прочего, влечет за собой необходимость охлаждения).

Однако они используются не очень часто, и необходимость в их возникает особенно в маломощных устройствах, где симметричный источник питания был бы слишком непрактичным. При низком входном напряжении они могут вырабатывать напряжения в несколько раз выше. В отличие от линейных регуляторов, инверторы представляют собой импульсные источники напряжения, которые необходимо тщательно фильтровать.

Простая потребность в качественной фильтрации влечет за собой сложную задачу в виде получения или изготовления качественной катушки фильтра. В случае повышающих преобразователей очень часто возникает потребность в ферритовых трансформаторах или, по крайней мере, высококачественных индуктивностях, на которых можно было бы повысить напряжение.

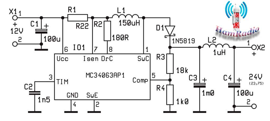
Схемы которые показаны в этой статье представляют собой простые повышающие преобразователи напряжения с КПД около 70% на основе микросхемы MC34063, разработанной специально для использования в преобразователях постоянного тока и требующей лишь минимального количества внешних компонентов. Более простой вариант — это преобразователь 12В в 24В с максимальным выходным током 100 мА.

Преобразователь с выходным током 100мА
Преобразователь с выходным током 100мА
Расположение компонентов размер платы 40x40
Расположение компонентов размер платы 40x40

Разводка печатной платы на 100мА
Разводка печатной платы на 100мА

Второй вариант, оснащенный транзистором, обеспечивает нагрузку током до 1,5А.

Преобразователь 1,5А
Преобразователь 1,5А

Расположение компонентов на 1.5А размер платы 55x55
Расположение компонентов на 1.5А размер платы 55x55

Разводка печатной платы на 1.5А
Разводка печатной платы на 1.5А

MC34063A интегральная микросхема достаточно давно на рынке и содержит внутренний источник опорного напряжения (с точностью до 2%), компаратор для обратной связи по напряжению, внутренний генератор с возможностью создания токовой защиты.

Частота генератора задается синхронизирующим конденсатором, подключенным к входу TIM. Токовая защита, обычно простой резистор, на котором происходит требуемое падение напряжения из-за протекающего тока, подключается между входным напряжением и клеммой Isen. Затем инвертор генерирует необходимые импульсы для возбуждения выходного транзистора в зависимости от информации о выходном напряжении и протекающем токе.

В случае обеих схем входное напряжение подается на разъем X1. Далее следует основная фильтрация в виде электролитического конденсатора С1 и самого инвертора с его цепями. В нашем случае конденсатор C2 имеют значение 1n5, что соответствует частоте генератора около 30 кГц. Токовое сопротивление R1 на мощность 2 Вт.

В случае более мощной схемы внутренний транзистор дополняется силовым транзистором T1, что обеспечивает быстрый разряд индуктивности без ущерба для самой микросхемы. Далее следуют выпрямительные диоды D1 и фильтр, обвязанный конденсаторами C3 и C4 и дроссель L2. Обратная связь реализована резистивным делителем R3, R4 или R4, R5 соответственно, коэффициент деления которого определяет нужное выходное напряжение. Затем нагрузка подключается к разъему X2.

Оба преобразователя размещены на односторонних печатных платах, а их сборку и базовый ремонт может выполнить даже начинающий любитель вид и расположение компонентов на печатной плате приведены на рисунках в статье. При желании и многие так говорят, зачем себя утруждать, а можно просто купить готовые преобразователи напряжения вот приведу примеры.

В случае преобразователя на ток 1,5А силовой транзистор Т1 необходимо установить на подходящий радиатор. После монтажа и тщательного осмотра на возможные ошибки подключите напряжение питания ко входу и проверьте с помощью вольтметра на выходе, есть ли необходимое напряжение. Из-за импульсного режима работы выход должен быть постоянно нагружен током не менее 5 мА, чтобы избежать чрезмерного насыщения дросселей. Вот такие простые, но рабочие схемы.

Да и для некоторых скептиков сразу стоит оговориться, в курсе что есть множество других современных ШИМ контроллеров и в будущем про них тоже будут небольшие статьи. Всем удачи.

-8