Добавить в корзинуПозвонить
Найти в Дзене
Виктор Сочи

ИНДИКАТОР УРОВНЯ топлива из термостата W1209, в баке автомобиля или любой другой ёмкости

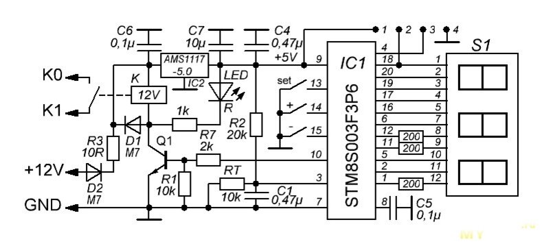
Если посмотреть на схему, можно понять, что термореле может отображать данные любого резистивного датчика, даже без перепрошивки Необходимо лишь подогнать сопротивление R2 под нужные показатели или собрать не сложную согласующую плату. Различных доработок можно сделать очень много, в этом альбоме показано множество таких доработок https://www.youtube.com/playlist?list=PLEjeill4kSLuAqFjbIP2RPP2cR8yLbH9- Сейчас рассмотрим одну из них, но хочу предупредить, что Любое вмешательство в конструкцию автомобиля, может привести к непредсказуемым последствиям !!! На схеме показано как можно подключить датчик уровня топлива автомобиля и подстроить под любой объём. Подробнее показывается на этом видео И ещё есть одно дополнительное Вот так можно поменять показания температуры на литры. Много видео про электронику, различные доработки и подробные обзоры, приглашаю на мой ютуб канал «Виктор Сочи» -https://youtube.com/c/ВикторСочи Пожалуйста переходите, смотрите, пишите в комментариях пожелания, доп

Если посмотреть на схему, можно понять, что термореле может отображать данные любого резистивного датчика, даже без перепрошивки

W1209
W1209

Необходимо лишь подогнать сопротивление R2 под нужные показатели или собрать не сложную согласующую плату. Различных доработок можно сделать очень много, в этом альбоме показано множество таких доработок https://www.youtube.com/playlist?list=PLEjeill4kSLuAqFjbIP2RPP2cR8yLbH9-

Сейчас рассмотрим одну из них, но хочу предупредить, что

Любое вмешательство в конструкцию автомобиля, может привести к непредсказуемым последствиям !!!

-3

На схеме показано как можно подключить датчик уровня топлива автомобиля и подстроить под любой объём. Подробнее показывается на этом видео

И ещё есть одно дополнительное

Вот так можно поменять показания температуры на литры.

Много видео про электронику, различные доработки и подробные обзоры, приглашаю на мой ютуб канал «Виктор Сочи» -https://youtube.com/c/ВикторСочи Пожалуйста переходите, смотрите, пишите в комментариях пожелания, дополнения и замечания, подписывайтесь на будущие видео. Буду рад новым зрителям.

термостат W1209 - https://ali.click/7yepx9?erid=2SDnjeU3WHv
Разные датчики -
https://ali.click/5vdpxo?erid=2SDnjckgzV6
Готовый CO датчик угарного газа -
https://ali.click/z1dpxv?erid=2SDnje1K3NG
Реклама: ООО "АЛИБАБА.КОМ (РУ)" ИНН: 7703380158

Спасибо за участие и просмотр.