Добавить в корзинуПозвонить
Найти в Дзене

Гибкий фундамент для деревянного, каркасного дома или бани

Правильный фундамент для деревянного, каркасного дома или бани из бруса, бревна или СИП (SIP) панелей Результаты голосования на сайте показывают, что примерно 27% читателей строят дома из легких строительных конструкций – деревянные из бревна или бруса, каркасные или каркасно-панельные, например, из СИП (SIP) панелей. Не ошибусь, если напишу, что подавляющее большинство бань строится деревянными, из бревна или бруса. В отношении фундаментов такие здания характеризуются одним общим свойством – нагрузка, передаваемая на фундамент, и далее на грунт основания, мала, по сравнению с домами с каменными стенами и железобетонными перекрытиями. При конструировании фундаментов также учитывают другие особенности этих зданий. Дешевый фундамент должен быть гибким Следует понимать, что при конструировании фундамента не ставится задача сделать его абсолютно жестким. Чтобы сделать это потребовались бы непомерные размеры фундамента и огромные расходы на его сооружение. Например, железобетонная Останк
Оглавление

Правильный фундамент для деревянного, каркасного дома или бани из бруса, бревна или СИП (SIP) панелей

Результаты голосования на сайте показывают, что примерно 27% читателей строят дома из легких строительных конструкций – деревянные из бревна или бруса, каркасные или каркасно-панельные, например, из СИП (SIP) панелей.

Не ошибусь, если напишу, что подавляющее большинство бань строится деревянными, из бревна или бруса.

В отношении фундаментов такие здания характеризуются одним общим свойством – нагрузка, передаваемая на фундамент, и далее на грунт основания, мала, по сравнению с домами с каменными стенами и железобетонными перекрытиями.

При конструировании фундаментов также учитывают другие особенности этих зданий.

Дешевый фундамент должен быть гибким

Следует понимать, что при конструировании фундамента не ставится задача сделать его абсолютно жестким. Чтобы сделать это потребовались бы непомерные размеры фундамента и огромные расходы на его сооружение.

Например, железобетонная Останкинская телебашня изгибается так, что верхушка башни колеблется с амплитудой в десяток метров без всякого вреда для себя. Если бы конструкторы захотели сделать башню максимально жесткой, то потребовалось бы израсходовать в тысячи раз больше бетона, стали и денег.

При расчетах фундамента обязательно учитывают способность коробки дома, включая фундамент, быть гибкой, то есть менять форму и положение в пространстве в некоторых пределах без вреда для конструкций дома. Дом способен в определенных пределах подстраиваться под неравномерные деформации грунта.

В меру гибкий фундамент – это самая экономная конструкция фундамента.

Неравномерным деформациям грунта оказывает сопротивление весь силовой каркас здания – против деформаций совместно действуют фундамент, стены и перекрытия. Поэтому, степень гибкости (или жесткости) фундамента подбирают так, чтобы отдельные элементы и в целом  здание не испытывало разрушающих деформаций, но изгибалось бы в допустимых пределах.

Деревянные, каркасные и щитовые здания менее чувствительны к деформациям и могут иметь более гибкий фундамент, чем каменные.

Однако, у каркасных и щитовых домов пространственная жесткость стен все же значительно меньше, чем у домов из бревна или бруса. По этой причине, для обеспечения требуемой жесткости силового каркаса дома, пространственная жесткость фундаментов каркасных и щитовых домов должна быть выше, чем фундаментов деревянных срубов.

Сравнительно небольшой вес рассматриваемых зданий позволяет возводить их на фундаментах с ограниченной площадью опоры на грунт. Это, прежде всего, столбчатые фундаменты, а также свайные фундаменты из буронабивных свай (в т.ч. ТИСЭ) или винтовых свай.

Столбчатый фундамент является самым экономным из всех фундаментов, применяемых в частном домостроении.

Столбчатый фундамент своими руками

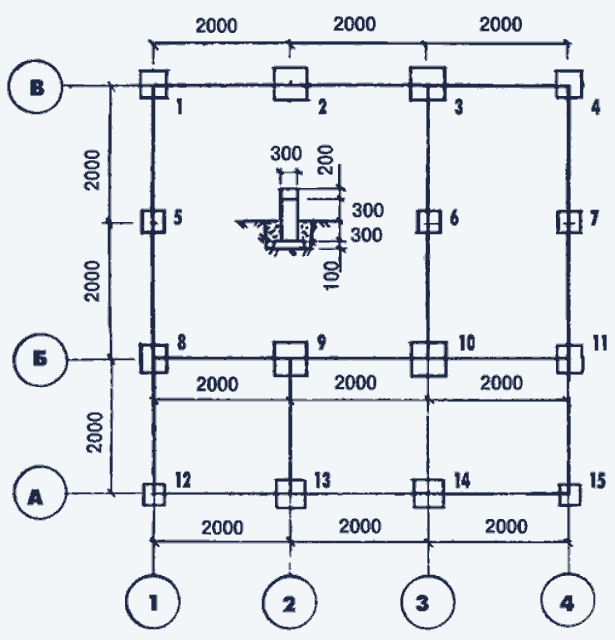
Как сделать столбчатый фундамент своими руками рассмотрим на примере дома, план стен которого приведен на рисунке ниже.

На плане дома по осям А, Б и В расположены несущие стены, на которые опираются перекрытия и крыша дома. По осям 1, 2, 3, 4 находятся самонесущие стены, которые, кроме собственного веса, не несут дополнительных нагрузок.
На плане дома по осям А, Б и В расположены несущие стены, на которые опираются перекрытия и крыша дома. По осям 1, 2, 3, 4 находятся самонесущие стены, которые, кроме собственного веса, не несут дополнительных нагрузок.

Нагрузка от дома, передаваемая через фундамент на грунт, не должна превышать определенных величин (расчетного сопротивления грунта) для различных типов грунтов. Допустимая нагрузка на грунт зависит не только от типа грунта, но и от глубины заложения подошвы фундамента. Слой грунта, расположенный ближе к поверхности имеет меньшую плотность и меньшую несущую способность, чем на глубине.

Расчетное сопротивление некоторых грунтов на глубине 0,4 м., т/м2 (JL – показатель текучести):

  • Песок средней крупности и плотности (не пучинистый)               - 22,5;
  • Суглинок полутвердый (0<JL <0,25; не пучинистый)                     - 15;
  • Суглинок тугопластичный (0,25<JL <0,5; слабо пучинистый)       - 14;
  • Суглинок мягкопластичный (0,5<JL <0,75; средне пучинистый)   - 13;
  • Суглинок текучепластичный (0,75<JL <1,0; сильно пучинистый) - 12;

Исходя из выше приведенных цифр, допустимая нагрузка на один столбик фундамента сечением подошвы 40х40 см. не должна быть выше, например: 3,6 т. – для песчаного грунта; 1,9 т. – для самого “мягкого” суглинка - текучепластичного.

План расположения столбчатых опор фундамента под стенами дома. Столбчатые опоры размещают в местах пересечения стен, а также в промежутках с шагом 1-2 метра
План расположения столбчатых опор фундамента под стенами дома. Столбчатые опоры размещают в местах пересечения стен, а также в промежутках с шагом 1-2 метра

Столбчатые опоры фундамента размещают в местах пересечения стен дома или бани, а также в промежутках с шагом 1 – 2 метра. Большое расстояние между столбиками приводит к увеличению нагрузок на грунт и увеличивает напряжения в выше лежащих конструкциях – ростверке, стенах. А маленький шаг столбиков нивелирует преимущества столбчатого фундамента по сравнению с ленточным.

Глубина заложения столбчатого фундамента

Глубину заложения столбчатых опор фундамента выбирают исходя из следующих соображений:

  • Необходимости снижения касательных сил морозного пучения грунта, действующих на боковую поверхность столбчатой опоры. Чем меньше площадь боковой поверхности опоры, тем меньше силы, выталкивающие опору вверх.
  • Уклона грунта на участке строительства. Фундамент заглубляют для компенсации перепада высот и защемления опор в грунте для предотвращения сдвига по склону.
  • Толщины  плодородно-растительного слоя грунта на участке. Песчаная подушка фундамента должна опираться на минеральные слои грунта, не содержащие органических включений.
  • Уровня грунтовых вод. Подошва столбчатой опоры должна быть выше уровня грунтовых вод на участке.

Для решения всех этих задач считается достаточным размещать подошву фундамента частных домов и бань не глубже 0,3-0,4 м.

Столбчатый фундамент в разрезе. 1 – опорная плита; 2 – столбчатая опора; 3 – ростверк; 4 – фиксирующий выпуск арматуры; 5 – обратная засыпка; 6 – песчано-гравийная (щебеночная) подушка.
Столбчатый фундамент в разрезе. 1 – опорная плита; 2 – столбчатая опора; 3 – ростверк; 4 – фиксирующий выпуск арматуры; 5 – обратная засыпка; 6 – песчано-гравийная (щебеночная) подушка.

Столбчатые опоры, поз.2, обычно имеют квадратное сечение с размером одной стороны в пределах 0,3-0,5 м. Размер, как правило определяют из конструктивных соображений, по толщине стены, так, чтобы было удобно опереть на них стены.

Столбчатые опоры чаще всего отливают по месту из бетона.  Иногда выкладывают из полнотелого керамического кирпича или бетонных блоков.

Размер опорной плиты, поз.1, тоже квадратного сечения, определяют расчетом. Чем больше площадь опоры плиты на грунт, тем выше допустимая нагрузка на столбчатую опору.

Столбчатые опоры и опорные плиты иногда удобно делать круглого сечения, если в качестве опалубки использовать отрезки труб.

Песчано-гравийная подушка, поз.6, снижает величину сил морозного пучения грунта, действующих на подошву фундамента. Чем выше пучинистость грунта на участке строительства, тем толще должна быть подушка.

Обратная засыпка котлована, поз.5, выполняется не пучинистым грунтом. Её назначение – уменьшить величину касательных сил морозного пучения.

Если засыпать пазухи котлована местным пучинистым грунтом, который достали из котлована, то по боковой поверхности столбчатой опоры будут действовать, так называемые, касательные силы морозного пучения грунта. Замерзший пучинистый грунт зажмет с боков, как в тиски, столбчатую опору и будет пытаться приподнять её вверх вместе с домом.

Размер котлована под опору (как по вертикали, так и по горизонтали) также зависит от степени пучинистости грунта на участке.

Как рассчитать столбчатый фундамент

Задача расчета столбчатого фундамента сводится к тому, чтобы определить расчетные размеры, указанные на рисунке выше: размеры опорной плиты, толщину противопучинистой подушки и размеры котлована под опору.

Расчет столбчатого фундамента для дома или бани ведут в следующей последовательности:

1. Определяют свойства грунта на участке строительства, в слое между подошвой фундамента и нормативной глубиной промерзания. В лаборатории или чаще по таблицам в справочниках узнают степень пучинистости грунта и его несущую способность - т/м2 .

Для расчета в нашем примера примем грунт: суглинок мягкопластичный среднепучинистый, с расчетным сопротивлением нагрузкам на глубине 0,4 м.,  - 13 т/м2.

2. Определяют максимальную нагрузку на грунт от веса здания по каждой стене в осях А, Б, В и 1, 2, 3, 4 (пример на рисунке). При расчете учитывают вес строительных конструкций, а также снега на крыше и другие временные нагрузки. Нагрузку на грунт определяют из расчета, обратите внимание - тонн на 1 погонный метр стены. Считают, что нагрузка по длине стены распределена равномерно.

На рисунке ниже показаны графики – эпюры величины нагрузок на грунт, рассчитанные для каждой стены для одноэтажного с мансардой каркасного дома из нашего примера.

Графики – эпюры нагрузок на грунт от веса здания для каждой стены дома, тонн/1 погонный метр. Несущие стены по осям А, Б и В несут собственный вес, перекрытие, крышу, а также снег. Стены по осям 1, 2, 3 и 4 самонесущие, несут только собственный вес.
Графики – эпюры нагрузок на грунт от веса здания для каждой стены дома, тонн/1 погонный метр. Несущие стены по осям А, Б и В несут собственный вес, перекрытие, крышу, а также снег. Стены по осям 1, 2, 3 и 4 самонесущие, несут только собственный вес.

Используйте программу – калькулятор для расчета нагрузки на грунт под стенами здания. По результатам расчета для наглядности постройте эпюры нагрузок на грунт под стенами своего дома.

3. Определяют силу давления на грунт от веса здания для каждой опоры.

Размеры опорных плит столбчатых опор выбирают так, чтобы обеспечить примерно одинаковое удельное давление на грунт каждой опоры.
Размеры опорных плит столбчатых опор выбирают так, чтобы обеспечить примерно одинаковое удельное давление на грунт каждой опоры.

Для этого расстояние между соседними опорами условно делят пополам. Сделайте это, и из рисунка наглядно видно, что, например, опора № 1 несет вес стены по оси “В” на длине 1 м., и по оси “1” тоже на длине 1 м. А опора № 3 несет вес стены по оси “В” на длине 2 м и по оси “3” на длине 1 м.

Рассчитаем с какой силой будут давить опоры на грунт:

  • Сила давления опоры № 1 = 2,1 т/м х 1м + 0,4 т/м х 1м =2,5 т.;
  • Сила давления опоры № 2 = 2,1 т/м х 2м = 4,2 т.;
  • Сила давления опоры № 3 = 2,1 т/м х 2м + 0,3 т/м х 1м = 4,5 т.;
  • Сила давления опоры № 4 = 2,1 т/м х 1м + 0,4 т/м х 1м =2,5 т.

Аналогично рассчитывают силу давления на грунт остальных опор.

4. Как мы приняли выше в пункте 1, расчетное сопротивление нагрузкам на глубине 0,4 м. грунта на нашем участке равно - 13 т/м2. Исходя из этого определяем площадь основания (площадь опорной плиты) для каждой опоры фундамента. Например:

  • Площадь основания опоры № 1 = 2,5 т : 13 т/м2 = 0,192 м2, не менее;
  • Площадь основания опоры № 2 = 4,2 т : 13 т/м2 = 0,323 м2;
  • Площадь основания опоры № 3 = 4,5 т : 13 т/м2 = 0,346 м2;
  • Площадь основания опоры № 4 = 2,5 т : 13 т/м2 = 0,192 м2;

Аналогично находим площадь опорной плиты для остальных опор.

5. Как определить размер квадратной опорной плиты, если известна площадь, я думаю, знает каждый. Размер плиты выбирают с некоторым запасом.

Обратите внимание, что размеры опорных плит получаются разными. Размеры опорных плит, указанные на рисунке, обеспечивают примерное равенство удельного давления на грунт под опорами с разной нагрузкой.

Если сделать размеры, а значит и площадь всех опорных плит одинаковыми, то удельное давление на грунт (т/м2) соседних плит может существенно отличаться. Грунт под действием разной нагрузки просядет под опорами тоже в разной степени, что создаст дополнительные ненужные деформации и напряжения в конструкциях дома.

Рекомендуется неоднократно повторить расчет с разными вариантами числа опор и их расположением. Выбирают вариант с минимальным объемом земляных работ и материалов для устройства столбчатого фундамента.

Следует также рассмотреть целесообразность изменения конструкции дома. Если, например в рассчитанном выше варианте изменить опирание перекрытия, перенеся его на стены по осям 1, 2, 3 и 4, то распределение  нагрузок по стенам станет более равномерным.

Толщину песчано-гравийной противопучинистой подушки в зависимости от степени пучинистости грунта на участке рекомендуется выбрать:

  • Слабопучинистый - 0,1 м.;
  • Среднепучинистый - 0,2 м.;
  • Сильнопучинистый - 0,4 м.;

Обратите особое внимание на тщательное уплотнение песчано-гравийной подушки. Грунт подушки насыпают слоями не более 20 см. Каждый слой увлажняют и трамбуют.

Размеры котлована по горизонтали для столбчатой опоры зависят от степени пучинистости грунта и глубины заложения фундамента.  Для не пучинистого и слабо пучинистого грунта размер котлована может совпадать с размерами опорной плиты. В грунтах средне и сильно пучинистых размер стороны котлована принимают в пределах 0,8-1,2 м.

Обратную засыпку котлована обязательно выполняют не пучинистым грунтом с послойным уплотнением.

Буронабивной или столбчатый фундамент для деревянного, каркасного дома или бани лучше

По результатам опроса буронабивной фундамент пользуется наибольшей популярностью среди частных домостроителей. Фундамент на буронабивных сваях отличается от традиционного столбчатого только способом устройства столбчатой опоры.

Для устройства опоры буронабивного фундамента в грунте буром сверлится скважина, которая заполняется бетоном.

Преимущество буронабивного фундамента, перед традиционным столбчатым, в значительно меньшем объеме земляных работ для устройства опоры. Благодаря этому становится выгодным заглублять опору в грунт на большую глубину. На глубине, превышающей глубину промерзания грунта, несущая способность грунта выше, и на подошву опоры перестают действовать силы морозного пучения грунта.

Подошву буронабивной сваи обычно располагают ниже границы промерзания пучинистого грунта. Многие застройщики считают, что этого достаточно для защиты дома от деформаций, вызванных силами морозного пучения грунта. Но это не так.

Как уже указывалось выше в статье, на боковую поверхность заглубленной столбчатой опоры продолжают действовать касательные силы морозного пучения грунта. Чем больше площадь поверхности опоры, тем с большей силой опора выталкивается вверх при замерзании грунта.

Расчеты показывают, что, например, столбчатую опору диаметром 40 см., заглубленную в грунт на 1,7 м. касательная сила морозного пучения будет выталкивать вверх с усилием:

  • На слабо пучинистых грунтах - 15 тонн (удельная касательная сила - 7 т/м2 поверхности опоры); 
  • На средне пучинистых - 19 тонн ( 9 т/м2);
  • На сильно пучинистых - 23 тонн (11 т/м2).

На опору вниз будет давить усилие от веса здания. Посмотрите выше в статье на результат расчета нагрузок на столбчатую опору для нашего примера. Величина нагрузки на одну опору от веса дома находится в пределах 2,4 – 4,5 тонн.  В сильно пучинистом грунте касательная сила морозного пучения может выталкивать опору вверх с усилием, почти в 10 раз большим, чем усилие от веса дома.

Совершенно очевидно, что даже заглубленный ниже границы промерзания буронабивной фундамент без специальных мер не обеспечивает защиту легких зданий от деформаций морозного пучения грунта.

Исправить ситуацию может применение буронабивных фундаментов по технологии ТИСЭ. Автор технологии предлагает устраивать в нижней части буронабивной сваи утолщение из бетона – пяту. Пята, во – первых, играет роль якоря, который фиксирует опору в грунте и препятствует перемещению вверх под действием сил морозного пучения. Во-вторых, пята расширяет площадь опирания сваи на грунт, что позволяет увеличить нагрузку на одну опору фундамента. Чтобы силы морозного пучения не разорвали сваю, опору обязательно армируют.

В пучинистых грунтах буронабивной фундамент может применяться для легких домов и бань только в специальном исполнении - по технологии ТИСЭ.

Места размещения и площадь основания буронабивной опоры определяют и рассчитывают точно также, как описано выше для опорных столбиков и плиты столбчатого фундамента.

Сравним традиционный мелкозаглубленный столбчатый фундамент и заглубленный с буронабивными опорами ТИСЭ:

  • Для устройства столбчатого фундамента потребуется выполнить больший объем земляных работ по рытью котлованов, засыпке и уплотнению песчано-гравийных подушек и пазух. Трудоемкость бурения скважин с устройством расширений на концах тоже может быть довольно высокой, особенно в плотных глинистых грунтах. Кроме того, потребуется использовать специальные ручные или механические буры.
  • Расход бетона для устройства буронабивных свай будет выше, чем для опорных столбиков и плит столбчатого фундамента.
  • Буронабивные сваи требуют обязательного вертикального армирования. Расход арматуры на армирование столбчатого фундамента будет значительно меньше.

Как видим, буронабивные фундаменты не имеют каких то исключительных преимуществ перед традиционными столбчатыми. У профессиональных проектировщиков буронабивные фундаменты не пользуются такой же популярностью, как среди самодеятельных застройщиков.

Фундамент на винтовых сваях или столбчатый - какой лучше для деревянного дома или бани . . .

Ростверк и забирка

Фундамент столбчатый или ленточный?

Советы застройщику

Столбчатый фундамент - легко! Видео

Уважаемый Читатель !

Подпишитесь на канал, не забывайте ставить лайки и делиться с друзьями.

Нажимая на Палец вверх, Вы сообщаете Дзену, что подобные материалы Вам интересны и настраиваете персональную ленту Дзен на показ большего количества статей на эту тему.