Найти в Дзене
Войти
1,0×
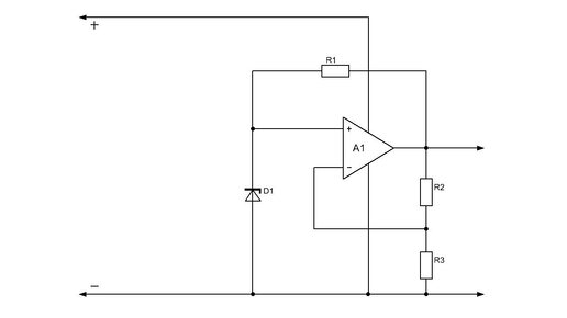
Источник опорного напряжения на ОУ.
58 просмотров · 9 месяцев назад
00:00
/
02:01
Старые схемы...
401 подписчиков
Подписаться
3175394817.1977.1765781114603.23984