Найти в Дзене
Войти
1,0×
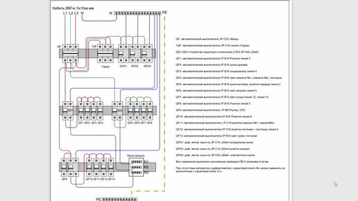
Простейшая схема 3-фазного щита на 36 модулей.
8398 просмотров · 1 год назад
00:00
/
04:00
СамЭлектрик.ру
86,3 тыс подписчиков
Подписаться
3812841875.892.1776774584218.95836