Найти в Дзене
Войти
1,0×
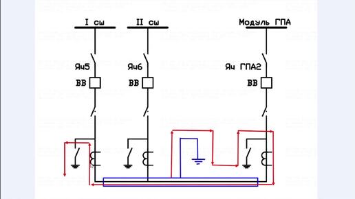
Срабатывание ОЗЗ от Наведённого Напряжения
33 просмотра · 1 год назад
00:00
/
33:57
Игорь Лобачев
67 подписчиков
Подписаться
2954286915.915.1776728272243.22618